目 录 施工组织设计........................................- 2 -(1)施工组织设计..................................- 2 -(2)...
第一章 总 论1.1 项目概述1.1.1 项目名称生物可溶性耐火陶瓷纤维生产项目1.1.2 承办单位枣庄***纤维材料有限公司1.2 项目概况1.2.1 ...
英国耐火电缆标准BS6387在火灾情况下保持电路完好的电缆性能要求规范委员会负责本英国标准英国标准这项英国标准是电缆和绝缘标准的政策委员...
耐火公司XX年职代会书记讲话为推动耐火公司改革发展贡献力量——在中钢耐火公司第三届二次职工代表大会上的讲话党委书记、总经理:薄钧各位...
石膏板有关耐火方面知识☆纸面石膏板为什么具有良好的耐火性能?纸面石膏板的芯材由建筑石膏水化而成,所以石膏板中石膏是以CaSO4•2H2O的结...
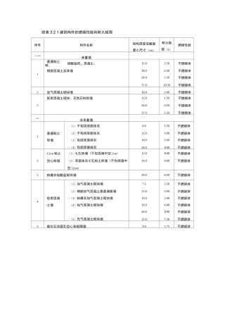
续表3.2.1建筑构件的燃烧性能和耐火极限序号构件名称结构厚度或截面最小尺寸(cm)耐火极限(h)燃烧性能—一承重墙普通粘土砖、硅酸盐砖,...
....下载可编辑..石膏板有关耐火方面知识☆纸面石膏板为什么具有良好的耐火性能?纸面石膏板的芯材由建筑石膏水化而成,所以石膏板中石膏是...
无定型耐火浇筑料及隔热耐磨炉衬施工技术规程编制:审核:审批:安全:北京燕华工程建设有限公司二零一四年五月一、目的及适用范围石油化工...
耐火电缆的一般使用条件耐火电缆广泛应用于高层建筑、地下铁道、地下街、大型电站及重要的工矿企业等与防火安全和消防救生有关的地方,例如...
耐火公司XX年职代会书记讲话为推动耐火公司改革发展贡献力量——在中钢耐火公司第三届二次职工代表大会上的讲话党委书记、总经理:薄钧各位...
1992年筹9卷82贵州地质GEOLOGYOFGULZHOU试论贵州耐火级高铝粘土矿资源的合理开发利用卢宇帆(贵阳耐火材料厂)关键调:贵州高铝牯土矿开发剁...
建标工程建设标准全文信息系统工程建设标准全文信息系统中国工程建设标准化协会标准工业炉水泥耐火浇注料冬期施工技术规程工程建设标准全文...
耐热(耐火)混凝土一、用途热环境混凝土工程;高炉出铁场基础;其它热荷设备基础垫层二、特性早强高强——1d强度可达15MPa;耐高温——最...
耐火制品及其试验方法标准目录本目录分为十部分,包括2006年3月底以前由国家技术监督局、冶金局、山西省以及我公司批准发布的适用于我公司...
办公建筑设计规范1、机要室、档案室和重要库房等隔墙的耐火极限不应小于2h,楼板不应小于1.5h,并应采用甲级防火门博物馆建筑设计规范1、藏...
第剪誊第3期责娥王藏大学学报(巍然醉学版)Vol。37No。32008年5月JOURNALOFGUIZHOUUNIVERSITYOFTECHNOLOGYMay.2008文章编号:1009-0193(200...
18:21上一内容下一内容回主目录返回第六章不定形耐火材料第六章不定形耐火材料UnshapedRefractories/Monolithicrefractories18:21...
消防理论研究结构构件耐火隔热性计算模型王荣辉1,张靖岩2,史毅2,吕振纲2,仝玉2,王礼2,张泽江3(1.江西省消防总队,江西南昌...
2009年6月第34卷第3期耐火与石灰·39·添加尖晶石、方镁石和白云石的吉晕口同事口耐火浇注料的常温机械性能摘要:耐火浇注料的常温机械性能...
耐火纤维制品|[<<][>>]耐火纤维制品是以耐火纤维为原料,经加工制成的各种高温隔热材料。制品质量轻﹑热导率低,是一种新型优质高温隔热材...

