电脑桌面
添加小米粒文库到电脑桌面
安装后可以在桌面快捷访问

建筑构件的燃烧性能和耐火极限VIP免费

建筑构件的燃烧性能和耐火极限_第1页
1/13
建筑构件的燃烧性能和耐火极限_第2页
2/13
建筑构件的燃烧性能和耐火极限_第3页
3/13
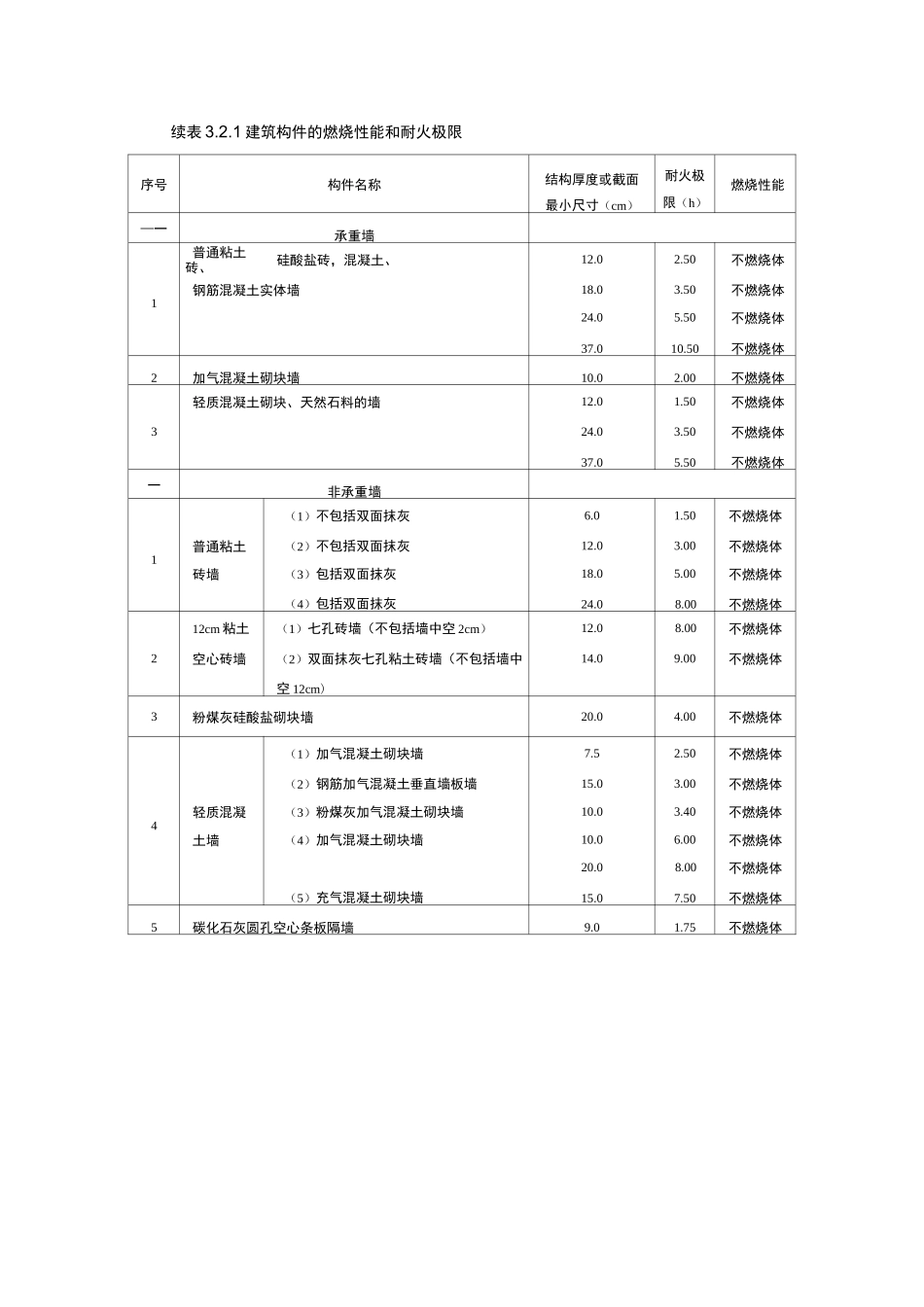
续表3.2.1建筑构件的燃烧性能和耐火极限序号构件名称结构厚度或截面最小尺寸(cm)耐火极限(h)燃烧性能—一承重墙普通粘土砖、硅酸盐砖,混凝土、12.02.50不燃烧体1钢筋混凝土实体墙18.03.50不燃烧体24.05.50不燃烧体37.010.50不燃烧体2加气混凝土砌块墙10.02.00不燃烧体轻质混凝土砌块、天然石料的墙12.01.50不燃烧体324.03.50不燃烧体37.05.50不燃烧体一非承重墙(1)不包括双面抹灰6.01.50不燃烧体1普通粘土(2)不包括双面抹灰12.03.00不燃烧体砖墙(3)包括双面抹灰18.05.00不燃烧体(4)包括双面抹灰24.08.00不燃烧体12cm粘土(1)七孔砖墙(不包括墙中空2cm)12.08.00不燃烧体2空心砖墙(2)双面抹灰七孔粘土砖墙(不包括墙中14.09.00不燃烧体空12cm)3粉煤灰硅酸盐砌块墙20.04.00不燃烧体(1)加气混凝土砌块墙7.52.50不燃烧体(2)钢筋加气混凝土垂直墙板墙15.03.00不燃烧体4轻质混凝(3)粉煤灰加气混凝土砌块墙10.03.40不燃烧体土墙(4)加气混凝土砌块墙10.06.00不燃烧体20.08.00不燃烧体(5)充气混凝土砌块墙15.07.50不燃烧体5碳化石灰圆孔空心条板隔墙9.01.75不燃烧体序号构件名称结构厚度或截面最小尺寸(cm)耐火极限(h)燃烧性能6菱苦土珍珠岩圆孔空心条板隔墙8.01.30不燃烧体7钢筋混凝土大板墙(C20)6.01.00不燃烧体712.02.60不燃烧体轻质复合隔墙(1)菱苦土板夹纸蜂窝隔墙,其构造厚度(cm)为:0.25+5(纸蜂窝)+2.5—0.33难燃烧体8(2)水泥刨花复合板隔墙,总厚度8cm(内空层6cm)—0.75难燃烧体(3)水泥刨花板龙骨水泥板隔墙,1.2+8.6(空)+1.2—0.50难燃烧体(4)石棉水泥龙骨石棉水泥板隔墙,其构造厚度为:0.5+8(空)+6—0.45不燃烧体石膏空心条板隔墙:(1)石膏珍珠岩空心条板(膨胀珍珠岩50〜80kg/m3)6.01.50不燃烧体(2)石膏珍珠岩空心条板(膨胀珍珠岩60~120kg/m3)6.01.20不燃烧体(3)石膏硅酸盐空心条板6.01.50不燃烧体(4)石膏珍珠岩塑料网空心条板(膨胀珍珠岩Q60〜120kg/m3)6.01.30不燃烧体9(5)石膏粉煤灰空心条板9.02.25不燃烧体(6)石膏珍珠岩双层空心条板,其构造厚度(cm)为:6.0+5(空)+6.0(膨胀珍珠岩50〜80kg/m3)—3.75不燃烧体6.0+5(空)+6.0(膨胀珍珠岩60〜120kg/m3)—3.25不燃烧体(7)增强石膏空心墙板9.02.50不燃烧体6.01.28不燃烧体石膏龙骨两面钉下列材料的隔墙:(1)纤维石膏板,其构造厚度(cm)为:0.85+10.3(填矿棉)+0.85—1.0不燃烧体1.0+6.4(空)+1.0—1.35不燃烧体1.0+9(填矿棉)+1.0—1.00不燃烧体(2)纸面石膏板,其构造厚度(cm)为:101.1+6.8(填矿棉)+1.1——0.75不燃烧体1.1+2.8(空)+1.1+6.5(空)+1.1+2.8(空)+1.1—1.50不燃烧体0.9+1.2+12.8(空)+1.2+0.9—1.20不燃烧体2.5+13.4(空)+1.2+0.9—1.50不燃烧体1.2+8(空)+1.2+1.2+8(空)+1.2—1.00不燃烧体1.2+8(空)+1.2—0.33不燃烧体序号构件名称结构厚度或截面最小尺寸(cm)耐火极限(h)燃烧性能木龙骨两面钉下列材料的隔墙(1)钢丝网(板)抹灰,其构造厚度(cm)为:1.5+5(空)+1.5—0.85难燃烧体(2)石膏板,其构造厚度为:1.2+5(空)+1.2—0.30难燃烧体(3)板条抹灰,其构造厚度为:1.5+5(空)+1.5—0.85难燃烧体11(4)水泥刨花板,其构造厚度为:1.5+5(空)+1.5(5)板条抹1:4石棉水泥隔热灰浆,其构造厚度为:2+5—0.30难燃烧体(空)2—1.25难燃烧体(6)苇箔抹灰,其构造厚度为:1.5+7+1.5—0.85难燃烧体(7)纸面玻璃纤维石膏板,其构造厚度为:1.0+5.5(空)—0.60难燃烧体+1.0—0.60难燃烧体(8)纸面纤维石膏板,其构造厚度为:1.0+5.5(空)+1.0钢龙骨两面钉下列材料:石膏板(1)纸面石膏板,其构造厚度为:2+4.6(空)+1.2—0.33不燃烧体2X1.2+7(空)+3X1.2—1.25不燃烧体2X1.2+7(空)+2X1.2—1.20不燃烧体(2)双层普通石膏板,板内掺纸纤维,其构造厚度为:2X1.2+7.5(空)+2X1.2—1.10不燃烧体(3)双层防火石膏板,板内掺玻璃纤纤,其构造厚度为:2X1.2+7.5(空)+2X1.2—1.35不燃烧体2X1.2+7.5(岩棉厚4cm)+2X1.2(4)复合纸面石膏板,其构造厚度(cm)为:—1.60不燃烧体1.5+7.5(空)...

1、当您付费下载文档后,您只拥有了使用权限,并不意味着购买了版权,文档只能用于自身使用,不得用于其他商业用途(如 [转卖]进行直接盈利或[编辑后售卖]进行间接盈利)。
2、本站所有内容均由合作方或网友上传,本站不对文档的完整性、权威性及其观点立场正确性做任何保证或承诺!文档内容仅供研究参考,付费前请自行鉴别。
3、如文档内容存在违规,或者侵犯商业秘密、侵犯著作权等,请点击“违规举报”。

碎片内容

建筑构件的燃烧性能和耐火极限

您可能关注的文档

wxg+ 关注
实名认证
内容提供者

该用户很懒,什么也没介绍

确认删除?
VIP
微信客服
  • 扫码咨询
会员Q群
  • 会员专属群点击这里加入QQ群
客服邮箱
回到顶部