上篇 井下机电设备第一节 胶带运输机1、减速器箱体无裂纹或变形,结合面配合紧密,无渗油;减速器运转平稳,无异响;油脂清洁、油量合适...
河南能源鹤煤公司三矿 机电一队班组建设体系 二 Ο 一六年目 录第一部分 机构制度 第一章 机电一队、班组建制、班组定员标准及班组...
目录第 1 卷工程概况...............................................3第 2 卷质量目标...............................................
机电专业内业记录目录及表格样式1、自动转换及风电瓦斯电闭锁试验记录 JD-012、漏 电 试 验 记 录 JD-O23、电器设备管理记录 JD-03...
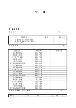
目 录1编制依据1.1 合同 表合同名称编号签定日期江苏省建设工程施工合同“苏州高新区科技大厦机电工程”1.2 施工图 表图纸名称图纸编...
苏州尼盛万丽大酒店机电设备安装工程施工组织设计 二○○四年二月二十五日目 录1. 编制依据及执行的规范、标准 本《施工组织设计》编制...
第一章 编制依据和说明XX 安装工程在业主的积极筹备下,现进入议标阶段,本公司作为大型国家特级资质的施工企业,对承建本工程具有极大的...
采区机电运输统一化、规范化设计规范为进一步规范矿井采掘地区机电运输技术管理工作,理顺采掘机电技术管理程序,强化机电技术管理作用,特...
七、煤炭建设机电安装工程消耗量定额第一章 关于《煤炭建设机电安装工程消耗量定额(2007 基价)》(以下称本定额)的介绍(一)概述 1...
酒店机电班工程师岗位说明书岗位名称机电班工程师岗位编号所在部门工程部岗位定员1 人直接上级工程部经理工资等级六级直接下级司炉工、机...
目录目录......................................................................1摘要..................................................
重庆大学机械机电笔试复试
燃气轮机机电运行中级工技能鉴定实际题目录1、 燃机手动切油步骤2、 大修后 88BT 启动试验3、 #1 增压机启动前盘面检查4、 规程中对...
机械公司机电管理检查及完好标准第一节 专业设备通用完好标准一、设备性能好,零、部件完整齐全1、零、部件齐全。2、设备机体、机身、机架...
目 录一、总则¨¨¨¨¨¨¨¨¨¨¨¨¨¨¨¨¨¨¨¨¨¨¨¨工程概况¨¨¨¨¨¨¨¨¨¨¨¨¨¨¨¨¨¨¨¨¨¨¨¨工程范围¨¨...
机电系应用电子技术专业(2005 级)教 学 大 纲济源职业技术学院2005 年 8 月目 录1、电工技术课程教学大纲.........................
苏州尼盛万丽大酒店机电设备安装工程施工组织设计 二○○四年二月二十五日目 录. 编制依据及执行的规范、标准............................
山西省阳泉至左权高速公路机电工程施工第 JD 标段施工组织设计施工组织设计目录第一章 施工组织编制依据、原则...........................
#机电运输岗位责任制编 制 人:#编制单位:#编制日期:二〇一五年一月目 录第一章 机电运输管理人员岗位责任制..........................
目 录科长岗位责任制--------------------------------------------------------------------------4党支部书记岗位责任制---------------...

