电脑桌面
添加小米粒文库到电脑桌面
安装后可以在桌面快捷访问

区科技大厦机电安装工程施工组织设计方案(DOC195页)VIP免费

区科技大厦机电安装工程施工组织设计方案(DOC195页)_第1页
1/136
区科技大厦机电安装工程施工组织设计方案(DOC195页)_第2页
2/136
区科技大厦机电安装工程施工组织设计方案(DOC195页)_第3页
3/136
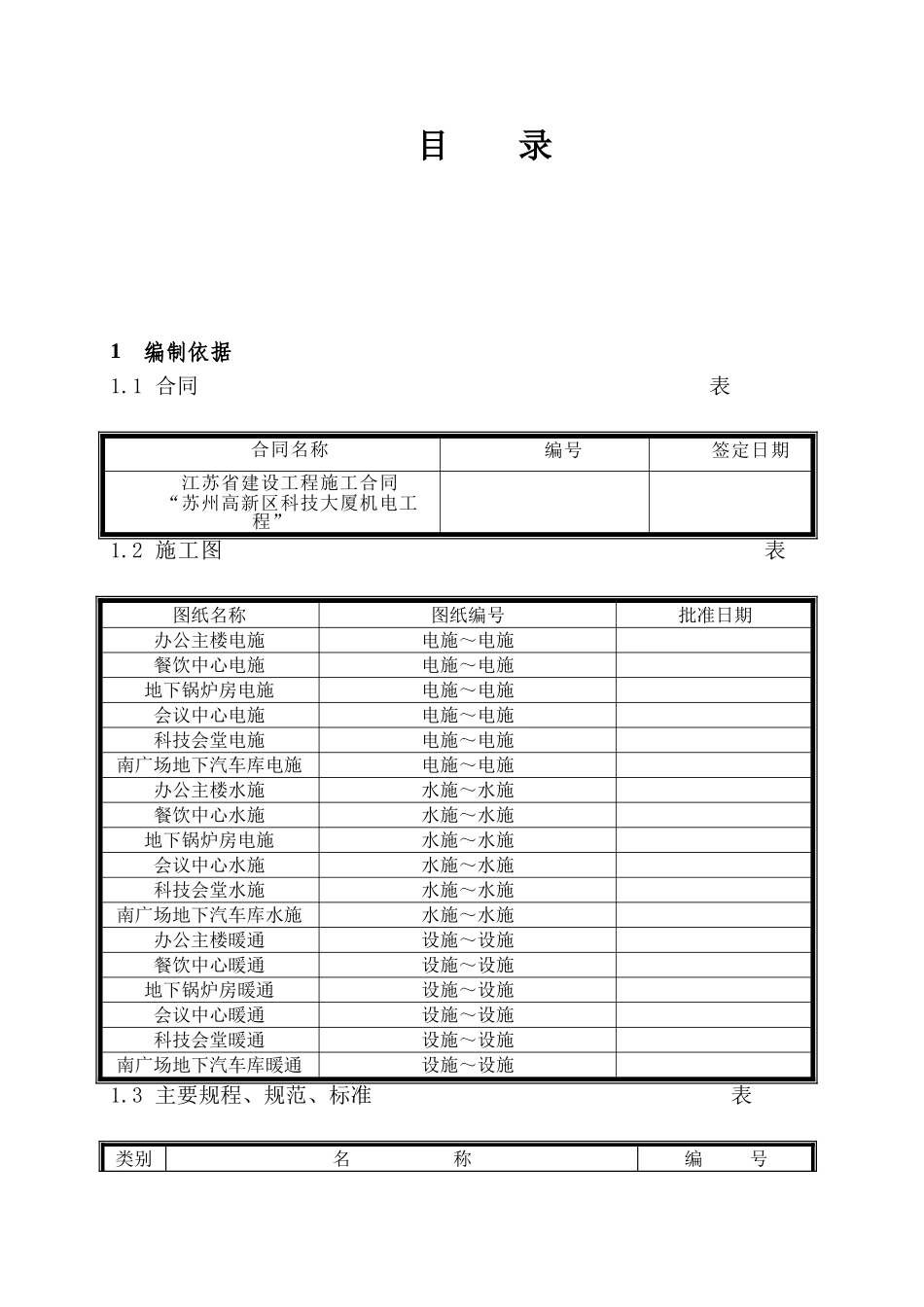
目 录1编制依据1.1 合同 表合同名称编号签定日期江苏省建设工程施工合同“苏州高新区科技大厦机电工程”1.2 施工图 表图纸名称图纸编号批准日期办公主楼电施电施~电施餐饮中心电施电施~电施地下锅炉房电施电施~电施会议中心电施电施~电施科技会堂电施电施~电施南广场地下汽车库电施电施~电施办公主楼水施水施~水施餐饮中心水施水施~水施地下锅炉房电施水施~水施会议中心水施水施~水施科技会堂水施水施~水施南广场地下汽车库水施水施~水施办公主楼暖通设施~设施餐饮中心暖通设施~设施地下锅炉房暖通设施~设施会议中心暖通设施~设施科技会堂暖通设施~设施南广场地下汽车库暖通设施~设施1.3 主要规程、规范、标准 表类别名 称编 号《建筑给水排水及采暖工程施工质量验收规范》《建筑电气工程施工质量验收规范》《通风与空调工程施工质量验收规范》《自动喷水灭火系统工程施工及验收规范》《给水排水构筑物施工及验收规范》建筑工程施工质量验收统一标准《建筑工程冬期施工规程》《建筑机械安全技术规程》《建筑施工高处作业安全技术规范》《施工现场临时用电安全技术规范》《采暖与卫生工程施工及验收规范》《建筑安装分项工程施工工艺规范》《建筑安装工程技术资料管理规程》设备安装建筑通用图集~、~常用风机控制电路图常用水泵控制电路图防雷与接地安装~室内管道支架及吊架《电气装置安装工程电气设备交接试验标准》 《卫生设备安装》《电缆桥架安装》封闭式母线及桥架安装(年合订本)《管道穿墙、屋面防水套管》1.4 主要法规 表类别名 称编 号国家中华人民共和国建筑法主席令第号中华人民共和国环境保护法主席令第号建设工程质量管理条例国务院令第号2工程概况2.1 总体简介本工程形象新颖,现代别致,外观体现现代感的同时与新区东渚科技城内的整体的环境融为一体。本工程为苏州高新区科技大厦,位于科创路南 景润路西.子项有办公楼 科技会堂餐饮中心 会议中心 地下南广场及锅炉房,总建筑面积约万平方米。其中办公楼子项总建筑面积平方米,地上建筑面积平方米,地下建筑面积平方米;建筑层数:地上裙房层,主楼层(局部层);地下层.建筑高度米左右,属一类高层建筑.工程建筑耐火等级为一级本工程质量目标为合格,确保省优“扬子杯”,争创“鲁班奖”,合同工期天。本工程经过雨期施工,施工难度较大、制约因素多,因此我公司将采用先进的施工方法,合理组织,科学管理确保本工程的质量及工期。2.2 各专业...

1、当您付费下载文档后,您只拥有了使用权限,并不意味着购买了版权,文档只能用于自身使用,不得用于其他商业用途(如 [转卖]进行直接盈利或[编辑后售卖]进行间接盈利)。
2、本站所有内容均由合作方或网友上传,本站不对文档的完整性、权威性及其观点立场正确性做任何保证或承诺!文档内容仅供研究参考,付费前请自行鉴别。
3、如文档内容存在违规,或者侵犯商业秘密、侵犯著作权等,请点击“违规举报”。

碎片内容

区科技大厦机电安装工程施工组织设计方案(DOC195页)

确认删除?
VIP
微信客服
  • 扫码咨询
会员Q群
  • 会员专属群点击这里加入QQ群
客服邮箱
回到顶部