第1页共120页编号:时间:2021年x月x日书山有路勤为径,学海无涯苦作舟页码:第1页共120页机电专业安全技术操作规程汇编新发煤矿二00五年十...
第1页共15页编号:时间:2021年x月x日书山有路勤为径,学海无涯苦作舟页码:第1页共15页机电学院2011年毕业答辩安排一、答辩委员会成员名单...
机电安全技术操作规程CPK.CJK2007-3-25第1页共57页编号:时间:2021年x月x日书山有路勤为径,学海无涯苦作舟页码:第1页共57页目录第一章焊...
第1页共77页编号:时间:2021年x月x日书山有路勤为径,学海无涯苦作舟页码:第1页共77页安全操作规程汇编第2页共77页第1页共77页编号:时间...
1、员工制定月度工作计划(详见附件1),交部门负责人审定;2、部门负责人制定部门月度工作计划(详见附件2),交办公室主任审定;3、办公...
第1页共35页编号:时间:2021年x月x日书山有路勤为径,学海无涯苦作舟页码:第1页共35页各工种安全技术操作规程施工单位:工程名称:日期:...
机电管理制度二O一七年三月十三日目录1.机电管理组织机构...........................................................12.机电系统责任区...
机电专业内业记录目录及表格样式1、自动转换及风电瓦斯电闭锁试验记录JD-012、漏电试验记录JD-O23、电器设备管理记录JD-034、机电设备事故...
第1页共57页编号:时间:2021年x月x日书山有路勤为径,学海无涯苦作舟页码:第1页共57页5.2隧道机电系统5.2.1照明系统隧道照明系统由三部分...
第1页共55页编号:时间:2021年x月x日书山有路勤为径,学海无涯苦作舟页码:第1页共55页管理标准机电工程标准化(统一做法)2014-02-28第2...
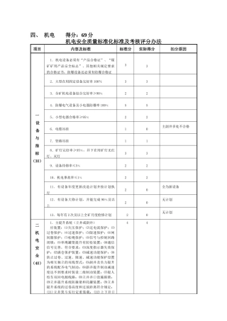
四、机电得分:69分机电安全质量标准化标准及考核评分办法项目内容及标准标准分实际得分扣分原因一设备与指标(30)1.机电设备必须有“产...
第1页共44页编号:时间:2021年x月x日书山有路勤为径,学海无涯苦作舟页码:第1页共44页安全“双基”建设标准及考核办法为了规范“双基”考...
目录总则.............................................................................................................................
给排水管道油漆涂装安装分项工程质量验收记录单位工程名称江苏申特钢铁有限公司转炉连铸工程分部工程名称1#转炉管道安装工程施工单位上海宝...
第1页共12页编号:时间:2021年x月x日书山有路勤为径,学海无涯苦作舟页码:第1页共12页机电标准化考试题库一、选择题1、低压隔爆开关引入...
《水利水电工程金属结构与机电设备安装安全技术规程》DL×××3条文说明第1页共53页编号:时间:2021年x月x日书山有路勤为径,学海无涯苦作...
第1页共40页编号:时间:2021年x月x日书山有路勤为径,学海无涯苦作舟页码:第1页共40页机电队各工种安全技术操作规程1.提升机司机操作规程...
第1页共192页编号:时间:2021年x月x日书山有路勤为径,学海无涯苦作舟页码:第1页共192页第一部分机电队标准化作业流程.....................
第1页共21页编号:时间:2021年x月x日书山有路勤为径,学海无涯苦作舟页码:第1页共21页机电各工种安全操作规程山西煤炭运销集团阳城大西煤...
第1页共58页编号:时间:2021年x月x日书山有路勤为径,学海无涯苦作舟页码:第1页共58页河南煤业化工集团永煤公司永贵能源安顺煤矿机电队第...

