电脑桌面
添加小米粒文库到电脑桌面
安装后可以在桌面快捷访问

机电安全质量标准化考核评分VIP专享VIP免费

机电安全质量标准化考核评分_第1页
1/11
机电安全质量标准化考核评分_第2页
2/11
机电安全质量标准化考核评分_第3页
3/11
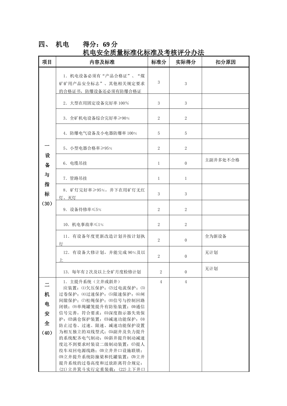
四、机电得分:69分机电安全质量标准化标准及考核评分办法项目内容及标准标准分实际得分扣分原因一设备与指标(30)1.机电设备必须有“产品合格证”、“煤矿矿用产品安全标志”、其他相关规定要求的合格证书,防爆设备还必须有防爆合格证332.大型在用固定设备完好率100%333.全矿机电设备综合完好率≥90%224.防爆电气设备及小电器防爆率100%555、小型电器合格率≥95%226.电缆吊挂10主副井多处不合格7.管路吊挂118.矿灯完好率≥95%,井下在用矿灯无红灯、灭灯339.设备待修率≤5%2210.机电事故率≤1%2211.有设备年度更新改造计划并按计划执行20全为新设备12.有设备大修计划,并能完成90%及以上20无计划13.每年有2次及以上全矿月度检修计划20无计划二机电安全(40)1.主提升系统(立井或斜井)应装置:⑴欠压保护;⑵过电流保护;⑶过卷保护;⑷过速保护;⑸限速保护;⑹闸间隙保护;⑺松绳保护;⑻信号与控制回路闭锁;⑼单绳罐笼提升有防坠装置;⑽通信信号完善,符合要求;⑾深度指示器失效保护;⑿满仓保护装置;⒀减速功能保护;⒁防止过卷、过速、限速、减速功能保护设置为相互独立的双线型式;⒂副井及负力提升的系统配齐电气制动;⒃斜井提升制动减速度达不到要求时装设二级制动装置;⒄提人绞车双回电源线路;⒅立井井口设施联锁;⒆立井提升系统防撞梁和托罐装置;⒇立井提升系统的过卷高度和过放距离符合规定;(21)立井箕斗实行定重装载;(22)上下井口44项目内容及标准标准分实际得分扣分原因安装工业电视监视器2.矿井主通风系统有:(1)可靠的两回电源线路;(2)反风设施;(3)合格的防爆门;(4)电机有过流保护和无压释放装置;(5)轴承有超温指示和警报信号;(6)安全防护设施齐全;(7)通风机噪声符合要求;(8)风机房与值班室相互独立;(9)专用录音电话40无录音电话,已报计划购买3.压风系统有:(1)用于压风自救的必须两回电源线路供电;(2)超温保护;(3)断水断油保护(或信号);(4)电机过流保护;(5)安全阀、释压阀动作可靠;(6)释压阀不得作为安全阀使用;(7)放水设施齐全可靠;(8)专用电话334.主排水系统有:(1)两回电源线路供电;(2)主排水泵、备用泵排水能力符合设计要求;(3)工作、备用排水管路符合设计要求;(4)有密闭门;(5)各种闸阀齐全、灵活;(6)可靠的引水装置;(7)电机保护齐全;(8)安全通道畅通;(9)专用电话;(10)各种仪表齐全、显示准确445.瓦斯抽排放系统有:(1)两回电源线路供电;(2)抽放瓦斯泵及其附属设备,至少应有一套备用;(3)电机保护齐全、可靠;(4)电气设备必须防爆;(5)监测、监控设施齐全、灵敏;(6)专用电话336.供热系统(2t/h及以上蒸发量的工业锅炉系统)有:(1)蒸汽锅炉装设双色水位计或两个独立的水位表;(2)有高低水位报警装置;(3)安全阀、排污阀齐全、动作可靠;(4)热水锅炉应装设温度计、安全阀、超温保护、自动补水装置并动作可靠;(5)系统中有减压阀、超压报警和联锁保护337.地面供电系统有:(1)矿井必须是两回电源线路供电;(2)井下中央配电所、采区配电所两回电源线路供电;(3)中性点接地的变压器严禁向井下供电;(4)开关柜“五防”功能;(5)反送电的开关柜加锁并有明显标志;(6)变配电所有可靠的跳闸电源;(7)由地面入井的架空供电线路、架线电机车线路、轨道、露天架空出(入)井管路、通信线路等地点必须安装防雷设施,且安装符合规定;(8)高压配出板上装设选择性接地保护;(9)单相接地电容电流符合要求;(10)主运行方式符合规定;(11)直供电机或带有电容器的开关有欠压、过电流保77项目内容及标准标准分实际得分扣分原因护;(12)电气工作票、操作票符合要求;(13)专用录音电话8.井下供电系统8(1)有合格的供电系统设计及保护整定校验20泄水巷无设计(巨能)(2)接地保护符合《煤矿井下保护接地装置的安装检查、测定工作细则》的要求;接地网上任一保护接地点的接地电阻值不得超过2Ω11(3)高压开关有欠压、短路、过流、过压选择性接地保护;低压开关有短路、过流、单相断相、漏电闭锁保护11(4)40KW及以...

1、当您付费下载文档后,您只拥有了使用权限,并不意味着购买了版权,文档只能用于自身使用,不得用于其他商业用途(如 [转卖]进行直接盈利或[编辑后售卖]进行间接盈利)。
2、本站所有内容均由合作方或网友上传,本站不对文档的完整性、权威性及其观点立场正确性做任何保证或承诺!文档内容仅供研究参考,付费前请自行鉴别。
3、如文档内容存在违规,或者侵犯商业秘密、侵犯著作权等,请点击“违规举报”。

碎片内容

机电安全质量标准化考核评分

精品中小学文档+ 关注
实名认证
内容提供者

精品资料,值得下载

确认删除?
VIP
微信客服
  • 扫码咨询
会员Q群
  • 会员专属群点击这里加入QQ群
客服邮箱
回到顶部