主斜井及井下运输巷维修电焊气割作业安全技术措施前言在煤矿生产过程中,主斜井是矿井通风、排水、机电设备和人员交通的重要通道,运输巷则...
主斜井及井下运输巷维修电焊、气割作业安全技术措施我矿在 12 月下旬进行停产检测、修理,在主斜井和部分运输巷维修时要进行电焊、气割作...
主斜井井底水泵硐室电焊作业安全措施一、 概况:路朗煤矿主斜井井底水泵硐室位于主斜井提升巷井底落平点(面对井口方向)的左侧,标高为:...
主井装载使用电焊安全技术措施一、施工概述主井装载 2#定量斗侧板变形严重,需加固。处理加固时需使用电焊进行焊接。为了进一步确保施工安...
主井筒固定信号电缆电焊气割安全技术措施因需在主井筒内固定信号电缆,工作中需要使用电焊和气割作业,为了进一步保证作业安全,特制定本安...
主井安装断带保护电焊安全措施一、概述: 由于主井安装断带保护需用电焊机对工字钢进行焊接,为保障在井下使用电焊机时施工安全,特制定此...
严格遵守电焊“十不烧”口令电焊工种是一个对人体损害较大的工种。在电焊作业中,电焊工人可能会遭受以下危险因素:受到强光、红外线、紫外...
不戴电焊面罩就电焊会有什么危害电焊是一项对眼睛和面部危害极大的工作,在电焊的过程当中,会产生大量的弧光辐射、射线、高频电磁场和热辐...
本科论文目 录摘 要............................................................................................................IA...
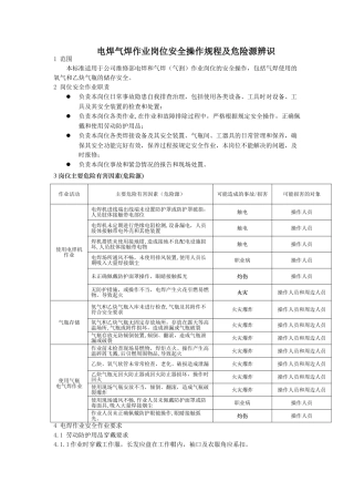
电焊气焊作业岗位安全操作规程及危险源辨识1 范围本标准适用于公司维修部电焊和气焊(气割)作业岗位的安全操作,包括气焊使用的氧气和乙...
焊工作业岗位安全 操作规程一、 范围本标准适用于公司机械制造部电焊和气焊(气割)作业岗位的安全操作,包括气焊使用的氧气和丙烷气瓶的...
气割作业安全操作规程1 范围本标准规定了资源综合利用公司检修人员在电焊气割的有关安全细则。本标准适用于资源综合利用公司电焊气割。2 ...
动火作业控制专项方案1、工程概况1。1、工程名称:苏州新区实验幼儿园扩建教学楼外装幕墙工程1.2、建设单位:苏州国家高新技术产业开发区狮...
电焊工作流程图单位名称机电设备加工厂流程名称电焊工作流程图层次三级概要电焊操作节点电焊工A1234567 焊条直径与焊件厚度的关系焊件厚度...
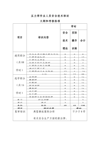
压力焊作业人员安全技术培训大纲和考核标准项目培训内容学时安全技术理论实际操作训练合计通用部分(共 88学时)安全生产法律法规与安全80...
实 习 教 案 首 页一、授课科目 焊工实训 二、备课时间 2024-2—23 三、课题时数 6 四、审批时间 五、课题(分课题)名称 安全...
电焊安全知识电焊机的一次线一般不超过 10 米,电焊机应尽量靠近开关箱。一次线在和电焊机连接处应有防护罩防治以外触电. 电焊机的二次侧...
安全技术交底编 号工程名称交底日期年 月 日施工单位分项工程名称电、气焊作业交底提要操作规程、安全交底内容:一、电焊作业基本要求:1...
电焊安全操作规程1、作业人员必须是经过电、气焊专业培训和考试合格,取得特种作业操作证的电气焊工,并持证上岗。(在有效期内)2、作业人员...
电焊安全操作规程1、作业人员必须是经过电、气焊专业培训和考试合格,取得特种作业操作证的电气焊工,并持证上岗。(在有效期内)2、作业人...

