电脑桌面
添加小米粒文库到电脑桌面
安装后可以在桌面快捷访问

电焊气焊作业岗位安全操作规程及危险源辨识

电焊气焊作业岗位安全操作规程及危险源辨识_第1页
1/5
电焊气焊作业岗位安全操作规程及危险源辨识_第2页
2/5
电焊气焊作业岗位安全操作规程及危险源辨识_第3页
3/5
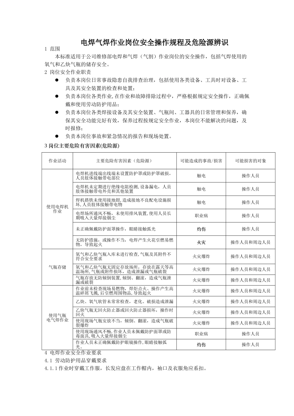
电焊气焊作业岗位安全操作规程及危险源辨识1 范围本标准适用于公司维修部电焊和气焊(气割)作业岗位的安全操作,包括气焊使用的氧气和乙炔气瓶的储存安全。2 岗位安全作业职责负责本岗位日常事故隐患自我排查治理,包括使用各类设备、工具时对设备、工具及其安全装置的检查和处置;负责本岗位各类作业,在作业和故障排除过程中,严格根据规定安全操作,正确佩戴和使用劳动防护用品;负责本岗位各类焊接设备及其安全装置、气瓶间、工器具的日常管理和保养,确保其安全功能完好有效,保养过程按规定安全作业,本岗位不能解决的问题,及时报修;负责本岗位事故和紧急情况的报告和现场处置。3 岗位主要危险有害因素(危险源)作业活动主要危险有害因素(危险源)可能造成的事故/损害可能损害的对象使用电焊机作业电焊机进线端出线端未设置防护罩或防护罩破损,人员肢体接触带电部位触电操作人员电焊机未定期进行绝缘电阻检测,设备漏电,人员肢体接触带电外壳和其他装置触电操作人员焊机搭铁未使用接地钳,造成接地不良配电设施损坏,人员肢体接触带电物触电操作人员电焊场所通风不畅,未使用排风装置,使用人员长期吸入大量焊接烟尘职业病操作人员未正确佩戴防护面罩操作,眼睛接触弧光灼伤操作人员无防护措施,或操作不当,电焊产生火花引燃易燃物,导致起火火灾操作人员和周边人员气瓶存储氧气和乙炔气瓶入库未进行检查,气瓶及其附件不符合安全要求火灾爆炸操作人员和周边人员氧气和乙炔气瓶无固定存放场所,存放在露天等高温场所,气瓶或附件损坏,造成泄漏或气瓶破裂火灾爆炸操作人员和周边人员气瓶存放无防倾倒装置,倾倒、翻滚,造成气瓶泄漏或破裂火灾爆炸操作人员和周边人员使用气瓶电气焊作业作业前未检查现场易燃物,焊炬点火、操作产生高温碎屑飞溅,后引燃周围物品,导致起火火灾爆炸操作人员和周边人员乙炔、氧气软管未常常检查,老化、破损造成泄漏火灾爆炸操作人员和周边人员乙炔气瓶无回火防止器或回火防止器损坏,操作时回火火灾爆炸操作人员和周边人员使用现场气瓶安放不当,倾倒、翻滚,造成气瓶破裂爆炸火灾爆炸操作人员和周边人员使用现场通风不畅,作业人员未佩戴防护面罩或防毒面具,吸入大量焊接烟尘职业病操作人员作业人员未正确佩戴防护眼镜操作,眼睛接触弧光。灼伤操作人员4 电焊作业安全作业要求4.1 劳动防护用品穿戴要求4.1.1 作业时穿戴工作服,长发应盘在工作帽内,袖口及衣服角应系扣。4。1。2 焊接作业时应佩戴防...

1、当您付费下载文档后,您只拥有了使用权限,并不意味着购买了版权,文档只能用于自身使用,不得用于其他商业用途(如 [转卖]进行直接盈利或[编辑后售卖]进行间接盈利)。
2、本站所有内容均由合作方或网友上传,本站不对文档的完整性、权威性及其观点立场正确性做任何保证或承诺!文档内容仅供研究参考,付费前请自行鉴别。
3、如文档内容存在违规,或者侵犯商业秘密、侵犯著作权等,请点击“违规举报”。

碎片内容

电焊气焊作业岗位安全操作规程及危险源辨识

您可能关注的文档

范哲铺+ 关注
实名认证
内容提供者

想你所想,急你所急,你需要的都在店铺里可以找到。

确认删除?
VIP
微信客服
  • 扫码咨询
会员Q群
  • 会员专属群点击这里加入QQ群
客服邮箱
回到顶部