电脑桌面
添加小米粒文库到电脑桌面
安装后可以在桌面快捷访问

电焊工作业人员安全技术培训大纲和考核标准

电焊工作业人员安全技术培训大纲和考核标准_第1页
1/4
电焊工作业人员安全技术培训大纲和考核标准_第2页
2/4
电焊工作业人员安全技术培训大纲和考核标准_第3页
3/4
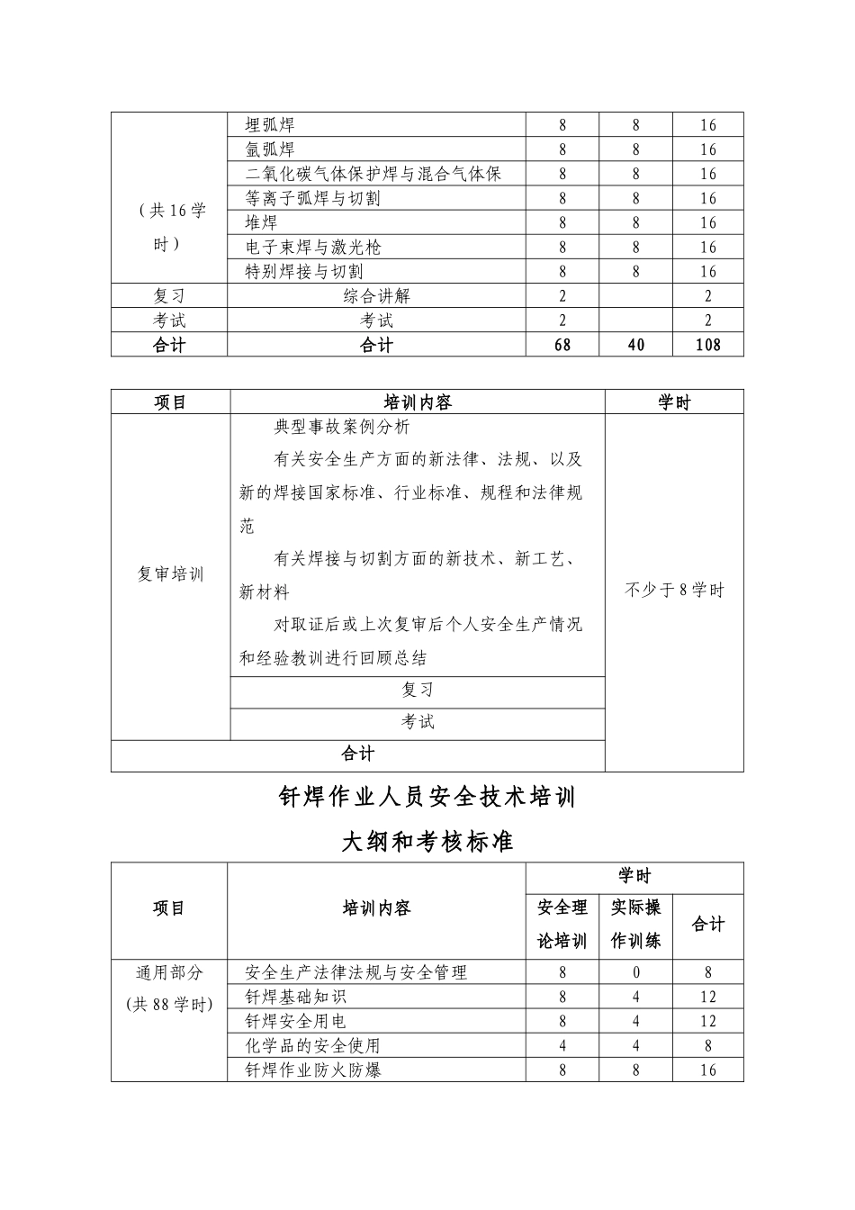
压力焊作业人员安全技术培训大纲和考核标准项目培训内容学时安全技术理论实际操作训练合计通用部分(共 88学时)安全生产法律法规与安全808压焊基础知识8412压焊安全用电8816化学品的安全使用404压焊作业防火防爆8816通过压焊工艺8816压焊劳动卫生与防护12416小计563288选学部分(共 16学时)电阻焊8816摩擦焊8816扩散焊8816超声波焊8816爆炸焊8816冷压焊8816气压焊8816高频焊与电容储能焊8816复习综合讲解22考试考试22合计合计6840108项目培训内容学时复审培训典型事故案例分析有关安全生产方面的新法律、不少于 8 学法规、以及新的焊接国家标准、行业标准、规程和法律规范有关压焊方面的新技术、新工艺、新材料对取证后或上次复审后个人安全生产情况和经验教训进行回顾总结时复习考试合计项目培训内容学时安全理论培训实际操作训练合计通用部分(共 88 学时)安全生产法律法规与安全管理808焊接与切割基础知识8412焊接与切割安全用电82412化学品的安全使用846焊接与切割作业防火防爆12816焊接与切割作业劳动卫生与防护8416通用熔化焊与热切割工艺2816特别焊接与切割作业安全技术5602合计83288选学部分气焊气割8816焊条电弧焊与碳弧气刨、切割8816(共 16 学时)埋弧焊8816氩弧焊8816二氧化碳气体保护焊与混合气体保护焊8816等离子弧焊与切割8816堆焊8816电子束焊与激光枪8816特别焊接与切割8816复习综合讲解22考试考试22合计合计6840108 项目培训内容学时复审培训典型事故案例分析有关安全生产方面的新法律、法规、以及新的焊接国家标准、行业标准、规程和法律规范有关焊接与切割方面的新技术、新工艺、新材料对取证后或上次复审后个人安全生产情况和经验教训进行回顾总结不少于 8 学时复习考试合计钎焊作业人员安全技术培训大纲和考核标准项目培训内容学时安全理论培训实际操作训练合计通用部分(共 88 学时)安全生产法律法规与安全管理808钎焊基础知识8412钎焊安全用电8412化学品的安全使用448钎焊作业防火防爆8816通用钎焊工艺8816钎焊作业劳动卫生与防护12416小计563288选学部分(共 16 学时)火焰钎焊8816电阻钎焊8816感应钎焊8816浸渍钎焊8816炉中钎焊8816电弧钎焊与碳弧钎焊8816复习综合讲解22考试考试22合计合计6840108 项目培训内容学时复审培训典型事故案例分析有关安全生产方面的新法律、法规、以及新的焊接国家标准、行业标准、规程和法律规范有关压焊方面的新技术、新工艺、新材料对取证后或上次复审后个人安全生产情况和经验教训进行回顾总结不少于 8 学时复习考试合计

1、当您付费下载文档后,您只拥有了使用权限,并不意味着购买了版权,文档只能用于自身使用,不得用于其他商业用途(如 [转卖]进行直接盈利或[编辑后售卖]进行间接盈利)。
2、本站所有内容均由合作方或网友上传,本站不对文档的完整性、权威性及其观点立场正确性做任何保证或承诺!文档内容仅供研究参考,付费前请自行鉴别。
3、如文档内容存在违规,或者侵犯商业秘密、侵犯著作权等,请点击“违规举报”。

碎片内容

电焊工作业人员安全技术培训大纲和考核标准

您可能关注的文档

确认删除?
VIP
微信客服
  • 扫码咨询
会员Q群
  • 会员专属群点击这里加入QQ群
客服邮箱
回到顶部