目 录第一章 工程概述第二章 施工组织机构第三章 施工现场平面布置第四章 施工总进度计划及进度保证措施第五章 施工资源配备计划第六...
施工组织设计文件第一章 施工组织总说明1.1、编制说明首先,我单位诚恳的表示:我们完全接受招标文件提出的有关质量、工期、安全、文明施...
投标代表: 批准人: 审核人: 编制人:目 录一、施工组织设计二、项目管理机构三、拟分包项目情况表四、偏差表一、施工组织设计目 录...
投标代表: 批准人: 审核人: 编制人:目 录一、施工组织设计二、项目管理机构三、拟分包项目情况表四、偏差表一、施工组织设计目 录...
目 录一、工程概况..................................................................................................- 1 -1、工程...
目 录第一章 工程总体概述及部署第二章 施工组织机构管理第一节 项目管理机构的建立第二节 项目管理机制第三节 管理机构职责划分第四...
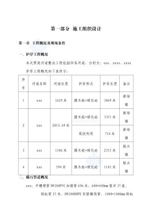
第一部分 施工组织设计第一章 工程概况及现场条件一、护岸工程概况本次黑臭河道整治工程包括四条河道,分别为:xxx、xxxx、xxxx护岸工程...
下载后可任意编辑城市文明指数测评方案与城市河道综合治理工作沟通材料汇编城市文明指数测评方案为促进全市城市文明程度指数测评工作顺利开...
下载后可任意编辑城市开放创新工作方案与城市河道综合治理工作沟通材料汇编城市开放创新工作方案20**年,市开放创新工作要主动适应和引领经...
下载后可任意编辑城市建设管理体制改革实施方案与城市河道综合治理工作沟通材料汇编城市建设管理体制改革实施方案为加快推动城市基础设施、...
河道黒臭整治工作计划 为认真贯彻落实 10 月 8 日召开的区河道黑臭整治工作动员大会精神,实现“到年年底前基本消除全区境内河道黑臭...
2012 年度洪泽县仁和镇农村河道疏浚整治工程施工组织设计编制单位:洪泽县第四建筑安装工程有限公司编制日期: 2011 年 12 月 18 日...
1 1 治理标准的确定原则(1)与前置性规划文件相协调的原则。对于农村河道综合整治规划而言,区域的总体规划、 水资源综合规划、 流域...
农村河道整治三年行动计划工作方案(20xx~20xx年)为贯彻落实党的十八大精神,发挥水利在建设生态XX中的支撑作用,促进全区经济社会又好又...
**************防护区回填垫高防护工程施工组织设计********有限公司年月日施工组织设计第一章 工程概况及编制依据一、工程概况姜家河坝、...
目 录第一章 概况1.1 工程概况--------------------------------------------------41.2 本工程施工范围-----------------------------...
目 录第一章、编制说明………………………………………………………………001第二章、工程项目简介………………………………………………...
项目总投资估算本项目投资估算依据现行的有关文件要求编制,其中河道整治工程和控源截污工程投资估算主要参考《市政工程投资估算指标》以及...
[金华]乡镇河道两岸绿化景观工程施工组织设计第一章 编制总说明一、编制依据依照 ISO9000:2000 版标准和公司相关程序,依照工程所涉及...
施工组织设计方案编制:审核:批准:目 录 第一章编制依据、原则及范围-----------------------------------------------2第二章 工程概...

