成都轨道交通10号线二期工程土建施工7标段板桥车辆段物资总库高支模安全专项施工方案编制审核审批中铁十二局集团有限公司成都轨道交通10号...
第1页共4页编号:_____物资管理监察自检自查总结学校:_________教师:_____________年___月___日(此文内容仅供参考,可自行修改)物资管...
华电国际电力股份有限公司物资仓储管理规范(试行)二○一三年十二月1说明为改进仓库管理,加强物资保管保养,提高仓容利用率,减少和杜绝...
第160页共7页编号:时间:2021年x月x日书山有路勤为径,学海无涯苦作舟页码:第160页共7页第十章物业管理物资装备计划概述:香格里拉城市花...
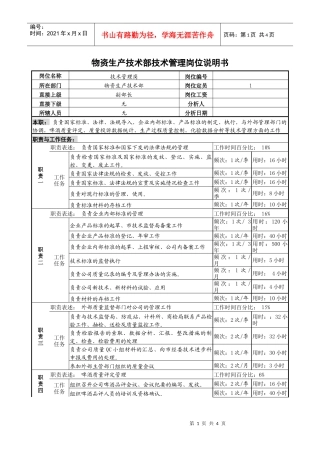
第1页共4页编号:时间:2021年x月x日书山有路勤为径,学海无涯苦作舟页码:第1页共4页物资生产技术部技术管理岗位说明书岗位名称技术管理岗...
第1页共5页【仅供参考】2024年12月物资公司纪检监察工作总结部门:_________姓名:_____________年___月___日(此文内容仅供参考,可自行修...
项目部物资工作总结及工作计划一、项目总体情况概述1、工程概况新建XX至华中地区铁路煤运通道工程MHTJ—1标段,位于内蒙古自治区鄂尔多斯市...
第1页共12页编号:时间:2021年x月x日书山有路勤为径,学海无涯苦作舟页码:第1页共12页更多资料请访问.(.....)更多企业学院:...../Shop...
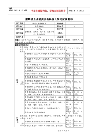
第1页共3页编号:时间:2021年x月x日书山有路勤为径,学海无涯苦作舟页码:第1页共3页某啤酒企业物资设备科科长岗岗位说明书岗位名称物资设...
物资计划采购治理方法范文物资计划、采购治理方法范围本方法规定了物资计划、采购工作原那么。本方法适用于公司物资计划申报部门和物资采购...
第1页共5页编号:时间:2021年x月x日书山有路勤为径,学海无涯苦作舟页码:第1页共5页某啤酒企业物资生产技术部部长岗岗位说明书岗位名称物...
目录第一章编制依据和原则-------------------------------------------------01第二章工程概况-----------------------------------------...
****股份有限公司物资管理部管理大纲****股份有限公司物资管理部批准:日期:总目录1、管理结构图1.1物资管理部组织结构图2、物资管理部管...
第1页共5页编号:时间:2021年x月x日书山有路勤为径,学海无涯苦作舟页码:第1页共5页物资生产技术部设备管理岗岗位说明书岗位名称设备管理...
2024年12月企业信访工作总结与2024年12月企业物资管理工作总结汇编2024年12月企业信访工作总结XX年以来,公司信访工作在林管局信访处、公司...
第1页共4页编号:_____物资采购部员工年终工作总结学校:_________教师:_____________年___月___日(此文内容仅供参考,可自行修改)物资...
第十章道路运输物资管理学习目标:通过本章学习,明确物资管理的意义及其分类,物资的消耗定额和储备定额,物资的采购和库存控制。重点掌握...
建筑施工物资租赁合同合同编号:_________出租人:______签订地点:_________承租人:______签订时间:__...
第1页共5页编号:时间:2021年x月x日书山有路勤为径,学海无涯苦作舟页码:第1页共5页巴南送出110KV金泥线花红站至T接点工程物资信息序号名...
附件:宁波市卫生应急物资储备调查摸底表单位:(盖章)日期:种类名称储备数量单价储备周期一、个人防护防护服(ABCD四级)套疾控填报防护...

