能源因素识别与评价 1、 能源因素的识别 (1) 识别的范围: 活动 设计开发、生产制造、动力提供、余热回收、办公等 产品 汽车耗油...
联想集团视觉识别系统指导手册联想VI手册(63页
联想集团视觉识别系统VI
第 9章 光学字符识别技术(上) 光学字符识别技术是计算机自动、高速地辨别纸上的文字,并将其转化为可编辑的文本的一项实用技术。它是...
1/6第二章客户身份识别第一节客户身份识别的基础知识一、客户身份识别的重要性1.概念客户身份识别,也称“了解你的客户”,即履行反洗钱义...
第2章品牌识别及品牌符号
第16章语种识别
1 第十四章 说话人识别 14.1 概述 说话人识别和指纹识别、虹膜识别等一样,属于生物识别的一种,被认为是最自然的生物特征识别身份鉴...
一、线材规格 1. 线材规格:国标规格 目前使用有 AVR、BVR、RV 等类型; 如:BVR4.0 其中 BVR 代表线材的类型,4.0 代表线材的线...
*窗帘种类识别及面料基础知识目录 一、窗帘种类识别 1 .成品帘 1 .1 卷帘 1 .2 折帘 1 .3 垂直帘 1 .4 百页帘 2 .布艺帘...
如何通过会计报表识别分析税收风险(下)铂 略 电 话 会议2014年4月16日目录PART ONE税收风险分析程序分税种构建本企业的税收风险分...
8、 移动平均线图形的识别技巧 8.1 移动平均线的含义和种类 8.2 移动平均线的基本图形 移动平均线 大家晚上好,欢迎来到所罗门 QQ...
种子植物常见111科精要识别特征
种子植物常见1 0 0 余科的识别特征 一、裸子植物 1 、苏铁科:常绿木本,茎通常无分支;叶二形,鳞叶小,被褐色毛,营养叶大,羽状深...
正确识别患者身份的管理(一)病人身份确认制度及程序1.为了医疗安全来院就诊的每位病人必须如实填写门诊病历和住院病历首页上的身份信息,...
希捷/ 迈拓/ 西数/ 日立/ 三星 硬盘编号的含义 目前我们在市场上见到的硬盘大多都是希捷(Seagate)、迈拓(Maxtor)、...
希捷(Seagate),日立(HITACHI),迈拓(Maxtor),西部数据(Western Digital)和三星(Samsung) 一、希捷( Seagate) Seagate ...
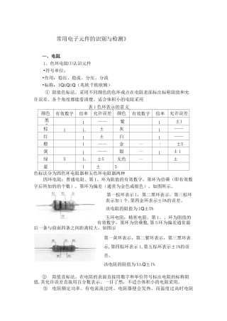
常用电子元件的识别与检测》—、电阻1、色环电阻⑴认识元件•符号单位:•作用:稳压、稳流、分压、分流•标称:1Q1Q1Q(兆欧千欧欧姆)①...
第一章前言部分1.1 课程项目背景与意义1.1.1 课程项目背景视觉是各个应用领域,如制造业、检验、文档分析、医疗诊断,和军事等领域中各种...
1.DDDDDDDDDDDDDDDDDDDDDDDDDDDDDDDDDDDDDDDDDDDDDDDDDDDDDDDDDDDDDDDDDDDDDDDDDDDDDDDDDDDDDDDDDDDDDDDDDDDDDDDDDDDDDDDDDDDDDDDDDDDDDDDD...

