循环经济工业区招商引资工作方案根据工业区工委、管委2011年的工作安排意见,为进一步加快我区整体开发建设步伐,切实加大招商引资力度,扩...
工业区消防演习方案恒富物业hengfupropertiesservicesco.,ltdqeo记录富力又一城bc区管理处消防演练方案一、发生火警时应如何处理1、了解火...
精选工业区工业废气污染整治方案为切实加强工业区(镇)工业废气污染防治,着力解决广阔群众关注工业废气污染问题,有效减少废气污染投诉数...
第1页共4页编号:_____工业区工作总结及工作计划学校:_________教师:_____________年___月___日(此文内容仅供参考,可自行修改)工业区...
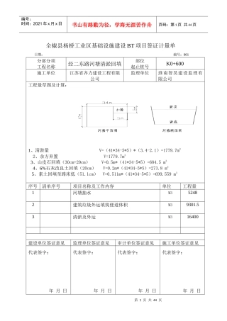
第1页共44页编号:时间:2021年x月x日书山有路勤为径,学海无涯苦作舟页码:第1页共44页全椒县杨桥工业区基础设施建设BT项目签证计量单日期...
XX市东部老工业区搬迁改造及落后产能淘汰行动实施方案2011年工业节能及淘汰落后产能工作方案今年是“十二五”的开局之年,上级下达我县节能...
第1页共100页编号:时间:2021年x月x日书山有路勤为径,学海无涯苦作舟页码:第1页共100页绍兴县滨海工业区新三江大桥施工组织设计目录第1...
循环经济工业区招商引资工作方案大力发展循环经济建设生态工业园区济宁高新技术产业开发区成立于1991年,1992年被省政府批准为省级开发区。...
天宁工业区企业违章建筑排摸整治方案XX县区XX县区违章临时建筑专项整治工作方案为排除县XX县区交通安全隐患,保障广大市民人身安全,根据县...
工业区消防演习方案消防演习方案时间:地点:饭店(内部)人员:公司全体员工具体灭火小组:义务消防队内容:拟(饭店某处着火)、楼面拟一...
XX年工业区禁毒工作实施方案尚德镇禁毒工作方案按照全县禁毒工作的安排部署和要求,根据我镇的现状,为切实抓好我镇2011年的禁毒工作,特制...
目录一、工程建设概况.................................................................................................................
目录第一章编制说明................................................................4第二章工程概况....................................
第1页共37页编号:时间:2021年x月x日书山有路勤为径,学海无涯苦作舟页码:第1页共37页深圳市龙岗大工业区出口加工区物流联盟规划深圳市博...
深圳龙岗大工业区出口加工区物流园区规划目录一、前言...................................................................................
第1页共34页编号:时间:2021年x月x日书山有路勤为径,学海无涯苦作舟页码:第1页共34页深圳市龙岗大工业区出口加工区物流联盟规划深圳市博...
第1页共37页编号:时间:2021年x月x日书山有路勤为径,学海无涯苦作舟页码:第1页共37页深圳市龙岗大工业区出口加工区物流联盟规划深圳市博...
桃園科技工業區廠房用地申購書申購人名稱:○○○申購人地址:○○○申購人電話:○○○桃園科技工業區廠房用地申購書一、土地申請書二、申...
循环经济工业区XX年招商引资工作活动方案根据工业区工委、管委xx年的工作安排意见,为进一步加快我区整体开发建设步伐,切实加大招商引资力...
XX市东部老工业区搬迁改造及落后产能淘汰行动实施方案为贯彻落实省、市、县的要求,加快推进我镇淘汰落后产能工作,完成节能减排和产业结构...

