专业合同封面COUNTRACTCOVER20XXPERSONALRESUME甲方:XXX乙方:XXX2024年标准型冷却塔设备采购协议范本本合同目录一览第一条定义与术语解释...
专业合同封面COUNTRACTCOVER20XXPERSONALRESUME甲方:XXX乙方:XXX2024年版专业冷却塔维护保养服务协议模板一本合同目录一览1.服务内容1.1...
专业合同封面COUNTRACTCOVER20XXPERSONALRESUME甲方:XXX乙方:XXX冷却塔综合服务承包:2024年版专业协议一本合同目录一览第一条定义与术语...
专业合同封面COUNTRACTCOVER20XXPERSONALRESUME甲方:XXX乙方:XXX标准型冷却塔维修保养协议样本(2024版)一本合同目录一览1.合同主体及定...
1、什么是冷却塔?冷却塔是用水作为循环冷却剂,从系统中吸收热量排放至大气中,以降低水温的装置;是利用水与空气流动接触后进行冷热交换...
招标范围及技术要求1、招标范围冷却塔(方形横流式)的供货、安装调试及维保。2、技术要求2.1产品名称型号技术参数及数量名称设计型号设计...
南昌佳绿环保噪声治理工程项目泰豪集团冷却塔噪声治理工程介绍一、项目名称:泰豪集团冷却塔噪声治理工程二、项目编号:NCJL1522三、项目地...
江苏海鸥冷却塔股份有限公司NH系列逆流式钢混结构冷却塔运行维护说明书注:1、冷却塔应由专业的技术人员进行安装及调试2、使用前请熟读该手...
-----冷却塔原理-----A.简介:冷却塔为一利用水作为循环冷却剂,从一系统中吸收热量排放至大气中,以降低水温的装置;其冷却系借着水的蒸发...
PAGE\*MERGEFORMAT7控制器执行机构被控对象-测量变送器——设定值冷却塔液位控制系统[摘要]液位控制是常见的工业过程控制之一,它广泛运用...
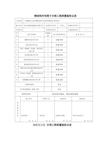
钢结构冷却塔子分部工程质量验收记录工程名称广西灌阳县文市冶炼园区铁合金余热资源综合利用项目施工单位西安华新新能源股份有限公司技术部...
上海烟草(集团)公司天津卷烟厂“十一五”技改动力中心冷却塔设备采购项目合同1.设备组成1.1设备原产地及制造厂家广东省广州市/斯必克(...
永济新时速电机电器有限责任公司冷却塔招标文件投标书项目名称:方型横流式低噪音冷却塔投标单位:侯马市新城建筑安装有限公司投标单位全权...
绍兴江滨热电厂冷却塔消缺方案目录一、检查情况..............................................................................1二、原...
1冰凉冷却塔北京冰凉冷却塔设计研究院冷却塔填料清洗施工方案使用单位:施工单位:施工日期:冷却塔填料清洗方案一、概述xxxxxxxxxxxxxxxxxx...
FirstcompliancereviewoftheapplicationoftheappraisalCommittee,onlythroughthecompliancereviewoftheapplicationtotakepartinadetailedre...
冷却塔使用维护手册目录第一部分、冷却塔试车规程/2(一)启动前的准备工作/2(二)启动/3(三)运行注意事项/3第二部分、冷却塔的调试/4第...
用户使用维护手册第1页共6页冷却塔使用维护说明书一、冷却塔的工作原理该设备是一种机力通风型冷却设备,其工作原理是把需要冷却处理的水压...
冷却塔使用、维护、维修SOP1目的:建立冷却塔使用、维护、维修标准操作程序。2适用范围:本标准适用于冷却塔使用、维护和维修。3职责:维修...
山东浩宇能源有限公司山东浩宇能源有限公司160T/h160T/h干熄焦工程干熄焦工程25002500㎡冷却塔冷却塔施工组织设计㎡冷却塔冷却塔施工组织设...

