目录一、编制依据..............................................1二、工程概况..............................................1三、施工...
电梯维保方案计划书以人为本,客户为先,诚实守信!客户名称:璧山地区所属电梯项目名称:电梯维保联系人:伍勇联系电话:13452890803服务...
2024年电教工作计划范文与2024年电梯销售工作计划范文汇编2024年电教工作计划范文在学校领导的支持下,我组课题正顺利进行着,我们在学习理...
第1页共42页编号:时间:2021年x月x日书山有路勤为径,学海无涯苦作舟页码:第1页共42页电梯相关管理制度范例1.电梯维修保养制度;2.使用和...
项目名称:厦门火炬(翔安)通用厂房一期电梯维修保养工程投标文件招标人:厦门火炬集团物业管理有限公司投标人:厦门中兰通电梯工业有限责...
中国建筑第七工程局有限公司CHINACONSTRUCTIONSEVENTHENGINEERINGDIVISION.CORP.LTD施工电梯基础与上料平台施工方案2017年7月28日永丰产业...
第1页共39页编号:时间:2021年x月x日书山有路勤为径,学海无涯苦作舟页码:第1页共39页编号:管城区十里铺城中村改造项目B-07-01、B-08-01...
电梯应急救援预案上海永大电梯安装维修有限公司目录前言…………………………………………………………………………………………21.总则…...
2024年电梯、起重机、叉车检验个人工作总结律回春辉渐,万象始更新。转眼间告辞2024。回顾过往的一年里,我们有付出也有收获。工作中在单位...
式起重机和梯气控制件•式起重机和梯气控制述•式起重机和梯气控制基•式起重机和梯气控制基•式起重机和梯气控制不•式起重机和梯气控制•...
受控编号方案编号武汉铁路局经济适用房项目(东湖新城C地块)(东湖·雅苑)施工升降机基础施工方案编制:_____________审核:_____________...
第1页共5页编号:_____电梯维修保养部门工作总结学校:_________教师:_____________年___月___日(此文内容仅供参考,可自行修改)电梯维...
乘客电梯AVP-GTW(无齿轮)系列土建技术参数图号(下载图号)型号载客量(kg)乘客人数速度m/s轿厢内尺寸(宽)×(深)×(高)开门尺寸中分井道尺...
施工电梯基础施工方案编制人:编制人:审核人:审核人:审批人:审批人:2017年6月目录第一章编制依据......................................
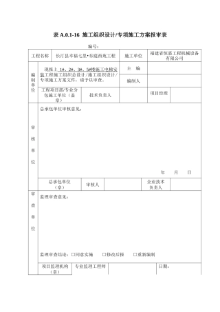
表A.0.1-16施工组织设计/专项施工方案报审表编号:工程名称长汀县幸福七里•东庭西苑工程施工单位福建省恒嘉工程机械设备有限公司编制单位...
士多功能端及梯运行状采集•电梯卫士多功能终端介绍•电梯运行状态采集仪介绍•电梯卫士多功能终端与电梯运行状态采集仪的应用场景目录•电...
第1页共4页【仅供参考】2024年电梯销售工作计划部门:_________姓名:_____________年___月___日(此文内容仅供参考,可自行修改)2024年电...
第1页共7页2024电梯销售年终工作总结2024电梯销售年终工作总结2024电梯销售年终工作总结(一)1:对于老客户,要常常保持联系,在有时间有...
2024年电工班下半年工作计划范文与2024年电梯销售工作计划汇编2024年电工班下半年工作计划范文xx年上半年已经过去,虽然我们完成了上半年的...
第1页共4页编号:_____电梯培训总结范文学校:_________教师:_____________年___月___日(此文内容仅供参考,可自行修改)电梯培训总结范...

