电脑桌面
添加小米粒文库到电脑桌面
安装后可以在桌面快捷访问

高级技师钳工技能考试试题VIP免费

高级技师钳工技能考试试题_第1页
1/7
高级技师钳工技能考试试题_第2页
2/7
高级技师钳工技能考试试题_第3页
3/7
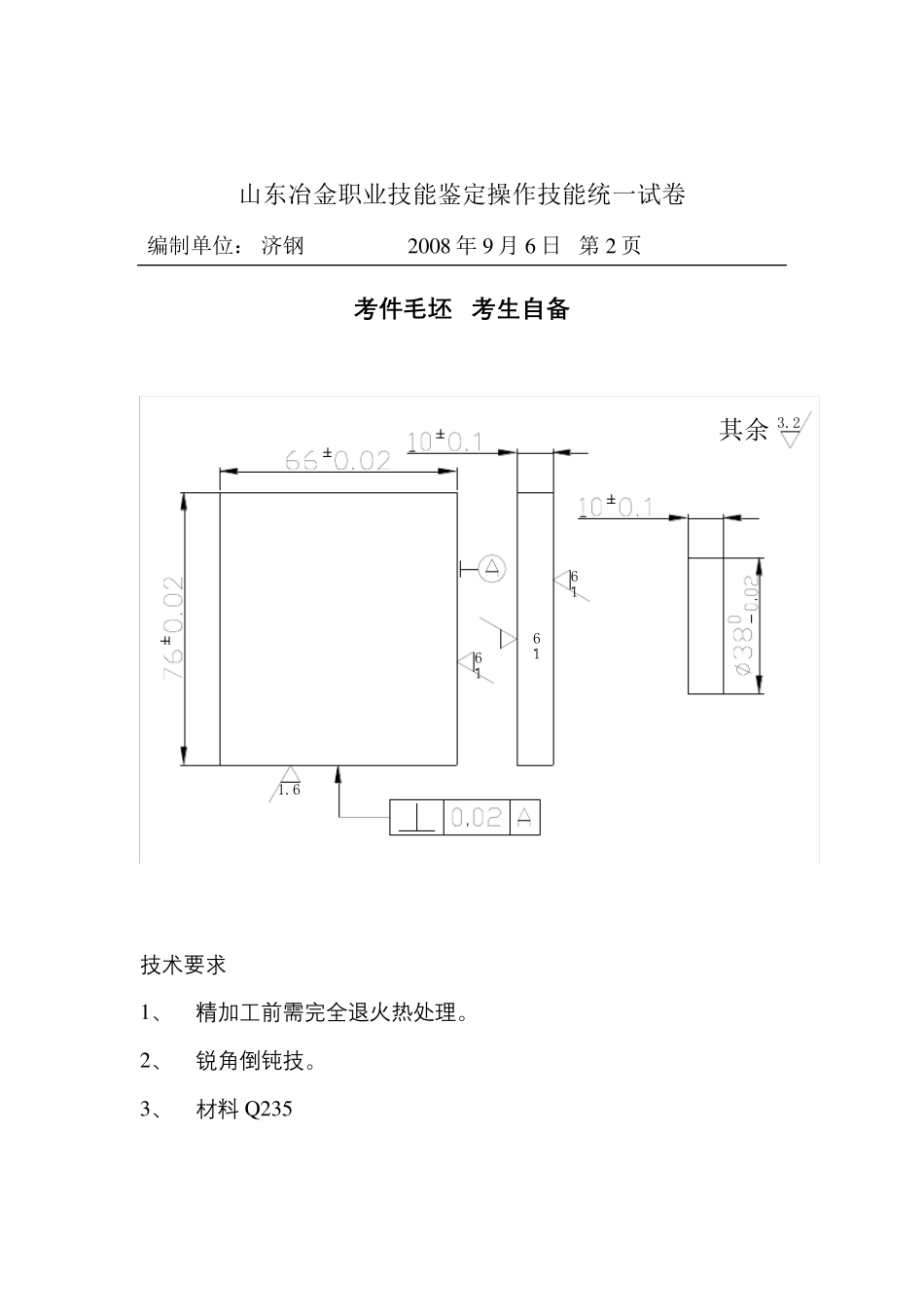
高级技师钳工技能考试试题 Modified by JACK on the afternoon of December 26, 2020 山东冶金职业技能鉴定操作技能统一试卷 编制单位: 济钢 2008 年9 月6 日 第1 页 高级技师钳工技能考试准备通知单 类别 序号 名 称 规 格 精度 数量 备注 量具 1 外径千分尺 0 ~25 、25 ~50 、50~75 0.01mm 各1件 考生准备 2 游标卡尺 0~150mm 0.02mm 1 件 考生准备 3 高度游标卡尺 0~300mm 0.02mm 1 件 准备考生 4 万能角度尺 0°~320° 2′ 1 件 准备考生 5 90°角尺 63 或125 1 级 1 件 准备考生 6 刀口直尺 125 1 级 1 件 准备考生 7 光面塞规 Φ10H7 2 件 准备考生 8 塞尺 ~0.5mm 1 件 准备考生 9 正弦规 100 或200 准备考生 10 百分表(带表座) 0~3mm 0.01mm 1 件 准备考生 工具 11 平锉 300(1#)、250(2#) 200(3#)、150(2#、3#) 各1件 准备考生 12 三角锉 200(2#)、150(3#、4#) 各1件 准备考生 13 什锦锉 1 件 准备考生 14 小扁錾 刃口宽约10mm 1 件 准备考生 15 直柄麻花钻 Φ4、Φ5、Φ8、Φ 各1件 准备考生 16 铰刀(带铰杠) Φ10H7 1 件 准备考生 17 钢球 Φ 1 件 准备考生 18 软钳口、手锯、锯条、V 型铁、手锤、样冲、划规、划针、锉刀刷、钢板尺 准备考生 山东冶金职业技能鉴定操作技能统一试卷 编制单位: 济钢 2008 年9 月6 日 第2 页 考 件毛 坯 考 生 自 备 1.61.61.63.2其余1.6 技 术 要 求 1、 精 加 工 前 需 完 全 退 火 热 处 理 。 2、 锐 角 倒 钝 技 。 3、 材 料 Q235 山东冶金职业技能鉴定操作技能统一试卷 编制单位: 济钢 2008 年9 月6 日 第4页 考 试 题 附 图 G-I。 锯缝件2件16.3其余1.6两处 山东冶金职业技能鉴定操作技能统一试卷 编制单位: 济钢 2008 年9 月6 日 第5页 考 试 题 附 图 G-II。 六处1.6其余六面三处 1、件 2 配 合 面 按 件 1 配 做 , 锐 边 倒 圆 2 件 1 转 位 六 次 , 六 次 通 过 Φ5 滚 珠 3 切 开 锯 缝 , 六 面 配 合 ( 翻 转 180°配 合 ) 间 隙 4 锉 配 及 孔 加 工 不 允 许 使 用 样 板 、钻 模 及 靠 导 等 辅 助 工 具 。 山东冶金职业技能鉴...

1、当您付费下载文档后,您只拥有了使用权限,并不意味着购买了版权,文档只能用于自身使用,不得用于其他商业用途(如 [转卖]进行直接盈利或[编辑后售卖]进行间接盈利)。
2、本站所有内容均由合作方或网友上传,本站不对文档的完整性、权威性及其观点立场正确性做任何保证或承诺!文档内容仅供研究参考,付费前请自行鉴别。
3、如文档内容存在违规,或者侵犯商业秘密、侵犯著作权等,请点击“违规举报”。

碎片内容

高级技师钳工技能考试试题

确认删除?
VIP
微信客服
  • 扫码咨询
会员Q群
  • 会员专属群点击这里加入QQ群
客服邮箱
回到顶部