电脑桌面
添加小米粒文库到电脑桌面
安装后可以在桌面快捷访问

广州数控GSK218M加工中心系统介绍VIP免费

广州数控GSK218M加工中心系统介绍_第1页
1/6
广州数控GSK218M加工中心系统介绍_第2页
2/6
广州数控GSK218M加工中心系统介绍_第3页
3/6
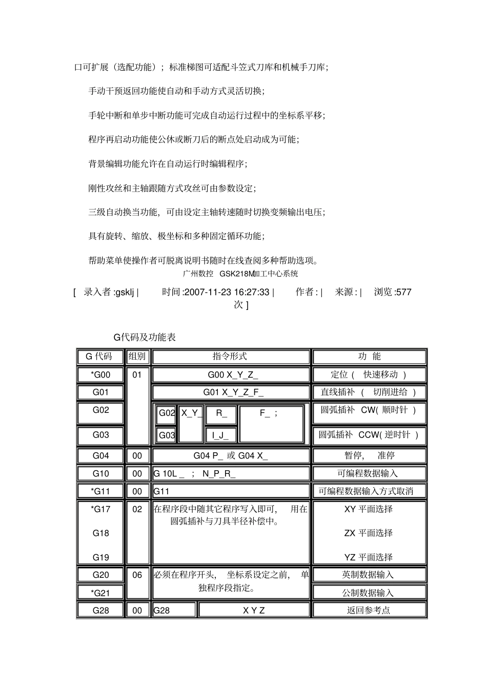
[ 录入者 :gsklj | 时间 :2007-11-23 16:27:33 | 作者 : | 来源 : | 浏览 :576次 ] 产品简介GSK 218M 为广州数控自主研发的普及型数控系统( 适配加工中心及普通铣床) ,采用 32 位高性能的 CPU和超大规模可编程器件FPGA,实时控制和硬件插补技术保证了系统μ m级精度下的高效率,可在线编辑的PLC使逻辑控制功能更加灵活强大。产品特点系统标准配置为四轴三联动,旋转轴可由参数设定;本系统最高定位速度可达30 米/ 分,最高插补速度达15 米/ 分;直线型、指数型和 S 型多种加减速方式可选择;具有双向螺距误差补偿、反向间隙误差补偿、刀具长度补偿、刀具半径补偿功能;提供多级密码保护功能,方便设备管理;中、英文界面可参数选择;程序区空间为56M,最大可存储400 个程序,支持后台编辑功能;具有标准 RS232及 USB接口功能,可实现 CNC与 PC机双向传输程序、 参数及 PLC程序;具有 DNC控制功能,波特率可参数设定;内置 PLC,实现机床的各种逻辑功能控制;梯形图可在线编辑、 上传、下载; I/O口可扩展(选配功能);标准梯图可适配斗笠式刀库和机械手刀库;手动干预返回功能使自动和手动方式灵活切换;手轮中断和单步中断功能可完成自动运行过程中的坐标系平移;程序再启动功能使公休或断刀后的断点处启动成为可能;背景编辑功能允许在自动运行时编辑程序;刚性攻丝和主轴跟随方式攻丝可由参数设定;三级自动换当功能,可由设定主轴转速随时切换变频输出电压;具有旋转、缩放、极坐标和多种固定循环功能;帮助菜单使操作者可脱离说明书随时在线查阅多种帮助选项。广州数控 GSK218M加工中心系统[ 录入者 :gsklj | 时间 :2007-11-23 16:27:33 | 作者 : | 来源 : | 浏览 :577次 ] G代码及功能表G 代码组别指令形式功 能*G00 01 G00 X_Y_Z_ 定位 ( 快速移动 ) G01 G01 X_Y_Z_F_ 直线插补 ( 切削进给 ) G02 G02 X_Y_ R_ F_ ;G03 I_J_ 圆弧插补 CW( 顺时针 ) G03 圆弧插补 CCW( 逆时针 ) G04 00 G04 P_ 或 G04 X_ 暂停,准停G10 00 G 10L _ ; N_P_R_ 可编程数据输入*G11 00 G11 可编程数据输入方式取消*G17 G18 G19 02 在程序段中随其它程序写入即可,用在圆弧插补与刀具半径补偿中。XY 平面选择ZX 平面选择YZ 平面选择G20 06 必须在程序开头, 坐标系设定之前, 单独程序段指定。英制数据输入*G21 公制数据输入G28 ...

1、当您付费下载文档后,您只拥有了使用权限,并不意味着购买了版权,文档只能用于自身使用,不得用于其他商业用途(如 [转卖]进行直接盈利或[编辑后售卖]进行间接盈利)。
2、本站所有内容均由合作方或网友上传,本站不对文档的完整性、权威性及其观点立场正确性做任何保证或承诺!文档内容仅供研究参考,付费前请自行鉴别。
3、如文档内容存在违规,或者侵犯商业秘密、侵犯著作权等,请点击“违规举报”。

碎片内容

广州数控GSK218M加工中心系统介绍

确认删除?
VIP
微信客服
  • 扫码咨询
会员Q群
  • 会员专属群点击这里加入QQ群
客服邮箱
回到顶部