电脑桌面
添加小米粒文库到电脑桌面
安装后可以在桌面快捷访问

广播扬声器布点及传输布线路由汇总VIP免费

广播扬声器布点及传输布线路由汇总_第1页
1/8
广播扬声器布点及传输布线路由汇总_第2页
2/8
广播扬声器布点及传输布线路由汇总_第3页
3/8
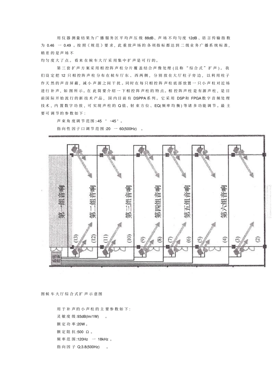
广播扬声器布点及传输布线路由编 辑 : 管 理 员浏 览 :91 时 间 : 2014-7-24广 播 扬 声 器 布 点 及 传 输 布 线 路 由1. 候 车 大 厅 广 播 扬 声 器 布 点通 过 甲 方 提 供 的 图 纸 文 件 , 结 合 勘 查 现 场 , 确 认 到 候 车 大 厅 长 138m、 宽 65m、 顶 棚 高 18m,厅 内 容 纳 旅 客 约 5000 位 。 日 常 营 运 时 , 现 场 实 测 到 本 底 噪 声 为 70dB 、 混 响 时 间 为9.6s(500Hz)。 为 此 , 设 计 了 3 种 典 型 方 案 进 行 实 地 比 较 试 验 。图 候 车 大 厅第 一 套 方 案 为 “ 分 散 式 ” 扩 声 。 分 散 式 扩 声 是 使 用 很 多 声 源 ( 扬 声 器 ) 均 匀 放 置 在 扩声 环 境 内 , 其 优 点 是 声 场 不 均 匀 度 值 小 , 缺 点 是 声 源 之 间 的 相 互 干 涉 会 影 响 语 言 清 晰 度 。我 们 在 候 车 厅 东 、 西 两 侧 各 均 匀 放 置 12 只 传 统 声 柱 , 中 间 每 只 间 隔 12 米 , 南 、 北两 端 离 墙 约 3 米 , 声 柱 悬 挂 处 高 10 米 , 声 柱 倾 斜 向 下 , 俯 角 为 200 , 如 图 所 示 。 声 柱 主 要参 数 如 下 : 灵 敏 度 级 :93dB(lm/1W)。额 定 功 率 :30Wo 额 定 电 压 :100 V o 频 率 范 围 :100Hz一 18kHzo 用 仪 器 测 量 结 果 为 广 播 服 务 区 平 均 声 压 级 88dB 、 声 场 不 均 匀 度 3dB、 语 言 传 输 指 数0.35一 0. 390“ 声 压 级 ” 和 “ 声 场 不 均 匀 度 ” 二 项 指 标 都 能 满 足 《 规 范 》 要 求 , “ 语 言 传输 指 数 ” 则 不 达 标 。第 二 套 方 案 采 用 “ 集 中 式 ” 扩 声 。 集 中 式 扩 声 的 优 点 是 声 源 之 间 的 干 涉 小 , 且 具 有良 好 的 方 向 感 , 缺 点 是 在 较 大 的 厅 堂 内 难 以 获 得 均 匀 的 声 压 级 , 或 者 说 声 场 不 均 匀 度 较 大 。本 案 例 用 8 只 阵列 音 箱 联 成 一 条 长 13.5m的 阵 列 ,吊 挂 在...

1、当您付费下载文档后,您只拥有了使用权限,并不意味着购买了版权,文档只能用于自身使用,不得用于其他商业用途(如 [转卖]进行直接盈利或[编辑后售卖]进行间接盈利)。
2、本站所有内容均由合作方或网友上传,本站不对文档的完整性、权威性及其观点立场正确性做任何保证或承诺!文档内容仅供研究参考,付费前请自行鉴别。
3、如文档内容存在违规,或者侵犯商业秘密、侵犯著作权等,请点击“违规举报”。

碎片内容

广播扬声器布点及传输布线路由汇总

文库当当响+ 关注
实名认证
内容提供者

该用户很懒,什么也没介绍

确认删除?
VIP
微信客服
  • 扫码咨询
会员Q群
  • 会员专属群点击这里加入QQ群
客服邮箱
回到顶部