电脑桌面
添加小米粒文库到电脑桌面
安装后可以在桌面快捷访问

2024新版体系内审检查表VIP免费

2024新版体系内审检查表_第1页
1/15
2024新版体系内审检查表_第2页
2/15
2024新版体系内审检查表_第3页
3/15
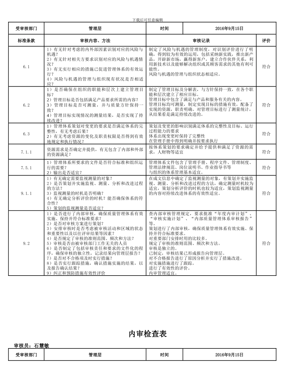
下载后可任意编辑内审检查表审核员: 受审核部门管理层时间2016年9月15日标准条款审核内容、方法审核记录评价4.11)组织在策划管理体系时有无考虑内外部环境的影响?2)有无对管理体系进行评估?组织进行了内外部各方面环境因素的识别考虑,并进行了综合评估,确定了体系建设的基本框架和进展策略符合4.23)有无确定与体系有关的相关方,包括顾客、供方(外包方)、合作方、上级主管部门、第三方等4)对这些相关方的要求是否确定并融入组织体系中识别确定了与体系有关的相关方,包括顾客、供方(外包方)、合作方、上级主管部门、第三方等将相关方的要求融入到了组织的体系当中,并确定了控制要求符合4.31、管理体系范围有无明确?2、有无形成文件?在什么文件中进行明确?3、是否适宜?在管理手册中确定了范围和边界较为明确,适宜符合4.41)管理体系过程有无确定?2)相互顺序、作用是否明了?3)对应需要的作业准则、方法、监视测量要求明确否?4)资源配置、职责权限是否确定?5)是否考虑风险和机遇,并运用?6)有无变更的策划,并改进的要求?7)成文信息是否适宜?管理体系过程确定适宜相互顺序、作用明了策划了作业准则、方法、监视测量要求策划了资源配置、职责权限确定进行了风险和机遇评价考虑了变更的改善,成文信息适宜符合5.1.18)询问最高管理者有无承担管理体系的责任?9)有无确保管理方针和目标的制定?是否适宜?有无沟通?资源配置是否满足?10) 体系融合度是如何考虑的?11) 过程方法和基于风险的思维运用程度如何?12) 有无跟踪结果?对相关事务有无落实?沟通中得知,最高管理者对市场及管理体系的敏感度较高,参加体系策划的过程确保管理方针和目标的制定,得到宣传和沟通配置了管理体系运行所需的资源体系管理基本与公司的各项管理相融合具备了基本的风险管理思维,过程方法得到初步的运用和实践能够跟踪体系运行的过程,了解管理运行状态符合5.1.21、如何体现满足顾客和法律、法规要求的重要性及资源投入情况2、询问如何理解以顾客为关注焦点产品质量、服务考虑顾客的需求。了解顾客的潜在要求,通过各种方式得到顾客的信息反馈,加以分析,用以提高顾客对公司的满意程度。对于顾客的要求及时地给予落实。不断向员工灌输“顾客是上帝”“顾客的要求永远是对的”等理念,满足顾客要求是企业最基本的事情,不断增强顾客满意是永远追求的目标。符合5.21)公司管理方针的制定、贯彻与沟通情况如何?与公司宗旨是否一致?2)质量方针是...

1、当您付费下载文档后,您只拥有了使用权限,并不意味着购买了版权,文档只能用于自身使用,不得用于其他商业用途(如 [转卖]进行直接盈利或[编辑后售卖]进行间接盈利)。
2、本站所有内容均由合作方或网友上传,本站不对文档的完整性、权威性及其观点立场正确性做任何保证或承诺!文档内容仅供研究参考,付费前请自行鉴别。
3、如文档内容存在违规,或者侵犯商业秘密、侵犯著作权等,请点击“违规举报”。

碎片内容

2024新版体系内审检查表

您可能关注的文档

文森传品+ 关注
实名认证
内容提供者

一家传播文化教育的小店,资料丰富,随意挑选。

相关文档

确认删除?
VIP
微信客服
  • 扫码咨询
会员Q群
  • 会员专属群点击这里加入QQ群
客服邮箱
回到顶部