电脑桌面
添加小米粒文库到电脑桌面
安装后可以在桌面快捷访问

工程洽商记录表VIP免费

工程洽商记录表_第1页
1/29
工程洽商记录表_第2页
2/29
工程洽商记录表_第3页
3/29
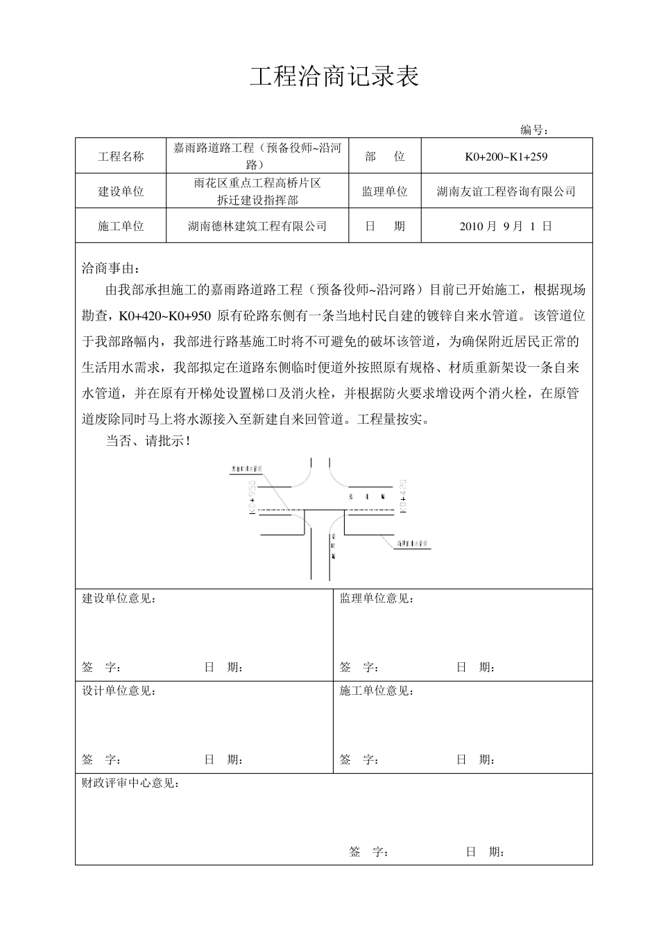
工程洽商记录表 编号: 工程名称 嘉雨路道路工程(预备役师~沿河路) 部 位 K0+200~K1+259 建设单位 雨花区重点工程高桥片区 拆迁建设指挥部 监理单位 湖南友谊工程咨询有限公司 施工单位 湖南德林建筑工程有限公司 日 期 2010 月 9 月 1 日 洽商事由: 由我部承担施工的嘉雨路道路工程(预备役师~沿河路)目前已开始施工,根据现场勘查,K0+420~K0+950 原有砼路东侧有一条当地村民自建的镀锌自来水管道。该管道位于我部路幅内,我部进行路基施工时将不可避免的破坏该管道,为确保附近居民正常的生活用水需求,我部拟定在道路东侧临时便道外按照原有规格、材质重新架设一条自来水管道,并在原有开梯处设置梯口及消火栓,并根据防火要求增设两个消火栓,在原管道废除同时马上将水源接入至新建自来回管道。工程量按实。 当否、请批示! 建设单位意见: 签 字: 日 期: 监理单位意见: 签 字: 日 期: 设计单位意见: 签 字: 日 期: 施工单位意见: 签 字: 日 期: 财政评审中心意见: 签 字: 日 期: 工程洽商记录表 编号: 工程名称 嘉雨路道路工程(预备役师~沿河路) 部 位 K0+200~K1+259 建设单位 雨花区重点工程高桥片区 拆迁建设指挥部 监理单位 湖南友谊资讯有限公司 施工单位 湖南德林建筑工程有限公司 日 期 2010 月 9 月 1 日 洽商事由: 由我部承担施工的嘉雨路道路工程(预备役师~沿河路)目前已开始施工,根据现场勘查,K0+400~K0+560 原有房屋旁分布着数条排水明沟,我部施工后,路幅内的明沟将废除,为确保周边居民生活污水排放及防止明沟内污水侵入到路基,影响施工,我部拟在K0+400~K0+620 东侧的临时居民通道内设置一道Φ800 钢筋砼管道作为周边居民生活污水排放管道,在原有明沟处设置预留管道及Φ1250 检查井,统一将污水排入K0+400原有排水管道内。 当否、请批示! 嘉雨路混砖砖混水 泥砖砖砖砖垃圾堆砖砖砖仓库仓库仓库仓库砖仓库砖砖砖仓库砖仓库砖仓库砖砖砖仓库仓库砖砖砖砖仓库仓库砖砖砖砖砖混水 泥水泥 建设单位意见: 签 字: 日 期: 监理单位意见: 签 字: 日 期: 设计单位意见: 签 字: 日 期: 施工单位意见: 签 字: 日 期: 财政评审 中 心 意见: 签 字: 日 期: 工程洽商记录表 编号: 工程名称 嘉雨路道路工程 (预备役师~沿河路) 部 位 K0+200~K1+259 建设单位 雨花...

1、当您付费下载文档后,您只拥有了使用权限,并不意味着购买了版权,文档只能用于自身使用,不得用于其他商业用途(如 [转卖]进行直接盈利或[编辑后售卖]进行间接盈利)。
2、本站所有内容均由合作方或网友上传,本站不对文档的完整性、权威性及其观点立场正确性做任何保证或承诺!文档内容仅供研究参考,付费前请自行鉴别。
3、如文档内容存在违规,或者侵犯商业秘密、侵犯著作权等,请点击“违规举报”。

碎片内容

工程洽商记录表

您可能关注的文档

确认删除?
VIP
微信客服
  • 扫码咨询
会员Q群
  • 会员专属群点击这里加入QQ群
客服邮箱
回到顶部