电脑桌面
添加小米粒文库到电脑桌面
安装后可以在桌面快捷访问

巴歇尔堰槽安装使用说明书VIP免费

巴歇尔堰槽安装使用说明书_第1页
1/10
巴歇尔堰槽安装使用说明书_第2页
2/10
巴歇尔堰槽安装使用说明书_第3页
3/10
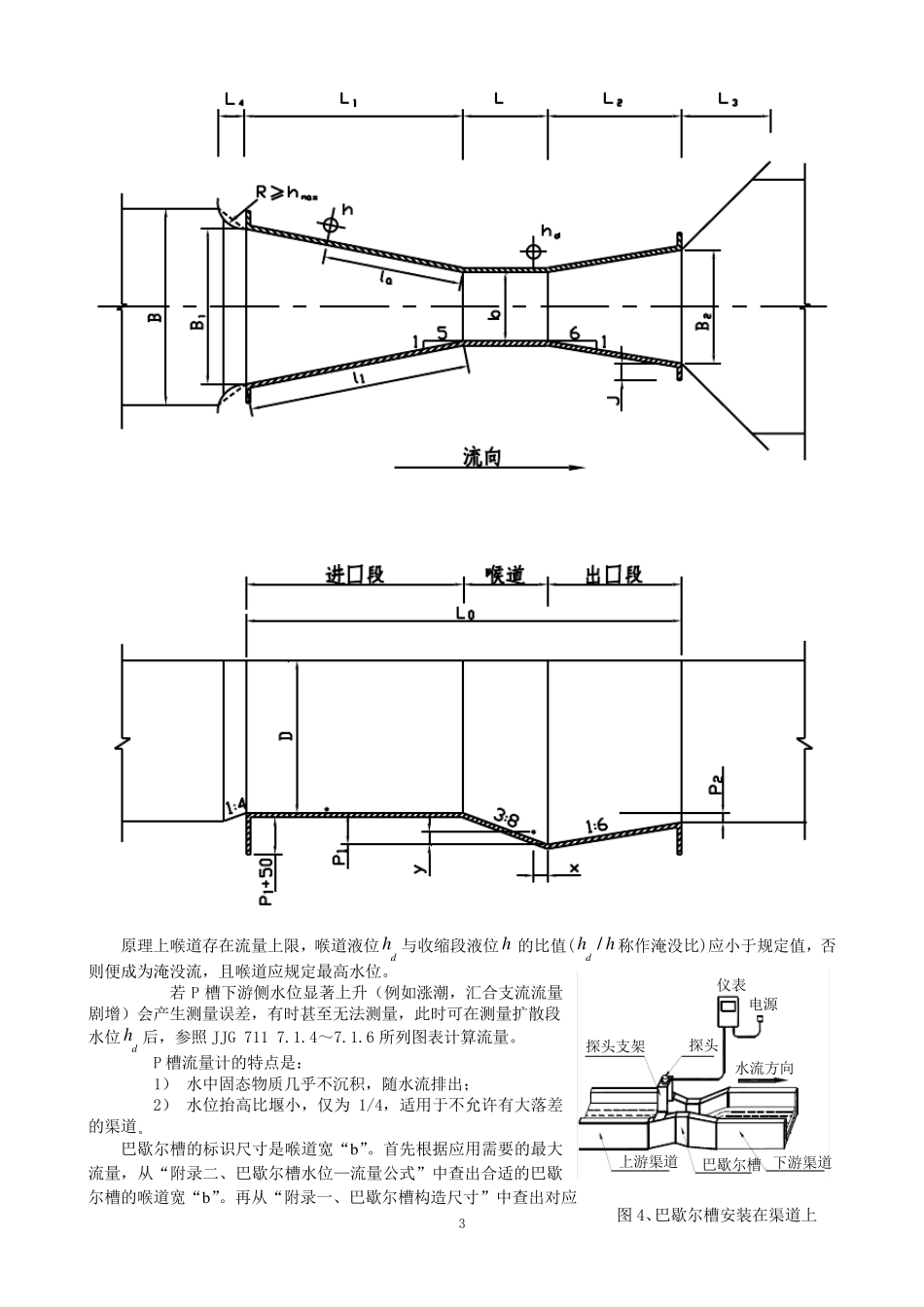
1 标准化废水排放口—巴歇尔堰槽 安装使用说明书 本文参照了中华人民共和国城镇建设行业标准《城市排水流量堰槽测量标准—巴歇尔堰槽》 CJ/T 3008.3—1993 中的有关条目。 一、概述 非满管状态流动的水路称作明渠(Open Channel),测量明渠中水流流量的仪表称作明渠流量计。明渠流通剖面除圆形外,还有 U 形、梯形、矩形等多种形状。 水路按其形态分类,各形态如下图所示。ISO 通常称之为满水管为封闭管道,流动是在水泵压力或高位槽位能作用下的强迫流动。明渠流则是靠水路本身坡度形成的自由表面流动。 满水管路 自由表面的明渠 自由表面的暗渠 满水管路 水路 部分满水管路 敞口明渠(习惯简称明渠) 明渠(或非满管)渠道 暗明渠(习惯简称暗渠) 明渠流量计应用场所有城市供水引水渠、火电厂冷却水引水和排水渠、污水治理流入和排放渠、工矿企业废水排放以及水利工程和农业灌溉用渠道。本文重点讨论巴歇尔堰槽的安装和流量测量的方法和仪表,不包括较大型的水利工程和农业灌溉用的流量测量方法。 二、量水堰槽的测流量原理 明渠内的流量越大,液位越高;流量越小,液位越低(参见图 1)。对于 一 般 的渠道,液位与 流量没 有确 定的对 应关系 。因 为同 样 的水深 ,流量的大小,还与 渠道的横 截 面积 、坡度、粗 糙 度有关。在渠道内安装量水堰槽(参见图 2),由于 堰的缺 口或槽的缩口比 渠道的横 截 面积 小,因 此 ,渠道上 游 水位与 流量的对 应关系 主 要 取 决于 堰槽的几 何 尺 寸 。同 样 的量水堰槽放在不同 的渠道上 ,相 同 的液位对 应相 同 的流量。量水堰槽把 流量转 成了液位。通过 测量流经 量水堰槽内水流的液位,可 以根 据 相 应量水堰槽的水位-流量关系 ,求 出 流量。常用的量水堰槽种类如图 2。 图 1 量水堰槽把 流量转 化 成液位 流量较小时,水位较低流量较大时,水位较高水位水位直角三角堰直角三角堰水流方向水流方向 2 图2 常用的量水堰种类 量水堰槽的水位—流量关系可以从国家计量检定规程《明渠堰槽流量计》JJG711—1990 中查到。本文摘抄了一些常用的类型附后。 每种类型的量水堰槽,都有自己的固定水位—流量对应关系。确定水位—流量关系时,三角堰要求要有渠道宽 B、开口角度、上游堰坎高 p 的参数;矩形堰要有渠道宽 B、开口宽 b、上游堰坎高 p 的参数;而巴歇尔槽只要求有喉道宽度的参数 b。 ...

1、当您付费下载文档后,您只拥有了使用权限,并不意味着购买了版权,文档只能用于自身使用,不得用于其他商业用途(如 [转卖]进行直接盈利或[编辑后售卖]进行间接盈利)。
2、本站所有内容均由合作方或网友上传,本站不对文档的完整性、权威性及其观点立场正确性做任何保证或承诺!文档内容仅供研究参考,付费前请自行鉴别。
3、如文档内容存在违规,或者侵犯商业秘密、侵犯著作权等,请点击“违规举报”。

碎片内容

巴歇尔堰槽安装使用说明书

您可能关注的文档

确认删除?
VIP
微信客服
  • 扫码咨询
会员Q群
  • 会员专属群点击这里加入QQ群
客服邮箱
回到顶部