电脑桌面
添加小米粒文库到电脑桌面
安装后可以在桌面快捷访问

布袋除尘标书VIP专享VIP免费

布袋除尘标书_第1页
1/13
布袋除尘标书_第2页
2/13
布袋除尘标书_第3页
3/13
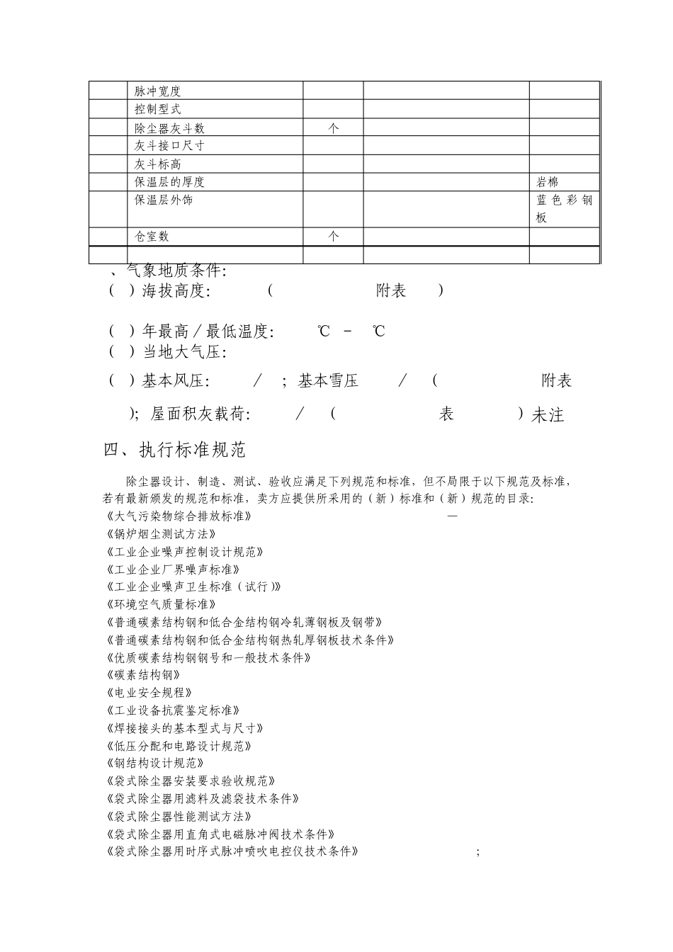
低压脉冲布袋除尘器招标书 一、标的物名称:低压脉冲布袋除尘器 二、招标内容:购臵低压脉冲布袋除尘器一套 三、主要技术参数 1、除尘器主要技术参数 序号 项 目 单位 参数 备 注 布袋除尘器数量 台 1 设备型式 / 外滤式、在线清灰 单台炉烟气流量 m3/h 100000 入口烟气含尘浓度 g/Nm3 31.5 入口烟气温度 ℃ 140--190 出口烟尘浓度 mg/Nm3 <50 本体滤袋寿命期末阻力 Pa ≤1200 设计除尘效率 % 99.9 除尘器过滤方式 / 外滤 净过滤风速(气布比) m/min ≤0.99 有效过滤面积 m2 ≥2000 除尘器本体漏风率 % <1 除尘器本体耐压强度 Pa ±7000 滤袋规格 mm 滤袋数量 个 滤袋材质 / PPS 滤袋后处理工艺 / PTFE浸渍 滤料原料的产地 / 日本东丽 滤袋的加工地 / 无锡 BWF 滤袋滤料单位重量 g/ m2 ≥550 滤袋滤料厚度 mm 2.0 滤袋安装方式 / 滤袋的紧固方式 / 滤袋正常连续使用温度 ℃ 120-180(190℃连续使用30min) 滤袋峰值温度(瞬时最高工作温度) ℃ 200 滤袋的使用寿命 ≥30000小时 滤袋清灰方式 / 手动、定时或定阻清灰 袋笼材质 / 20#钢 直径 4mm 袋笼防腐处理 / 有机硅喷涂 喷吹气源压力 MPa 0.2-0.4 气源品质 无水无油压缩空气 耗气量(每阀次) m3 清灰频率 s 脉冲阀数量 只 脉冲阀型号规格 / 脉冲宽度 s 控制型式 / 除尘器灰斗数 个 灰斗接口尺寸 mm 灰斗标高 m 3.5 保温层的厚度 mm 100 岩棉 保温层外饰 mm 0.5 蓝色彩钢板 仓室数 个 2、气象地质条件: (1)海拔高度:27.8m(GB50009-2001附表D.4) / H$ O5 I5 Q1 i. E' j1 U/ A- q6 s$ n8 t (2)年最高/最低温度:39.6℃/-21℃ (3)当地大气压:101.4kpa ! }5 ]/ J: L7 A: D (4)基本风压:400N/m2;基本雪压350N/m2(GB50009-2001附表D.4);屋面积灰载荷:500N/m2(GB50009-2001表4.4.1-1)未注 四、执行标准规范 除尘器设计、制造、测试、验收应满足下列规范和标准,但不局限于以下规范及标准,若有最新颁发的规范和标准,卖方应提供所采用的(新)标准和(新)规范的目录: 《大气污染物综合排放标准》 GB13223—2003 《锅炉烟尘测试方法》 GB/T5468-91 《工业企业噪声控制设计规范》 GBJ97-85 《工业企业厂界噪声标准》 GB12348-90 《工业企业噪声卫生标准(试行)》 《环境空气质量标准》 GB3095-19...

1、当您付费下载文档后,您只拥有了使用权限,并不意味着购买了版权,文档只能用于自身使用,不得用于其他商业用途(如 [转卖]进行直接盈利或[编辑后售卖]进行间接盈利)。
2、本站所有内容均由合作方或网友上传,本站不对文档的完整性、权威性及其观点立场正确性做任何保证或承诺!文档内容仅供研究参考,付费前请自行鉴别。
3、如文档内容存在违规,或者侵犯商业秘密、侵犯著作权等,请点击“违规举报”。

碎片内容

布袋除尘标书

确认删除?
VIP
微信客服
  • 扫码咨询
会员Q群
  • 会员专属群点击这里加入QQ群
客服邮箱
回到顶部