电脑桌面
添加小米粒文库到电脑桌面
安装后可以在桌面快捷访问

数控车实训教案VIP专享VIP免费

数控车实训教案_第1页
1/22
数控车实训教案_第2页
2/22
数控车实训教案_第3页
3/22
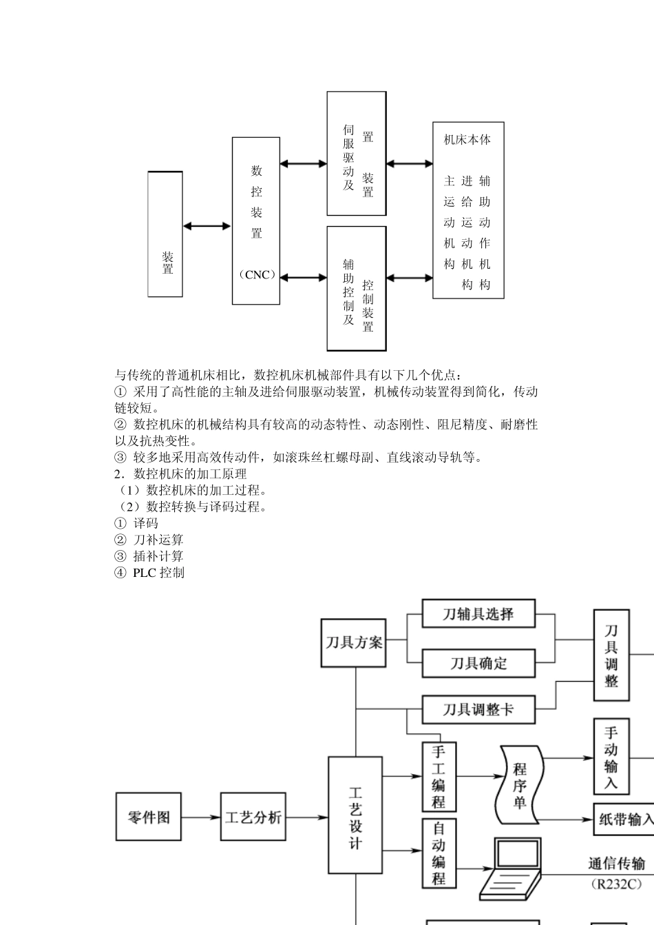
课题:数控机床概述 教学目的:数控机床概述 教学重点:认识数控车床 教学难点:无 教学方法:讲授法 教学学时:2学时 教学内容: 一、数控机床概述 (一)数控机床的产生与发展 1.数控技术与数控机床 2.数控机床的产生和发展 (1)柔性制造系统。 (2)计算机集成制造系统。 (二)数控机床的组成及加工原理 1.数控机床的组成 (1)控制介质与程序输入输出设备。 (2)数控装置。 (3)伺服系统。 (4)辅助控制装置。。 (5)机床本体 机床本体 主 进 辅 运 给 助 动 运 动 机 动 作 构 机 机 构 构 强电控制装置 辅助控制及 数 控 装 置 (CNC) 输入输出装置 位置检测装置 伺服驱动及 与传统的普通机床相比,数控机床机械部件具有以下几个优点: ① 采用了高性能的主轴及进给伺服驱动装置,机械传动装置得到简化,传动链较短。 ② 数控机床的机械结构具有较高的动态特性、动态刚性、阻尼精度、耐磨性以及抗热变性。 ③ 较多地采用高效传动件,如滚珠丝杠螺母副、直线滚动导轨等。 2.数控机床的加工原理 (1)数控机床的加工过程。 (2)数控转换与译码过程。 ① 译码 ② 刀补运算 ③ 插补计算 ④ PLC 控制 CNC 系统的数据转换过程 课题:绪论 教学目的:认识数控车床 教学重点:数控车床的分类 教学难点:无 教学方法:讲授法 教学学时:2 学时 教学内容: (一)数控车床的分类 1 .按车床主轴的配置形式分类 (1 )卧式数控车床。 (2 )立式数控车床。 2 .按数控系统控制的轴数分类 (1 )两轴控制的数控车床 (2 )四轴控制数控车床 (3 )多轴控制数控机床 3 .按数控系统的功能分类 (1 )经济型数控车床(简易数控车床) (2 )全功能型数控车床 (3 )精密型数控车床 (4 )车削加工中心 4 .按伺服系统的控制方式分类 (1 )开环伺服系统。 (2 )闭环伺服系统。 (3 )半闭环伺服系统。 开环控制伺服驱动示意图 闭环控制伺服驱动示意图 半闭环控制伺服驱动示意图 (二)数控车床的加工对象及加工特点 1 .数控车床的加工对象 (1 )轮廓形状特别复杂或难于控制尺寸的回转体零件加工。 (2 )高精度零件加工。 (3 )淬硬工件的加工。 (4 )高效率加工。 2 .数控车床的加工特点 (1 )适应性强 (2)加工精度高 (3)生产效率高 (4)减轻劳动强度,改善劳动条件 (5)有利于生产管理 ...

1、当您付费下载文档后,您只拥有了使用权限,并不意味着购买了版权,文档只能用于自身使用,不得用于其他商业用途(如 [转卖]进行直接盈利或[编辑后售卖]进行间接盈利)。
2、本站所有内容均由合作方或网友上传,本站不对文档的完整性、权威性及其观点立场正确性做任何保证或承诺!文档内容仅供研究参考,付费前请自行鉴别。
3、如文档内容存在违规,或者侵犯商业秘密、侵犯著作权等,请点击“违规举报”。

碎片内容

数控车实训教案

确认删除?
VIP
微信客服
  • 扫码咨询
会员Q群
  • 会员专属群点击这里加入QQ群
客服邮箱
回到顶部