电脑桌面
添加小米粒文库到电脑桌面
安装后可以在桌面快捷访问

数控铣床电气图参考VIP免费

数控铣床电气图参考_第1页
1/15
数控铣床电气图参考_第2页
2/15
数控铣床电气图参考_第3页
3/15
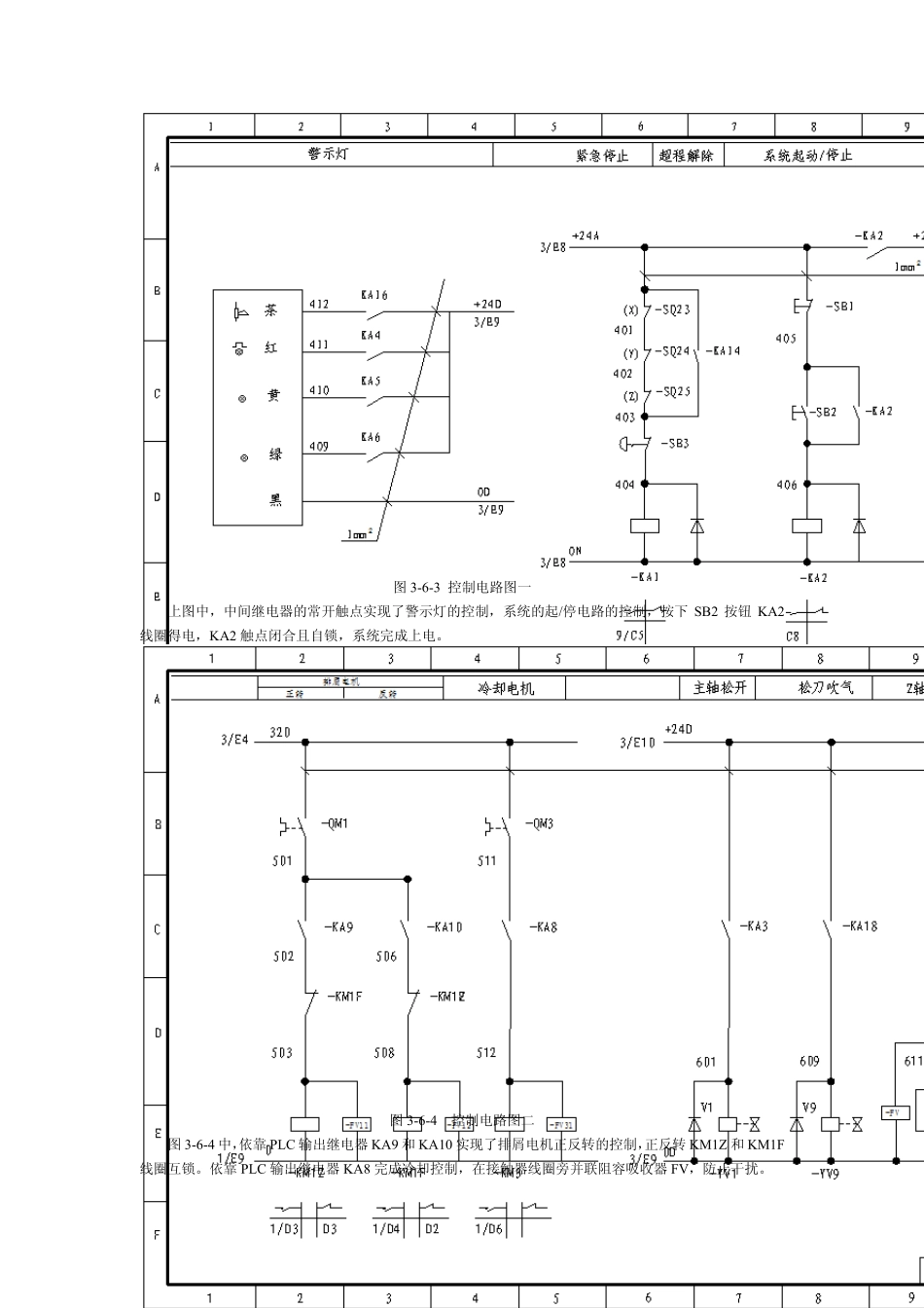
数控铣床电气图分析 数控机床的电气册由数控机床厂商提供,电气原理图一般包括主电路、控制电路、进给伺服驱动电路、主轴驱动电路、CNC 接口电路和 PLC 输入输出电路。除此之外还提供电气元件安装位置图等,便于维修。机床厂在设计电气图册时一般考虑多种不同情况,如不同的主轴变频器,全闭环或半闭环系统等,因此电气图上会用虚线框标示出来一些选件,这些选件在实际机床电气配置不一定都有,因此在利用电气图进行维修时首先应清楚机床实际的电气配置。 (一)主电路 数控机床主电路主要包括电源的进线,总开关,冷却、润滑、排屑、散热风扇等辅助功能的电机连接,如果因伺服动力电不是 380V,还需要动力变压器和控制变压器的变压电路。 图3-6-1 主电路图一 由图3-6-1 可以看到,该机床采用三相五线制供电,电网三相 380V 电L1,L2,L3 经总开关 QF1 输入至电气柜,给各支路供电,QF1 带有分离脱扣,当机床执行指令 M30 时,中间继电器 KA11 得电,QF1 断开,实现了机床关机。机床排屑、冷却及主轴风扇电动机都配有过载保护开关 QM,QM 的作用相当于 QF和 FR 的作用。FV 为限压保护器件,在电动机频繁起停时起干扰作用。 在图纸上标注的3/E4 表示此处与第 3 页 E4 区标有 320 和 0 线号的地方连接,2/B1 表示与第 2 页 B1区是相同的三条线。XB0 是地线的接线排,此外在图纸上还标明了连接线的线径和 QM 的型号及电流设定值。 图3-6-2 主电路图二 在第2 张主电路图当中,通过一个两相的QF2 接到单相变压器上,变压器有24V 和220V 两个抽头,其中24V 用于机床照明灯EL1,EL2;220V 用于给其它设备供电,包括热交换器,机床润滑泵,以及两个开关电源。此处开关电源VC1 用于系统和PLC 输出继电器供电,开关电源VC2 用于电磁阀和三色灯供电。 在图中320,0,306,307,308,309,310,311,312,0N,+24A,0D,+24D 等都表示线号,在接线或查找机床故障时,应该对应找标有这些线号的线去测试。4/E4,7/E1,8/E1,4/B4 等表示该线连接到的电气图页码和区域。 (二)控制电气图 数控机床控制电气图主要完成数控系统上下电的控制,主电路接触器和电磁阀控制,以及三色灯的控制等。 在图3-6-3 控制电路中,有些机床急停电路是将X 轴Y 轴Z轴等轴的正、负向超程限位开关和急停开关的常闭触点串联在一起, 任意一个常闭触点断开都会造成急停线圈失电, 从而断开伺服的输入电源, 系统停止...

1、当您付费下载文档后,您只拥有了使用权限,并不意味着购买了版权,文档只能用于自身使用,不得用于其他商业用途(如 [转卖]进行直接盈利或[编辑后售卖]进行间接盈利)。
2、本站所有内容均由合作方或网友上传,本站不对文档的完整性、权威性及其观点立场正确性做任何保证或承诺!文档内容仅供研究参考,付费前请自行鉴别。
3、如文档内容存在违规,或者侵犯商业秘密、侵犯著作权等,请点击“违规举报”。

碎片内容

数控铣床电气图参考

小辰5+ 关注
实名认证
内容提供者

出售各种资料和文档

确认删除?
VIP
微信客服
  • 扫码咨询
会员Q群
  • 会员专属群点击这里加入QQ群
客服邮箱
回到顶部