电脑桌面
添加小米粒文库到电脑桌面
安装后可以在桌面快捷访问

建筑施工安全检查表VIP免费

建筑施工安全检查表_第1页
1/5
建筑施工安全检查表_第2页
2/5
建筑施工安全检查表_第3页
3/5
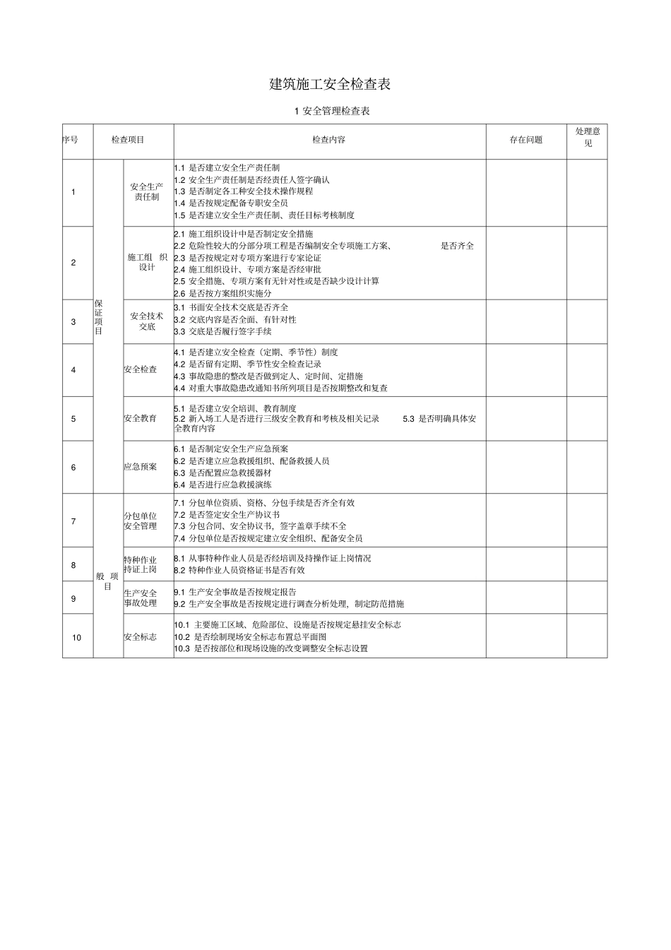
建筑施工安全检查表1 安全管理检查表序号检查项目检查内容存在问题处理意见1安全生产责任制1.1 是否建立安全生产责任制1.2 安全生产责任制是否经责任人签字确认1.3 是否制定各工种安全技术操作规程1.4 是否按规定配备专职安全员1.5 是否建立安全生产责任制、责任目标考核制度2施工组织设计2.1 施工组织设计中是否制定安全措施2.2 危险性较大的分部分项工程是否编制安全专项施工方案、是否齐全2.3 是否按规定对专项方案进行专家论证2.4 施工组织设计、专项方案是否经审批2.5 安全措施、专项方案有无针对性或是否缺少设计计算2.6 是否按方案组织实施分3保证项目安全技术交底3.1 书面安全技术交底是否齐全3.2 交底内容是否全面、有针对性3.3 交底是否履行签字手续4安全检查4.1 是否建立安全检查(定期、季节性)制度4.2 是否留有定期、季节性安全检查记录4.3 事故隐患的整改是否做到定人、定时间、定措施4.4 对重大事故隐患改通知书所列项目是否按期整改和复查5安全教育5.1 是否建立安全培训、教育制度5.2 新入场工人是否进行三级安全教育和考核及相关记录5.3 是否明确具体安全教育内容6应急预案6.1 是否制定安全生产应急预案6.2 是否建立应急救援组织、配备救援人员6.3 是否配置应急救援器材6.4 是否进行应急救援演练7分包单位安全管理7.1 分包单位资质、资格、分包手续是否齐全有效7.2 是否签定安全生产协议书7.3 分包合同、安全协议书,签字盖章手续不全7.4 分包单位是否按规定建立安全组织、配备安全员8般 项目特种作业持证上岗8.1 从事特种作业人员是否经培训及持操作证上岗情况8.2 特种作业人员资格证书是否有效9生产安全事故处理9.1 生产安全事故是否按规定报告9.2 生产安全事故是否按规定进行调查分析处理,制定防范措施10安全标志10.1 主要施工区域、危险部位、设施是否按规定悬挂安全标志10.2 是否绘制现场安全标志布置总平面图10.3 是否按部位和现场设施的改变调整安全标志设置2 文明施工检查评分表号检查项目检查内容存在问题处理 意见1保证项目现场 围挡1.1 在市区主要路段的工地周围是否设置高于2.5m 的封闭围挡1.2 一般路段的工地周围是否设置高于1.8m 的封闭围1.3 围挡材料是否坚固、稳定、整洁、美观1.4 围挡是否沿工地四周连续设置2封闭 管理2.1 施工现场出入口是否设置大门2.2 是否设置门卫室2.3 是否设门卫或是否建立门卫制度2.4 进入施工现场是否佩戴工作卡2.5 施工现场岀...

1、当您付费下载文档后,您只拥有了使用权限,并不意味着购买了版权,文档只能用于自身使用,不得用于其他商业用途(如 [转卖]进行直接盈利或[编辑后售卖]进行间接盈利)。
2、本站所有内容均由合作方或网友上传,本站不对文档的完整性、权威性及其观点立场正确性做任何保证或承诺!文档内容仅供研究参考,付费前请自行鉴别。
3、如文档内容存在违规,或者侵犯商业秘密、侵犯著作权等,请点击“违规举报”。

碎片内容

建筑施工安全检查表

文库响当当+ 关注
实名认证
内容提供者

该用户很懒,什么也没介绍

确认删除?
VIP
微信客服
  • 扫码咨询
会员Q群
  • 会员专属群点击这里加入QQ群
客服邮箱
回到顶部