电脑桌面
添加小米粒文库到电脑桌面
安装后可以在桌面快捷访问

建筑施工安全检查标准JGJ—表格张VIP免费

建筑施工安全检查标准JGJ—表格张_第1页
1/19
建筑施工安全检查标准JGJ—表格张_第2页
2/19
建筑施工安全检查标准JGJ—表格张_第3页
3/19
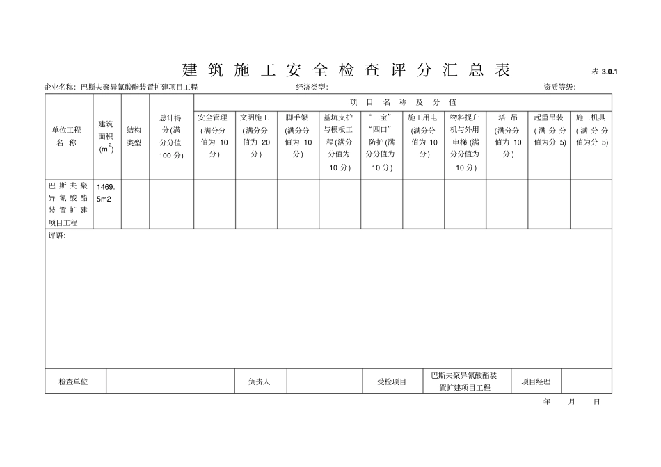
建 筑 施 工 安 全 检 查 评 分 汇 总 表表 3.0.1企业名称:巴斯夫聚异氰酸酯装置扩建项目工程经济类型:资质等级:单位工程名 称建筑面积(m2) 结构类型总计得分(满分分值100 分) 项目名称及分值安全管理(满分分值为 10分) 文明施工(满分分值为 20分 ) 脚手架(满分分值为 10分) 基坑支护与模板工程(满分分值为10 分) “三宝”“四口”防护 (满分分值为10 分) 施工用电(满分分值为 10分) 物料提升机与外用电梯 (满分分值为10 分) 塔 吊(满分分值为 10分 ) 起重吊装( 满 分 分值为分 5) 施工机具( 满 分 分值为分 5) 巴 斯 夫 聚异 氰 酸 酯装 置 扩 建项目工程1469.5m2评语:检查单位负责人受检项目巴斯夫聚异氰酸酯装置扩建项目工程项目经理年月日安全管理检查评分表表 3.0.2 序号检查项目扣分标准应 得分 数扣 减分 数实 得分 数1 保证项目安全生产责任制未建立安全责任制,扣10 分各级各部门未执行责任制,扣4~6 分经济承包中无安全生产指标,扣10 分未制定各工种安全技术操作规程,扣10 分未按规定配备专(兼)职安全员的扣10 分管理人员责任制考核不合格,扣5 分10 2 目标管理未制定安全管理目标(伤亡控制指标和安全达标、文明施工目标 ),扣 10 分未进行安全责任目标分解的扣10 分无责任目标考核规定的扣8 分考核办法未落实或落实不好的扣5 分10 3 施工组织设计施工组织设计中无安全措施,扣10 分施工组织设计未经审批,扣10 分专业性较强的项目,未单独编制专项安全措施未落实,扣8 分安全措施不全面,扣2~4 分安全措施无针对性,扣6~8 分安全措施未落实,扣8 分10 4 分部 (分项 )工程安全技术交底无书面安全技术交底的扣10 分交底针对性不强,扣4~6 分交底不全面,扣4 分交底未履行签字手续,扣2~4 分10 5 安全检查无定期安全检查制度,扣5 分安全检查无记录,扣5 分检查出事故隐患整改做不到定人、定时间、定措施,扣2~6 分对重大事故隐患整改通知书所列项目未如期完成,扣5 分10 6 安全教育无安全教育制度,扣10 分新入场工人未进行三级安全教育,扣10 分无具体安全教育内容,扣6~8 分变换工种时未进行安全教育,扣10 分每有一人不懂本工种安全技术操作规程,扣2 分施工管理人员未按规定进行年度培训的,扣5 分专职安全员未按规定进行年度培训考核或考核不合格的,扣5 分10 小计60 7 一般项目班前安全活动未建立班前安...

1、当您付费下载文档后,您只拥有了使用权限,并不意味着购买了版权,文档只能用于自身使用,不得用于其他商业用途(如 [转卖]进行直接盈利或[编辑后售卖]进行间接盈利)。
2、本站所有内容均由合作方或网友上传,本站不对文档的完整性、权威性及其观点立场正确性做任何保证或承诺!文档内容仅供研究参考,付费前请自行鉴别。
3、如文档内容存在违规,或者侵犯商业秘密、侵犯著作权等,请点击“违规举报”。

碎片内容

建筑施工安全检查标准JGJ—表格张

爱的疯狂+ 关注
实名认证
内容提供者

该用户很懒,什么也没介绍

相关文档

确认删除?
VIP
微信客服
  • 扫码咨询
会员Q群
  • 会员专属群点击这里加入QQ群
客服邮箱
回到顶部