电脑桌面
添加小米粒文库到电脑桌面
安装后可以在桌面快捷访问

建筑施工组织计划技术VIP免费

建筑施工组织计划技术_第1页
1/50
建筑施工组织计划技术_第2页
2/50
建筑施工组织计划技术_第3页
3/50
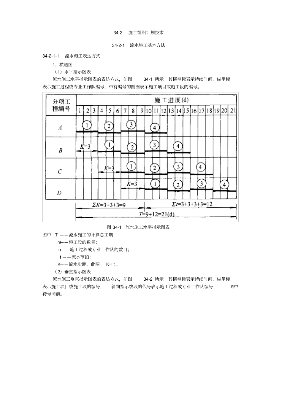
34-2 施工组织计划技术34-2-1 流水施工基本方法34-2-1-1 流水施工表达方式1.横道图(1)水平指示图表流水施工水平指示图表的表达方式,如图34-1 所示。其横坐标表示持续时间,纵坐标表示施工过程或专业工作队编号,带有编号的圆圈表示施工项目或施工段的编号。图 34-1 流水施工水平指示图表图中 T ——流水施工的计算总工期;m——施工段的数目;n——施工过程或专业工作队的数目;t ——流水节拍;K——流水步距,此图K= t 。(2)垂直指示图表流水施工垂直指示图表的表达方式,如图34-2 所示。其横坐标表示持续时间,纵坐标表示施工项目或施工段的编号,斜向指示线段的代号表示施工过程或专业工作队编号,图中符号同前。图 34-2 流水施工垂直指示图表2.流水网络图(1)横道式流水网络图横道式流水网络图如图34-3 所示。图中粗黑错阶箭线表示施工过程进展状态,在箭线上面标有该过程编号和施工段编号,在箭线下面标有流水节拍,细黑箭线分别表示开始步距(Kj,j+1 )和结束步距(Jj,j+1 ),带有编号的圆圈表示事件或结点。图 34-3 横道式流水网络图(2)流水步距式流水网络图1流水步距式流水网络图如图34-4 所示。图中实箭线表示实工作,其上标有施工过程和施工段编号,其下标有流水节拍;虚箭线表示虚工作,即工作之间的制约关系,其持续时间为零,流水步距也由实箭线表示,并在其下面标出流水步距编号和数值。1 该类流水网络图的各项时间参数计算方法,可参照本章34-2-2-2 普通双代号网络图。图 34-4 流水步距式流水网络图(3)搭接式流水网络图搭接式流水网络图如图34-5 所示。图中的大方框表示施工过程,其内标有:施工过程编号、 流水节拍、施工段数目、过程开始和结束时间;方框上面的实箭线表示相邻两个施工过程结束到结束的搭接时距,即结束步距; 方框下面的实箭线表示相邻两个施工过程开始到开始的搭接时距,即流水步距。图 34-5 搭接式流水网络图(4)三维流水网络图详见本章 34-2-3-4三维双代号流水网络图和34-2-3-5三维单代号流水网络图,此处从略。34-2-1-2 流水参数确定方法1.工艺参数(1)施工过程在组织流水施工时, 用以表达流水施工在工艺上开展层次的有关过程,统称为施工过程。施工过程数目以n 表示, 根据过程工艺性质不同,它可分为: 制备类、 运输类和砌筑安装类三种施工过程。(2)流水强度在组织流水施工时,某施工过程在单位时间内所完成的工程数量,称为该过程的流水强度。...

1、当您付费下载文档后,您只拥有了使用权限,并不意味着购买了版权,文档只能用于自身使用,不得用于其他商业用途(如 [转卖]进行直接盈利或[编辑后售卖]进行间接盈利)。
2、本站所有内容均由合作方或网友上传,本站不对文档的完整性、权威性及其观点立场正确性做任何保证或承诺!文档内容仅供研究参考,付费前请自行鉴别。
3、如文档内容存在违规,或者侵犯商业秘密、侵犯著作权等,请点击“违规举报”。

碎片内容

建筑施工组织计划技术

爱的疯狂+ 关注
实名认证
内容提供者

该用户很懒,什么也没介绍

确认删除?
VIP
微信客服
  • 扫码咨询
会员Q群
  • 会员专属群点击这里加入QQ群
客服邮箱
回到顶部