电脑桌面
添加小米粒文库到电脑桌面
安装后可以在桌面快捷访问

建筑灭火器配置标准VIP免费

建筑灭火器配置标准_第1页
1/8
建筑灭火器配置标准_第2页
2/8
建筑灭火器配置标准_第3页
3/8
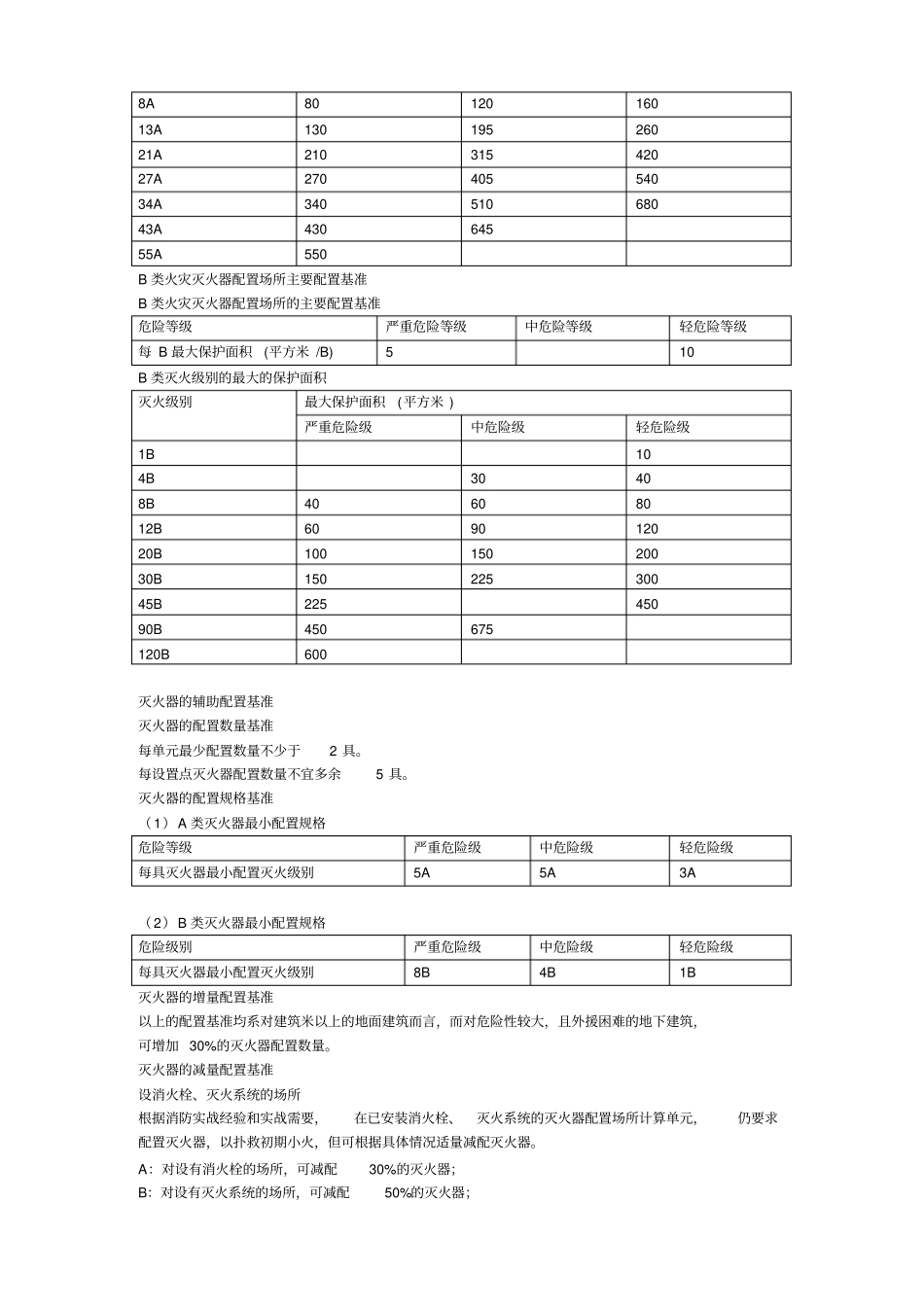
建筑灭火器配置标准根据国家标准,《建筑灭火器配置设计规范》(GBJ— 90)规定,对于新建、扩建、改建的生产、使用和储存可燃物的工业与民用建筑灭火器配置标准必须符合规范要求,其目的是有效地扑灭工业与民用建筑初起火灾,减少火灾损失,保护人身和财产安全。规范不适用于生产、储存火药、炸药、弹药、火工品、花炮厂(库)房,以及九层及九层以下的普通住宅。第一节灭火器配置场所的危险等级工业建筑灭火器配置场所的危险等级工业建筑灭火器配置场所的危险等级,根据生产、使用、储存可燃物的数量、火灾危险性,火灾蔓延速度及灭火难易程度因素应划分为严重危险级、中危险级和轻危险级等三级。严重危险级:可燃物数量多,火灾危险性大,起火后蔓延迅速,灭火难度大,可能造成重大火灾损失的灭火器配置场所。中危险级:可燃物数量较多,火灾危险性较大,起火后蔓延速度较快,灭火难度较大,可能造成中等火灾损失的灭火器配置场所。轻危险级:可燃物数量较少,火灾危险性较小,起火后蔓延较慢,灭火难度小,可能造成轻度火灾损失的灭火器配置场所。民用建筑灭火器配置场所的危险等级民用建筑灭火器配置场所的危险等级,根据其使用性质,可燃物数量、火灾危险性,火灾蔓延程度及灭火难易程度等因素来划分为严重危险级,重危险级和轻危险级等三级。严重危险级:功能较复杂、用电、用火多,设备贵重、火灾危险性大,可燃物数量多,起火后蔓延迅速,灭火难度大,可能造成重大火灾损失的灭火器配置场所。中危险级:功能较复杂、用电、用火较多、设备较贵重,火灾危险性较大,可燃物数量较多,起火后蔓延较迅速,灭火难度较大,可能造成中等火灾损失的灭火器配置场所。轻危险级:功能一般,用电、用火较少,设备较普通,火灾危险性较小,可燃物数量少,起火后蔓延缓慢,灭火难度小,可能造成轻度火灾损失的灭火器配置场所。第二节灭火器类型的选择灭火器配置场所预期火灾种类灭火器配置场所可能发生的火灾种类可根据其生产、使用、 储存可燃物种类及其燃烧特性来进行预鉴别。A 类火灾:是指含碳固体可燃物,如木材、棉花、麻、纸张等燃烧的火灾。B 类火灾:是指甲、乙、丙类液体,如汽油、煤油、柴油、甲醇、乙醚、丙酮等燃烧的火灾。C 类火灾:是指可燃气体,如煤气、天然气、甲烷、丙烷、乙炔、氢气等燃烧的火灾。D 类火灾:是指可燃的活泼金属,如钾、钠、镁、钛、锆、锂、铝镁合金等燃烧的火灾。带电物体燃烧的火灾(带电火灾):是指电气元...

1、当您付费下载文档后,您只拥有了使用权限,并不意味着购买了版权,文档只能用于自身使用,不得用于其他商业用途(如 [转卖]进行直接盈利或[编辑后售卖]进行间接盈利)。
2、本站所有内容均由合作方或网友上传,本站不对文档的完整性、权威性及其观点立场正确性做任何保证或承诺!文档内容仅供研究参考,付费前请自行鉴别。
3、如文档内容存在违规,或者侵犯商业秘密、侵犯著作权等,请点击“违规举报”。

碎片内容

建筑灭火器配置标准

确认删除?
VIP
微信客服
  • 扫码咨询
会员Q群
  • 会员专属群点击这里加入QQ群
客服邮箱
回到顶部