电脑桌面
添加小米粒文库到电脑桌面
安装后可以在桌面快捷访问

建筑给排水分部子分部工程质量验收记录VIP免费

建筑给排水分部子分部工程质量验收记录_第1页
1/3
建筑给排水分部子分部工程质量验收记录_第2页
2/3
建筑给排水分部子分部工程质量验收记录_第3页
3/3
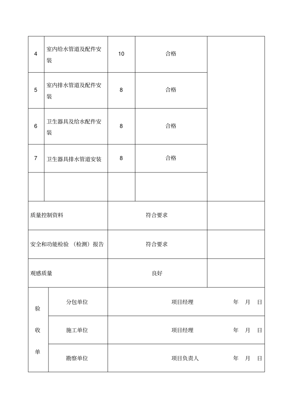
建筑给水、排水分部工程质量验收记录GD2500208工程名称蕉 岭 监 狱 迁 建 至 惠 阳 项 目(第八标段) - 行政办公楼结 构 类型框架结构层数地 上 八 层无地下室施工单位中国建筑第二工程局技 术 部门 负 责人吴殿昌质 量 部门 负 责人李阳分包单位/分 包 单位 负 责人/分 包 技术 负 责人/序号分项工程名称检验批数施工单位检查评定验收意见1室外排水管道安装2合格2室外排水管沟及井池2合格3雨水管道及配件安装8合格4室内给水管道及配件安装10合格5室内排水管道及配件安装8合格6卫生器具及给水配件安装8合格7卫生器具排水管道安装8合格质量控制资料符合要求安全和功能检验 (检测)报告符合要求观感质量良好验收单分包单位项目经理年月日施工单位项目经理年月日勘察单位项目负责人年月日位设计单位项目负责人年月日监理(建设)单位总监理工程师(建设单位项目专业技术负责人):年月日

1、当您付费下载文档后,您只拥有了使用权限,并不意味着购买了版权,文档只能用于自身使用,不得用于其他商业用途(如 [转卖]进行直接盈利或[编辑后售卖]进行间接盈利)。
2、本站所有内容均由合作方或网友上传,本站不对文档的完整性、权威性及其观点立场正确性做任何保证或承诺!文档内容仅供研究参考,付费前请自行鉴别。
3、如文档内容存在违规,或者侵犯商业秘密、侵犯著作权等,请点击“违规举报”。

碎片内容

建筑给排水分部子分部工程质量验收记录

您可能关注的文档

文库当当响+ 关注
实名认证
内容提供者

该用户很懒,什么也没介绍

确认删除?
VIP
微信客服
  • 扫码咨询
会员Q群
  • 会员专属群点击这里加入QQ群
客服邮箱
回到顶部