电脑桌面
添加小米粒文库到电脑桌面
安装后可以在桌面快捷访问

建筑给水排水工程习题答案VIP免费

建筑给水排水工程习题答案_第1页
1/7
建筑给水排水工程习题答案_第2页
2/7
建筑给水排水工程习题答案_第3页
3/7
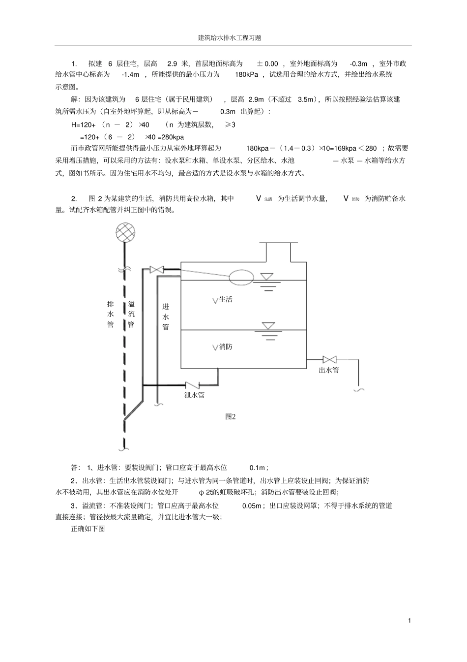
建筑给水排水工程习题1 1.拟建6 层住宅,层高2.9 米,首层地面标高为± 0.00 ,室外地面标高为-0.3m ,室外市政给水管中心标高为-1.4m ,所能提供的最小压力为180kPa ,试选用合理的给水方式,并绘出给水系统示意图。解:因为该建筑为6 层住宅(属于民用建筑),层高 2.9m(不超过3.5m),所以按照经验法估算该建筑所需水压为(自室外地坪算起,即从标高为-0.3m 出算起):H=120+ (n - 2)×40 (n 为建筑层数,≥3)=120+( 6 - 2) ×40 =280kpa 而市政管网所能提供得最小压力从室外地坪算起为180kpa-(1.4-0.3)×10=169kpa <280 ;故需要采用增压措施,可以采用的方法有:设水泵和水箱、单设水泵、分区给水、水池— 水泵 — 水箱等给水方式,图如书所示。因为住宅用水不均匀,最合适的方式是设水泵与水箱的给水方式。2.图 2 为某建筑的生活,消防共用高位水箱,其中V 生活 为生活调节水量,V 消防 为消防贮备水量。试配齐水箱配管并纠正图中的错误。图2排水管溢流管进水管泄水管消防生活出水管答: 1、进水管:要装设阀门;管口应高于最高水位0.1m;2、出水管:生活出水管装设阀门;与进水管为同一条管道时,出水管上应装设止回阀;为保证消防水不被动用,其出水管应在消防水位处开φ 25的虹吸破坏孔;消防出水管要装设止回阀;3、溢流管:不准装设阀门;管口应高于最高水位0.05m;出口应装设网罩;不得于排水系统的管道直接连接;管径按最大流量确定,并宜比进水管大一级;正确如下图2 图2排水管溢流管进水管泄水管消防生活出水管信号管通气管防虫网消防出水管3.某办公楼建筑给水系统,水泵从贮水池抽水,其吸水管和压水管总长为40 米,自贮水池最低水位±0.00 至水箱最高水位为32.00m ,已知该管路水头损失为4.16m H 2O。试求水泵所需总扬程。解:总扬程:Hb=32+4.16=36.16m ,选泵时可以乘上1.05 ~ 1.1 的安全系数。4.某建筑拟选用隔膜式气压给水设备供水方式,已知水泵出水量为3.5L/s ,设计最小工作压力为250kpa(表压),最大工作压力为400kpa (表压),试求气压水罐总容积。解:4bqlaqqVn=3.536001.346 1000=0.6825 m3122501000.7400100bpp;11qbVVq= 1.050.682510.7=2.38875 m31.某 12 层办公楼内设有消火栓给水系统,如图 3 所示。 试分析说明这种方式存在什么原则错误?请用图式正确表达。建筑给水排水工程习题3 答:图中错误的地方:(1)高位水箱的出口不得有阀...

1、当您付费下载文档后,您只拥有了使用权限,并不意味着购买了版权,文档只能用于自身使用,不得用于其他商业用途(如 [转卖]进行直接盈利或[编辑后售卖]进行间接盈利)。
2、本站所有内容均由合作方或网友上传,本站不对文档的完整性、权威性及其观点立场正确性做任何保证或承诺!文档内容仅供研究参考,付费前请自行鉴别。
3、如文档内容存在违规,或者侵犯商业秘密、侵犯著作权等,请点击“违规举报”。

碎片内容

建筑给水排水工程习题答案

确认删除?
VIP
微信客服
  • 扫码咨询
会员Q群
  • 会员专属群点击这里加入QQ群
客服邮箱
回到顶部