电脑桌面
添加小米粒文库到电脑桌面
安装后可以在桌面快捷访问

建筑行业建筑工程建设项目设计规模划分表VIP免费

建筑行业建筑工程建设项目设计规模划分表_第1页
1/4
建筑行业建筑工程建设项目设计规模划分表_第2页
2/4
建筑行业建筑工程建设项目设计规模划分表_第3页
3/4
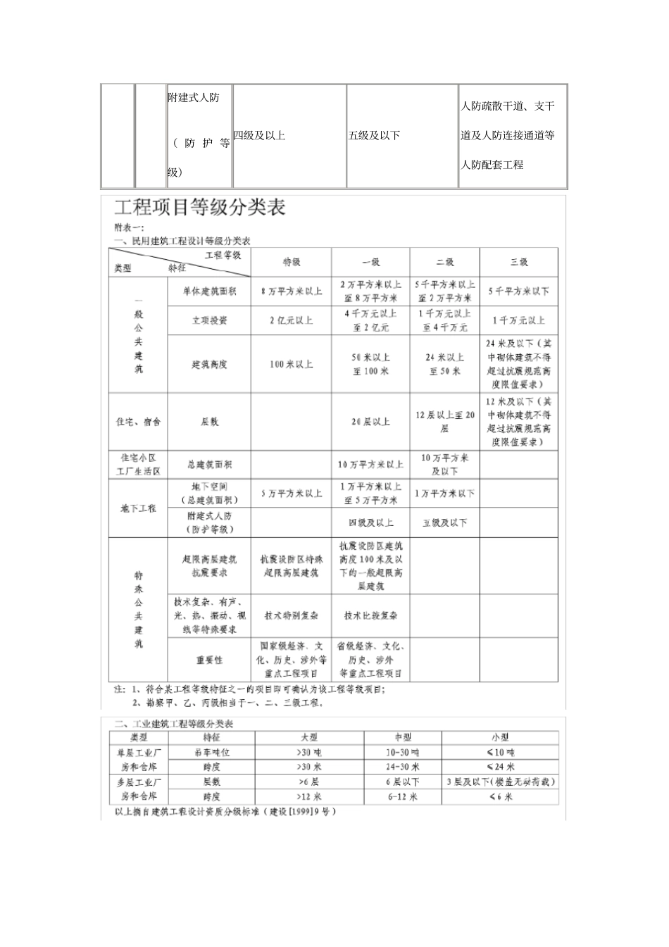
建筑行业(建筑工程)建设项目设计规模划分表序号建设项目工程等级特征大型中型小型1 一般公共建筑单体建筑面积20000m 2 以上5000 ~ 20000m 2 ≤ 5000m 2 建筑高度≥ 50m 24 ~ 50m ≤ 24m 复杂程度1 、大型公共建筑工程1 、中型公共建筑工程1 、功能单一、技术要求简单的小型公共建筑工程2 、技术要求复杂或具有经济、 文化、历史等意义的省 (市)级中小型公共建筑工程2 、技术要求复杂或有地区性意义的小型公共建筑工程2 、高度< 21m 的一般公共建筑工程3 、高度> 50m 的公共建筑工程3 、高度 24 ~ 50m 的一般公共建筑工程3 、小型仓储建筑工程4 、相当于四、 五星级饭店标准的室内装修、特殊声学装修工程4 、仿古建筑、一般标准的古建筑、保护性建筑以及地下建筑工程4 、简单的设备用房及其它配套用房工程5 、高标准的古建筑、保护性建筑与地下建筑工程5 、大中小型仓储建筑工程5 、简单的建筑环境设计及室外工程6 、高标准的建筑环境设计和室外工程6 、一般标准的建筑环境设计和室外工程6 、相当于一星级饭店及以下标准的室内装修工程7 、技术要求复杂的工业厂房7 、 跨 度 小 于30 米、吊车吨位小于30 吨 的单层 厂房 或仓库;跨库小于 12 米 、 6 层以下的多层厂房或仓库7 、 跨 度 小 于24 米、吊车吨位小于10 吨的单层厂房或仓 库 ; 跨 度 小 于6 米 、楼盖无动荷载的3 层以下的多层厂房或仓库。8 、相当于二、三层级饭店标准的室内装修工程2 住宅宿舍层数> 20 层12 ~ 20 层≤ 12 层(其中砌块建筑不得超过抗震规范层数限值要求)复杂程度20 层以上居住建筑和20 层及以下商标准居住建筑工程20 层 及以下 一般 标准的居住建筑工程3 住 宅小 区工 厂生 活区总建筑面积> 30 万 m 2 规划设计≤ 30 万 m 2 规划设计单体建筑按上述住宅或公共建筑标准执行4 地下工程地下空间(总建筑面积)> 1 万 m 2 ≤ 1 万 m 2 附建式人防( 防 护 等级)四级及以上五级及以下人防疏散干道、支干道及人防连接通道等人防配套工程

1、当您付费下载文档后,您只拥有了使用权限,并不意味着购买了版权,文档只能用于自身使用,不得用于其他商业用途(如 [转卖]进行直接盈利或[编辑后售卖]进行间接盈利)。
2、本站所有内容均由合作方或网友上传,本站不对文档的完整性、权威性及其观点立场正确性做任何保证或承诺!文档内容仅供研究参考,付费前请自行鉴别。
3、如文档内容存在违规,或者侵犯商业秘密、侵犯著作权等,请点击“违规举报”。

碎片内容

建筑行业建筑工程建设项目设计规模划分表

您可能关注的文档

确认删除?
VIP
微信客服
  • 扫码咨询
会员Q群
  • 会员专属群点击这里加入QQ群
客服邮箱
回到顶部