电脑桌面
添加小米粒文库到电脑桌面
安装后可以在桌面快捷访问

建设单位工程施工工程现场安全管理资料分类整理与组卷表VIP免费

建设单位工程施工工程现场安全管理资料分类整理与组卷表_第1页
1/9
建设单位工程施工工程现场安全管理资料分类整理与组卷表_第2页
2/9
建设单位工程施工工程现场安全管理资料分类整理与组卷表_第3页
3/9
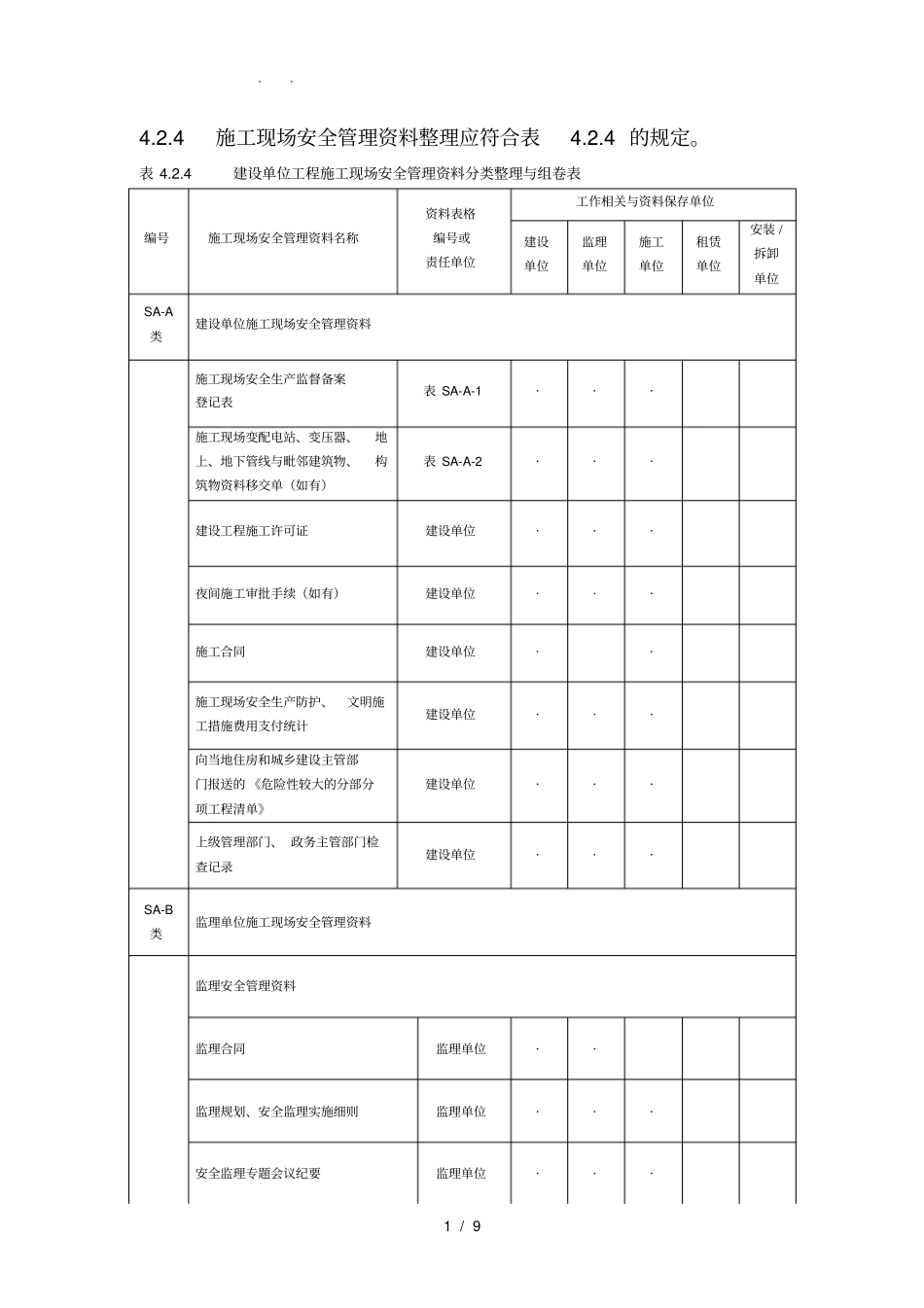
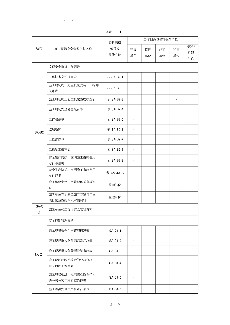
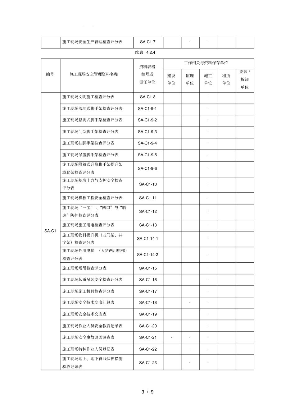
. . 1 / 9 4.2.4 施工现场安全管理资料整理应符合表4.2.4 的规定。表 4.2.4 建设单位工程施工现场安全管理资料分类整理与组卷表编号施工现场安全管理资料名称资料表格编号或责任单位工作相关与资料保存单位建设单位监理单位施工单位租赁单位安装 /拆卸单位SA-A类建设单位施工现场安全管理资料施工现场安全生产监督备案登记表表 SA-A-1 ···施工现场变配电站、变压器、地上、地下管线与毗邻建筑物、构筑物资料移交单(如有)表 SA-A-2 ···建设工程施工许可证建设单位···夜间施工审批手续(如有)建设单位···施工合同建设单位··施工现场安全生产防护、文明施工措施费用支付统计建设单位···向当地住房和城乡建设主管部门报送的 《危险性较大的分部分项工程清单》建设单位···上级管理部门、 政务主管部门检查记录建设单位···SA-B类监理单位施工现场安全管理资料监理安全管理资料监理合同监理单位··监理规划、安全监理实施细则监理单位···安全监理专题会议纪要监理单位···. . 2 / 9 续表 4.2.4 编号施工现场安全管理资料名称资料表格编号或责任单位工作相关与资料保存单位建设单位监理单位施工单位租赁单位安装 /拆卸单位SA-B2 监理安全审核工作记录工程技术文件报审表表 SA-B2-1 ···施工现场施工起重机械安装/ 拆卸报审表表 SA-B2-2 ·····施工现场施工起重机械验收核查表表 SA-B2-3 ·····施工现场安全隐患报告书表 SA-B2-4 ···工作联系单表 SA-B2-5 ··监理通知表 SA-B2-6 ···工程暂停令表 SA-B2-7 ···工程复工报审表表 SA-B2-8 ···安全生产防护、文明施工措施费用支付申请表表 SA-B2-9 ···安全生产防护、文明施工措施费用支付证书表 SA-B2-10 ···施工单位安全生产管理体系审核资料监理单位··施工单位专项安全施工方案与工程项目应急救援预案审核资料监理单位··SA-C类施工单位施工现场安全管理资料SA-C1 安全控制管理资料施工现场安全生产管理概况表SA-C1-1 ···施工现场重大危险源识别汇总表SA-C1-2 ···施工现场重大危险源控制措施表SA-C1-3 ···施工现场危险性较大的分部分项工程专项施工方案表SA-C1-4 ···施工现场超过一定规模危险性较大的分部分项工程专家论证表SA-C1-5 ···施工监测安全生产检查汇总表SA-C1-6 ···. . 3 / 9 施工现场安全生产管理检查评分表SA-C1-7 ··续表 4.2.4 编号施工现场...

1、当您付费下载文档后,您只拥有了使用权限,并不意味着购买了版权,文档只能用于自身使用,不得用于其他商业用途(如 [转卖]进行直接盈利或[编辑后售卖]进行间接盈利)。
2、本站所有内容均由合作方或网友上传,本站不对文档的完整性、权威性及其观点立场正确性做任何保证或承诺!文档内容仅供研究参考,付费前请自行鉴别。
3、如文档内容存在违规,或者侵犯商业秘密、侵犯著作权等,请点击“违规举报”。

碎片内容

建设单位工程施工工程现场安全管理资料分类整理与组卷表

您可能关注的文档

确认删除?
VIP
微信客服
  • 扫码咨询
会员Q群
  • 会员专属群点击这里加入QQ群
客服邮箱
回到顶部