电脑桌面
添加小米粒文库到电脑桌面
安装后可以在桌面快捷访问

液压系统设计方法VIP免费

液压系统设计方法_第1页
1/16
液压系统设计方法_第2页
2/16
液压系统设计方法_第3页
3/16
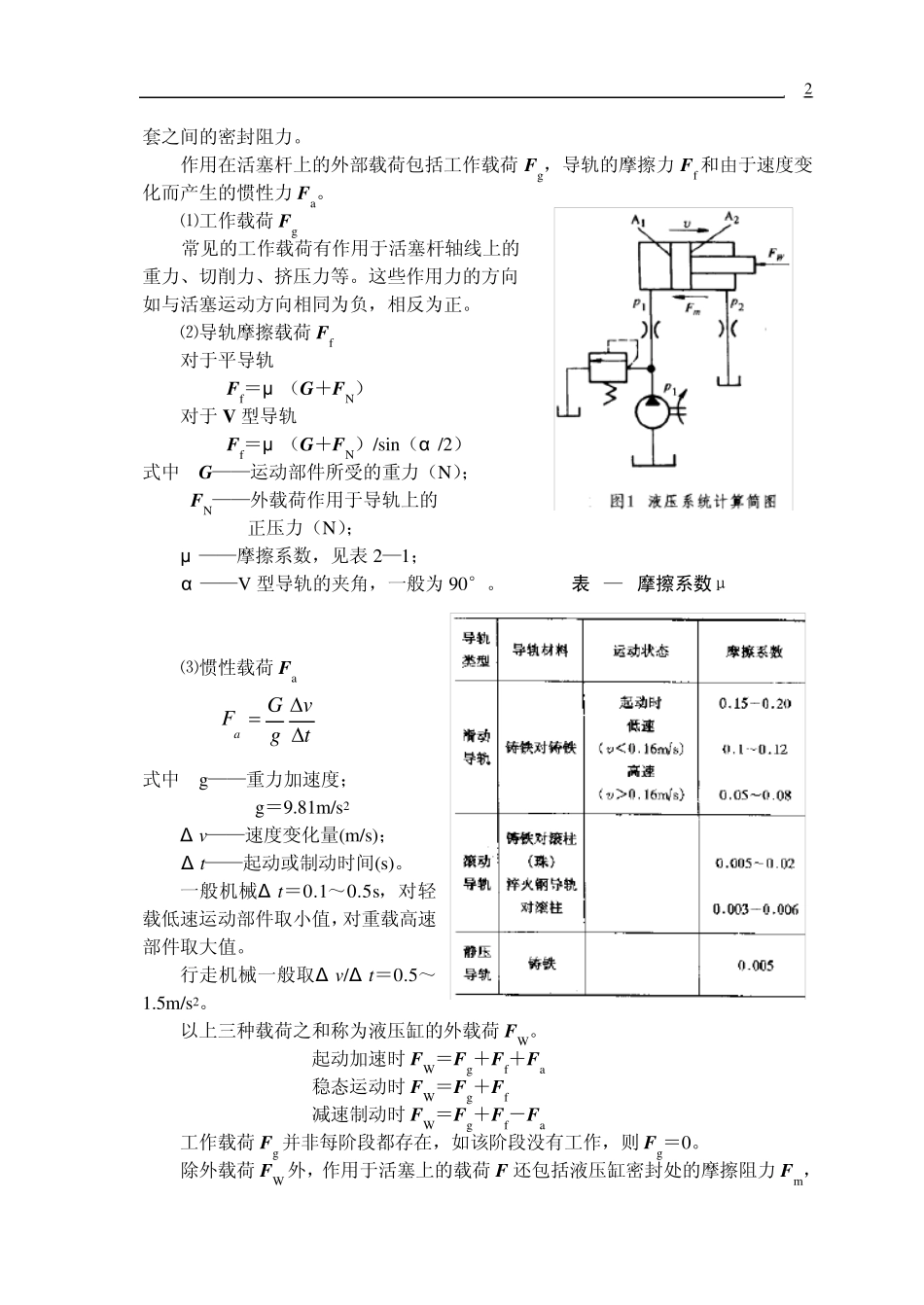
1 液压系统设计方法 液压系统是液压机械的一个组成部分,液压系统的设计要同主机的总体设计同时进行。着手设计时,必须从实际情况出发,有机地结合各种传动形式,充分发挥液压传动的优点,力求设计出结构简单、工作可靠、成本低、效率高、操作简单、维修方便的液压传动系统。 液压系统的设计步骤 液压系统的设计步骤并无严格的顺序,各步骤间往往要相互穿插进行。一般来说,在明确设计要求之后,大致按如下步骤进行。 ⑴确定液压执行元件的形式; ⑵进行工况分析,确定系统的主要参数; ⑶制定基本方案,拟定液压系统原理图; ⑷选择液压元件; ⑸液压系统的性能验算: ⑹绘制工作图,编制技术文件。 1.明确设计要求 设计要求是进行每项工程设计的依据。在制定基本方案并进一步着手液压系统各部分设计之前,必须把设计要求以及与该设计内容有关的其他方面了解清楚。 ⑴主机的概况:用途、性能、工艺流程、作业环境、总体布局等; ⑵液压系统要完成哪些动作,动作顺序及彼此联锁关系如何; ⑶液压驱动机构的运动形式,运动速度; ⑷各动作机构的载荷大小及其性质; ⑸对调速范围、运动平稳性、转换精度等性能方面的要求; ⑹自动化程度、操作控制方式的要求; ⑺对防尘、防爆、防寒、噪声、安全可靠性的要求; ⑻对效率、成本等方面的要求。 2.进行工况分析、确定液压系统的主要参数 通过工况分析,可以看出液压执行元件在工作过程中速度和载荷变化情况,为确定系统及各执行元件的参数提供依据。 液压系统的主要参数是压力和流量,它们是设计液压系统,选择液压元件的主要依据。压力决定于外载荷。流量取决于液压执行元件的运动速度和结构尺寸。 2.1载荷的组成和计算 2.1.1液压缸的载荷组成与计算 图 1 表示一个以液压缸为执行元件的液压系统计算简图。各有关参数已标注在图上,其中 FW 是作用在活塞杆上的外部载荷。Fm是活塞与缸壁以及活塞杆与导向 2 套之间的密封阻力。 作用在活塞杆上的外部载荷包括工作载荷Fg,导轨的摩擦力Ff 和由于速度变化而产生的惯性力Fa。 ⑴工作载荷Fg 常见的工作载荷有作用于活塞杆轴线上的 重力、切削力、挤压力等。这些作用力的方向 如与活塞运动方向相同为负,相反为正。 ⑵导轨摩擦载荷Ff 对于平导轨 Ff=μ (G+FN) 对于V 型导轨 Ff=μ (G+FN)/sin(α /2) 式中 G——运动部件所受的重力(N); FN——外载荷作用于导轨上的 正压力(N); μ ——摩...

1、当您付费下载文档后,您只拥有了使用权限,并不意味着购买了版权,文档只能用于自身使用,不得用于其他商业用途(如 [转卖]进行直接盈利或[编辑后售卖]进行间接盈利)。
2、本站所有内容均由合作方或网友上传,本站不对文档的完整性、权威性及其观点立场正确性做任何保证或承诺!文档内容仅供研究参考,付费前请自行鉴别。
3、如文档内容存在违规,或者侵犯商业秘密、侵犯著作权等,请点击“违规举报”。

碎片内容

液压系统设计方法

您可能关注的文档

确认删除?
VIP
微信客服
  • 扫码咨询
会员Q群
  • 会员专属群点击这里加入QQ群
客服邮箱
回到顶部