电脑桌面
添加小米粒文库到电脑桌面
安装后可以在桌面快捷访问

深圳市华力特中性点接地电阻成套装置技术规范书模板VIP免费

深圳市华力特中性点接地电阻成套装置技术规范书模板_第1页
1/19
深圳市华力特中性点接地电阻成套装置技术规范书模板_第2页
2/19
深圳市华力特中性点接地电阻成套装置技术规范书模板_第3页
3/19
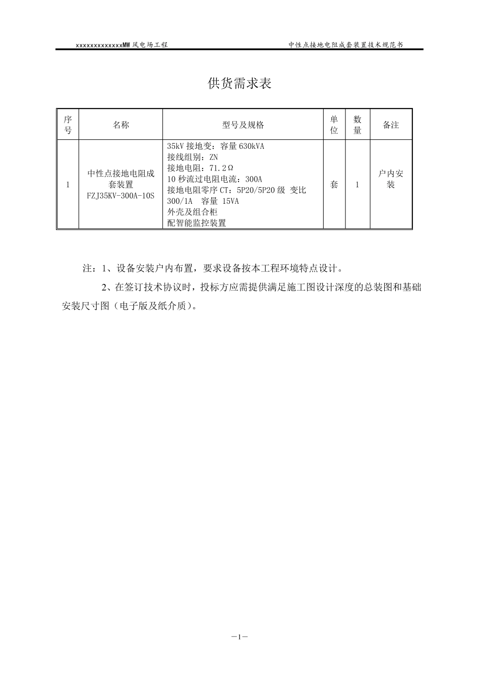
XXXXXXXXXXXMW 风电场工程 中性点接地电阻成套装置技术规范书 xxxxxxxxxMW 风电场工程 中性点接地电阻成套装置 技术规范书 XXXXXXXXXXX 设计研究院 二零一二年三月XXXXXXXXXXXMW 风电场工程 中性点接地电阻成套装置技术规范书 目 录 供货需求表............................................................................................................................................................. 1 1 总则 .................................................................................................................................................................... 2 2 项目概况 ......................................................................................................................................................... 2 3 项目建设环境条件 .......................................................................................................... 错误!未定义书签。 4 适用技术标准 ..................................................................................................................................................... 2 5 技术要求............................................................................................................................................................. 4 5.1 技术参数 ...................................................................................................................................................... 4 5.2 接地变压器 ................................................................................................................................................ 5 5.3 电阻器 ...................................................................................................................................................... 6 5.4 电流互感器(干式) ............................................................................................................................... 7 5.5 智能监控器 ...............................................................................

1、当您付费下载文档后,您只拥有了使用权限,并不意味着购买了版权,文档只能用于自身使用,不得用于其他商业用途(如 [转卖]进行直接盈利或[编辑后售卖]进行间接盈利)。
2、本站所有内容均由合作方或网友上传,本站不对文档的完整性、权威性及其观点立场正确性做任何保证或承诺!文档内容仅供研究参考,付费前请自行鉴别。
3、如文档内容存在违规,或者侵犯商业秘密、侵犯著作权等,请点击“违规举报”。

碎片内容

深圳市华力特中性点接地电阻成套装置技术规范书模板

您可能关注的文档

确认删除?
VIP
微信客服
  • 扫码咨询
会员Q群
  • 会员专属群点击这里加入QQ群
客服邮箱
回到顶部