电脑桌面
添加小米粒文库到电脑桌面
安装后可以在桌面快捷访问

深基坑支护施工方案专家论证VIP免费

深基坑支护施工方案专家论证_第1页
1/19
深基坑支护施工方案专家论证_第2页
2/19
深基坑支护施工方案专家论证_第3页
3/19
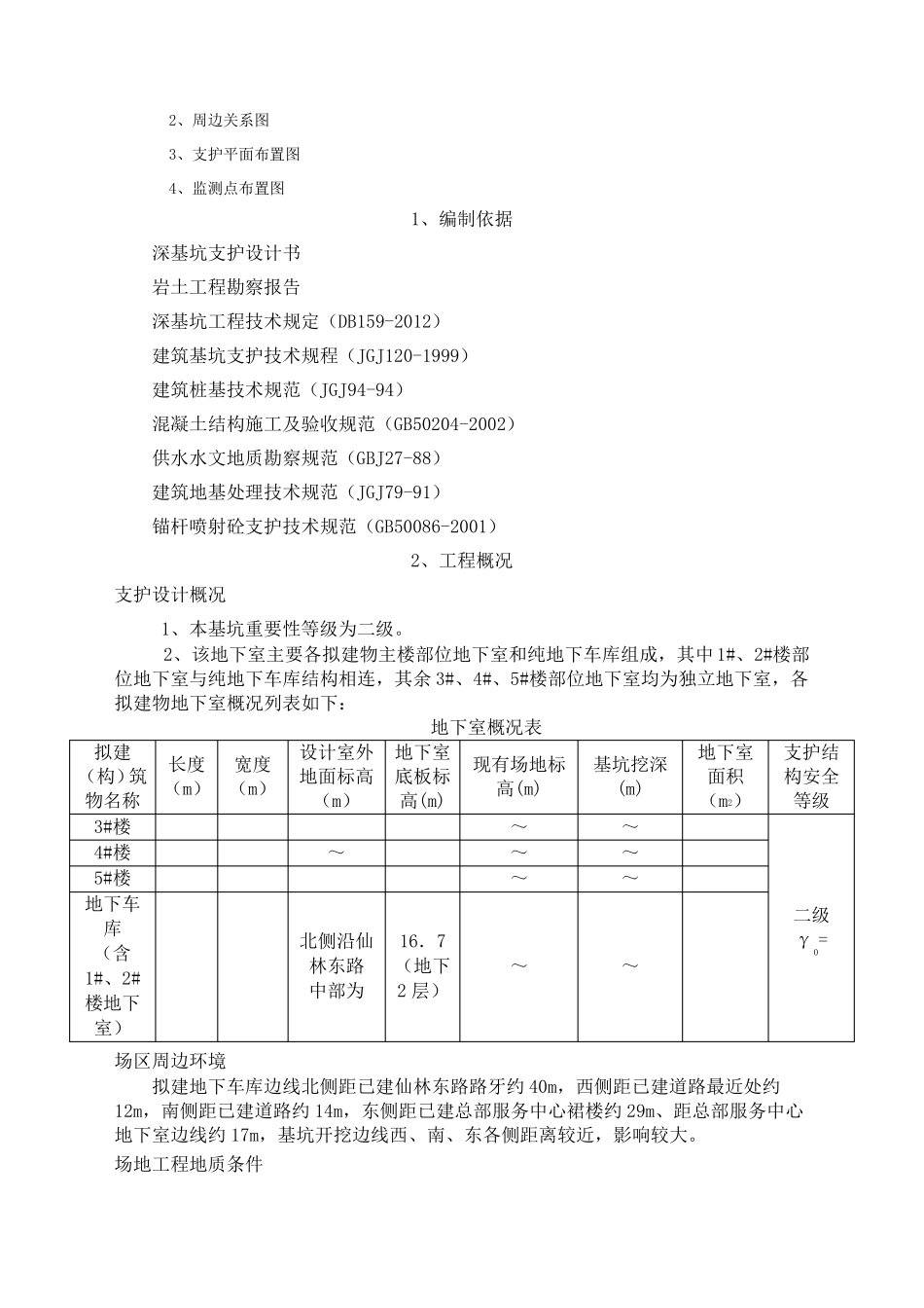
目 录 附图:1、总平面布置图 2、周边关系图 3、支护平面布置图 4、监测点布置图 1、编制依据 深基坑支护设计书 岩土工程勘察报告 深基坑工程技术规定(DB159-2012) 建筑基坑支护技术规程(JGJ120-1999) 建筑桩基技术规范(JGJ94-94) 混凝土结构施工及验收规范(GB50204-2002) 供水水文地质勘察规范(GBJ27-88) 建筑地基处理技术规范(JGJ79-91) 锚杆喷射砼支护技术规范(GB50086-2001) 2、工程概况 支护设计概况 1、本基坑重要性等级为二级。 2、该地下室主要各拟建物主楼部位地下室和纯地下车库组成,其中1#、2#楼部位地下室与纯地下车库结构相连,其余3#、4#、5#楼部位地下室均为独立地下室,各拟建物地下室概况列表如下: 地下室概况表 拟建(构)筑物名称 长度 (m) 宽度 (m) 设计室外 地面标高(m) 地下室底板标高(m) 现有场地标高(m) 基坑挖深(m) 地下室面积 (m2) 支护结构安全等级 3#楼 ~ ~ 二级 γ0= 4#楼 ~ ~ ~ 5#楼 ~ ~ 地下车库 (含1#、2#楼地下室) 北侧沿仙林东路 中部为 16.7(地下2 层) ~ ~ 场区周边环境 拟建地下车库边线北侧距已建仙林东路路牙约 40m,西侧距已建道路最近处约12m,南侧距已建道路约 14m,东侧距已建总部服务中心裙楼约 29m、距总部服务中心地下室边线约 17m,基坑开挖边线西、南、东各侧距离较近,影响较大。 场地工程地质条件 基 坑 开 挖 2~3 倍 深 度 范 围 内 涉 及 的 土 层 主 要 由 ○1 、 ○2 、 ○3 、 ○4 、 ○4 -1 层土 , 其 下 为 基 岩 风 化 层 。 场 地 水 文 地 质 条 件 根 据 地 质 勘 探 报 告 , 地 下 室 抗 浮 水 位 标 高 按 设 计 室 外 地 面 标 高 减 考 虑 。 基 坑 开 挖深 度 范 围 内 均 为 粘 性 土 , 富 水 性 差 , 透 水 性 差 , 基 坑 涌 水 量 较 小 , 采 用 明 沟 加 集 水 坑排 除 坑 内 积 水 。 3、 工 程 特 点 支 护 设 计 具 体 介 绍 设 计 依 据 : 中 国 上 海 建 筑 研 究 设 计 院 设 计 的 施 工 图 纸 。 1: 基 坑 深 度 一 、 北 侧 AB 段 , 1-1 剖 面 , 基 坑 底 标 高 为 , 基 坑 深 度 为 6500, 按 二 级 放 坡 , 放 坡高 度 为 2500...

1、当您付费下载文档后,您只拥有了使用权限,并不意味着购买了版权,文档只能用于自身使用,不得用于其他商业用途(如 [转卖]进行直接盈利或[编辑后售卖]进行间接盈利)。
2、本站所有内容均由合作方或网友上传,本站不对文档的完整性、权威性及其观点立场正确性做任何保证或承诺!文档内容仅供研究参考,付费前请自行鉴别。
3、如文档内容存在违规,或者侵犯商业秘密、侵犯著作权等,请点击“违规举报”。

碎片内容

深基坑支护施工方案专家论证

您可能关注的文档

确认删除?
VIP
微信客服
  • 扫码咨询
会员Q群
  • 会员专属群点击这里加入QQ群
客服邮箱
回到顶部