电脑桌面
添加小米粒文库到电脑桌面
安装后可以在桌面快捷访问

管道等级表_样板VIP免费

管道等级表_样板_第1页
1/13
管道等级表_样板_第2页
2/13
管道等级表_样板_第3页
3/13
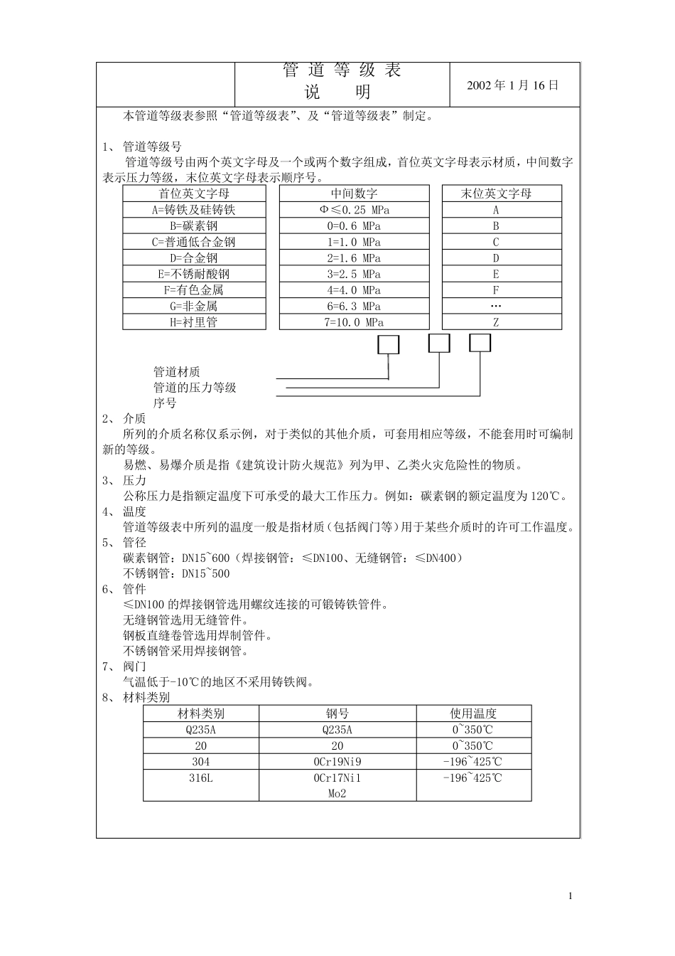
1 管 道 等 级 表 说 明 2 0 0 2 年1 月1 6 日 本管道等级表参照“管道等级表”、及“管道等级表”制定。 1、 管道等级号 管道等级号由两个英文字母及一个或两个数字组成,首位英文字母表示材质,中间数字表示压力等级,末位英文字母表示顺序号。 首位英文字母 中间数字 末位英文字母 A=铸铁及硅铸铁 Ф≤0.25 MPa A B=碳素钢 0=0.6 MPa B C=普通低合金钢 1=1.0 MPa C D=合金钢 2=1.6 MPa D E=不锈耐酸钢 3=2.5 MPa E F=有色金属 4=4.0 MPa F G=非金属 6=6.3 MPa … H=衬里管 7=10.0 MPa Z 管道材质 管道的压力等级 序号 2、 介质 所列的介质名称仅系示例,对于类似的其他介质,可套用相应等级,不能套用时可编制新的等级。 易燃、易爆介质是指《建筑设计防火规范》列为甲、乙类火灾危险性的物质。 3、 压力 公称压力是指额定温度下可承受的最大工作压力。例如:碳素钢的额定温度为 120℃。 4、 温度 管道等级表中所列的温度一般是指材质(包括阀门等)用于某些介质时的许可工作温度。 5、 管径 碳素钢管:DN15~600(焊接钢管:≤DN100、无缝钢管:≤DN400) 不锈钢管:DN15~500 6、 管件 ≤DN100 的焊接钢管选用螺纹连接的可锻铸铁管件。 无缝钢管选用无缝管件。 钢板直缝卷管选用焊制管件。 不锈钢管采用焊接钢管。 7、 阀门 气温低于-10℃的地区不采用铸铁阀。 8、 材料类别 材料类别 钢号 使 用温度 Q235A Q235A 0~350℃ 20 20 0~350℃ 304 0Cr19Ni9 -196~425℃ 316L 0Cr17Ni1 Mo2 -196~425℃ 2 管 道 等 级 表 等级编号:B1A 2002 年1 月16 日 典型介质 生活用水、工业用水、低压消防用水 压力等级MPa 1.0MPa 基本材质 碳素钢 设计温度℃ ≤95℃ 介质代号 名称 公称直径 DN 壁厚 材质 标准号 备注 管子 镀锌焊接钢管 15-100 Q235A GB3091-93 无缝钢管 125-400 SCH25 20# GB8163-99 管件 弯头 15-100 Q235A GB3289 125-400 SCH25 20# GB12459-90 三通 15-100 Q235A GB3289 125-400 SCH25 20# GB12459-90 异径管 15-100 Q235A GB3289 125-400 SCH25 20# GB12459-90 管接头 15-100 Q235A GB3289 名称 公称直径 DN 压力MPa 材质 标准号 备注 法兰 125-400 1.0 Q235A HG20594RF 垫片 125-400 石棉橡胶板 XB350 密封面 RF 螺栓 35 GB901-88 螺母...

1、当您付费下载文档后,您只拥有了使用权限,并不意味着购买了版权,文档只能用于自身使用,不得用于其他商业用途(如 [转卖]进行直接盈利或[编辑后售卖]进行间接盈利)。
2、本站所有内容均由合作方或网友上传,本站不对文档的完整性、权威性及其观点立场正确性做任何保证或承诺!文档内容仅供研究参考,付费前请自行鉴别。
3、如文档内容存在违规,或者侵犯商业秘密、侵犯著作权等,请点击“违规举报”。

碎片内容

管道等级表_样板

您可能关注的文档

确认删除?
VIP
微信客服
  • 扫码咨询
会员Q群
  • 会员专属群点击这里加入QQ群
客服邮箱
回到顶部