电脑桌面
添加小米粒文库到电脑桌面
安装后可以在桌面快捷访问

精密铸造工艺规程VIP免费

精密铸造工艺规程_第1页
1/23
精密铸造工艺规程_第2页
2/23
精密铸造工艺规程_第3页
3/23
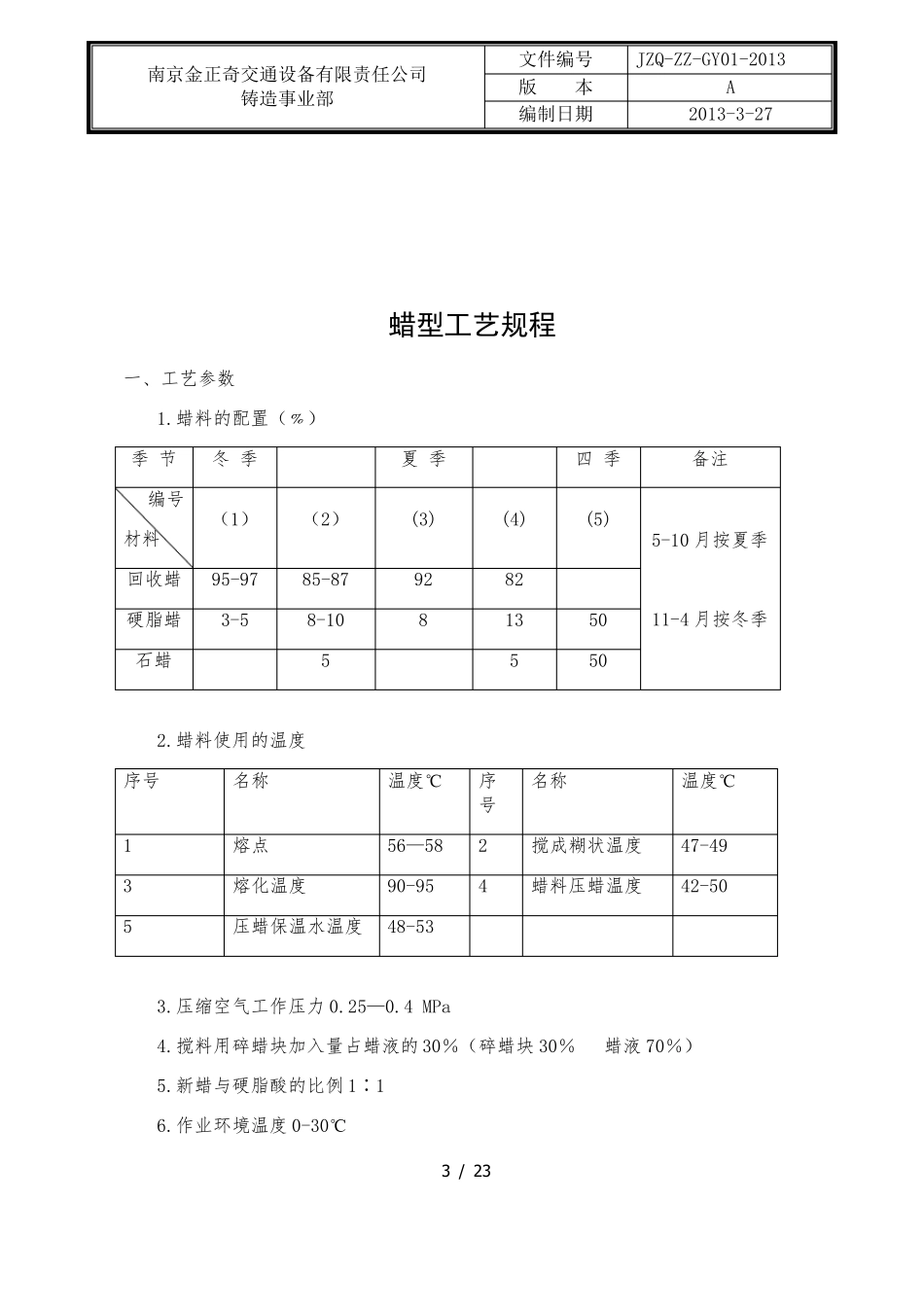
1 / 23 精密铸造工艺规程 编 制 : 审 核 : 批 准 : 日 期 : 南京金正奇交通设备有限责任公司 铸造事业部 文件编号 JZQ-ZZ-GY(01-13)-2013 版 本 A 编制日期 2013-3-27 2 / 23 文件目录 序号 文件编号 文件名称 页码 1 JZQ-ZZ-GY01-2013 蜡型工艺规程 3 2 JZQ-ZZ-GY02-2013 浇口棒蜡模工艺规程 5 3 JZQ-ZZ-GY03-2013 蜡模组焊工艺规程 6 4 JZQ-ZZ-GY04-2013 制壳工艺规程 7 5 JZQ-ZZ-GY05-2013 脱蜡工艺规程 9 6 JZQ-ZZ-GY06-2013 蜡处理工艺规程 10 7 JZQ-ZZ-GY07-2013 焙烧工艺规程 11 8 JZQ-ZZ-GY08-2013 熔炼工艺规程 12 9 JZQ-ZZ-GY09-2013 浇注工艺规程 14 10 JZQ-ZZ-GY10-2013 后处理工艺规程 15 11 JZQ-ZZ-GY11-2013 热处理工艺规程 16 12 JZQ-ZZ-GY12-2013 焊补工艺规程 19 13 JZQ-ZZ-GY13-2013 试棒管理规程 22 14 15 16 南京金正奇交通设备有限责任公司 铸造事业部 文件编号 JZQ-ZZ-GY(01-13)-2013 版 本 A 编制日期 2013-3-27 3 / 23 蜡型工艺规程 一、工艺参数 1.蜡料的配置(﹪) 季 节 冬 季 夏 季 四 季 备注 编号 材料 (1) (2) (3) (4) (5) 5-10 月按夏季 11-4 月按冬季 回收蜡 95-97 85-87 92 82 硬脂蜡 3-5 8-10 8 13 50 石蜡 5 5 50 2.蜡料使用的温度 序号 名称 温度℃ 序号 名称 温度℃ 1 熔点 56—58 2 搅成糊状温度 47-49 3 熔化温度 90-95 4 蜡料压蜡温度 42-50 5 压蜡保温水温度 48-53 3.压缩空气工作压力 0.25—0.4 MPa 4.搅料用碎蜡块加入量占蜡液的30%(碎蜡块 30% 蜡液 70%) 5.新蜡与硬脂酸的比例 1∶1 6.作业环境温度0-30℃ 南京金正奇交通设备有限责任公司 铸造事业部 文件编号 JZQ-ZZ-GY01-2013 版 本 A 编制日期 2013-3-27 4 / 23 二、操作过程 1.按配比称料、加温熔化。 2.在蜡液中加碎蜡块,搅拌成糊状(碎蜡块只许一次加成)。 3.装料调整好水温、压蜡。 4.冷凝、折模、蜡模水冷。 5.清理型腔、涂分型剂。 6.合型锁紧、重复压蜡。 7.修刮飞边、毛刺、修补缺陷。 8.用洗涤剂洗涤油迹,并用清水清洗一遍。 9.擦干水迹,分类入库。 南京金正奇交通设备有限责任公司 铸造事业部 文件编号 JZQ-ZZ-GY(01/13)-2013 版 本 A 编制日期 2013-3-27 5 / 23 浇口棒蜡模工艺规程 1.清擦模...

1、当您付费下载文档后,您只拥有了使用权限,并不意味着购买了版权,文档只能用于自身使用,不得用于其他商业用途(如 [转卖]进行直接盈利或[编辑后售卖]进行间接盈利)。
2、本站所有内容均由合作方或网友上传,本站不对文档的完整性、权威性及其观点立场正确性做任何保证或承诺!文档内容仅供研究参考,付费前请自行鉴别。
3、如文档内容存在违规,或者侵犯商业秘密、侵犯著作权等,请点击“违规举报”。

碎片内容

精密铸造工艺规程

您可能关注的文档

确认删除?
VIP
微信客服
  • 扫码咨询
会员Q群
  • 会员专属群点击这里加入QQ群
客服邮箱
回到顶部