电脑桌面
添加小米粒文库到电脑桌面
安装后可以在桌面快捷访问

QC小组活动成果减少现浇梁与PC叠合板交界处的漏浆VIP免费

QC小组活动成果减少现浇梁与PC叠合板交界处的漏浆_第1页
1/15
QC小组活动成果减少现浇梁与PC叠合板交界处的漏浆_第2页
2/15
QC小组活动成果减少现浇梁与PC叠合板交界处的漏浆_第3页
3/15
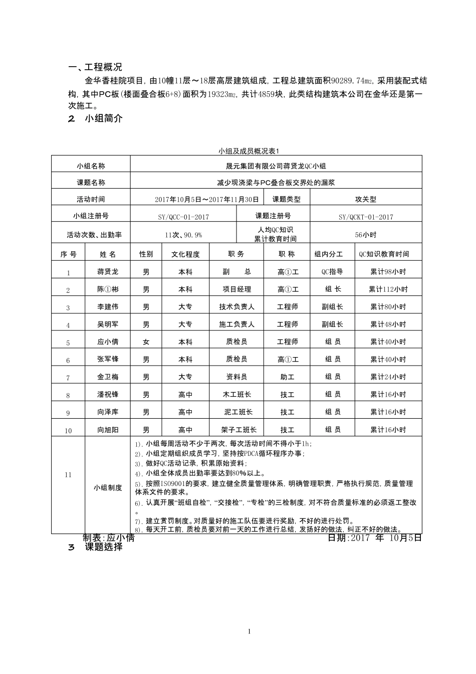
0 减少现 浇 梁与PC叠 合 板 交 界 处的 漏 浆 晟元集团有限公司蒋贤龙QC小组 2018年3月 1 一、工程概况 金华 香桂院项 目,由10幢11层 ~18层 高层 建筑组 成,工程总 建筑面积 90289.74m2,采用装配式结构,其中PC板(楼面叠合板6+8)面积 为 19323m2,共计 4859块 ,此类 结 构建筑本公司在金华 还 是第一次施工。 2 小组 简 介 小组及成员概况表1 小组 名称 晟元集团 有限公司蒋贤 龙 QC小组 课 题 名称 减少现 浇 梁与PC叠合板交界处 的漏浆 活动 时 间 2017年10月5日~2017年11月30日 课 题 类 型 攻关 型 小组 注册号 SY/QCC-01-2017 课 题 注册号 SY/QCKT-01-2017 活动 次数、出勤率 11次、90.9% 人均QC知识 累计 教育时 间 56小时 序 号 姓 名 性别 文化程度 职 务 职 称 组 内分工 QC知识 教育时 间 1 蒋贤 龙 男 本科 副 总 高① 工 QC指导 累计 98小时 2 陈 ① 彬 男 本科 项 目经 理 高① 工 组 长 累计 112小时 3 李建伟 男 大专 技术负责人 工程师 副组 长 累计 80小时 4 吴明军 男 大专 施工负责人 工程师 副组 长 累计 48小时 5 应小倩 女 本科 质检员 工程师 组 员 累计 40小时 6 张军锋 男 本科 质检员 高① 工 组 员 累计 40小时 7 金卫梅 男 大专 资料员 助工 组 员 累计 24小时 8 潘祝锋 男 高中 木工班长 技工 组 员 累计 16小时 9 向泽库 男 高中 泥工班长 技工 组 员 累计 16小时 10 向旭阳 男 高中 架子工班长 技工 组 员 累计 16小时 11 小组 制度 1). 小组 每周活动 不少于两次,每次活动 时 间 不得小于1h; 2). 小组 定 期 组 织成员学 习,坚持 按 PDCA循环程序办事; 3). 做好QC活动 记录,积 累原始资料; 4). 小组 全体成员出勤率要达到80%以上。 5). 按 照ISO9001的要求,建立健全质量管理体系,明确管理职 责,严格执行规范,质量管理 体系文件的要求。 6). 认真开展“班组 自检”,“交接检”,“专检”的三检制度,对不符合质量标准的必须返工整改 。 7). 建立赏罚制度。对质量好的施工队伍要进行奖励,不好的进行处 罚。 8). 每天开工前,质检员要对前一天的工作进行总 结 ,发扬好的做法,纠正不好的做法。 制表:应小倩 日期 :2017 年 ...

1、当您付费下载文档后,您只拥有了使用权限,并不意味着购买了版权,文档只能用于自身使用,不得用于其他商业用途(如 [转卖]进行直接盈利或[编辑后售卖]进行间接盈利)。
2、本站所有内容均由合作方或网友上传,本站不对文档的完整性、权威性及其观点立场正确性做任何保证或承诺!文档内容仅供研究参考,付费前请自行鉴别。
3、如文档内容存在违规,或者侵犯商业秘密、侵犯著作权等,请点击“违规举报”。

碎片内容

QC小组活动成果减少现浇梁与PC叠合板交界处的漏浆

您可能关注的文档

确认删除?
VIP
微信客服
  • 扫码咨询
会员Q群
  • 会员专属群点击这里加入QQ群
客服邮箱
回到顶部