电脑桌面
添加小米粒文库到电脑桌面
安装后可以在桌面快捷访问

总装厂装配钳工班长岗位说明书VIP免费

总装厂装配钳工班长岗位说明书_第1页
1/2
总装厂装配钳工班长岗位说明书_第2页
2/2
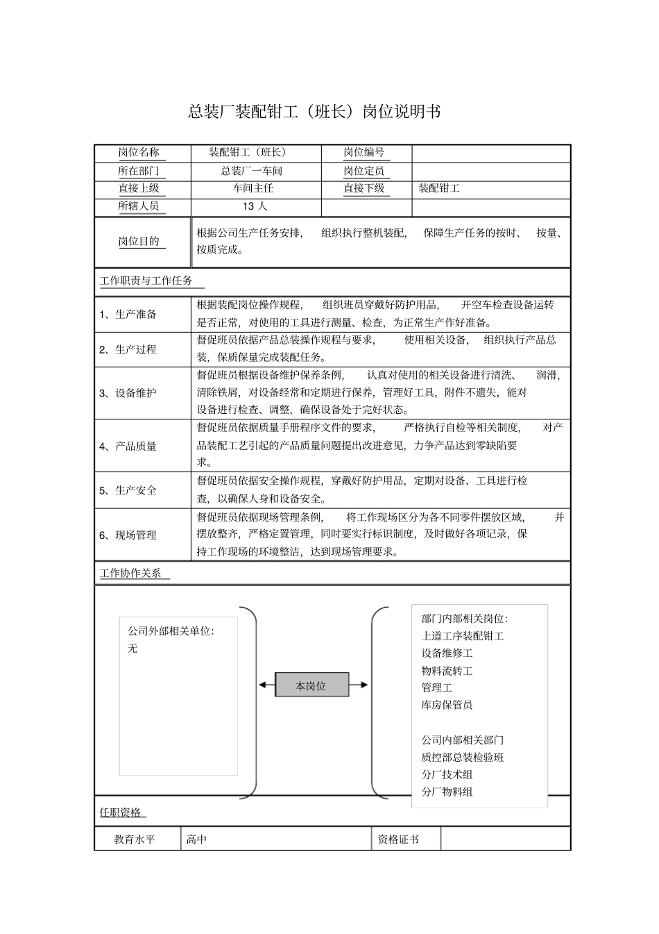
总装厂装配钳工(班长)岗位说明书岗位名称装配钳工(班长)岗位编号所在部门总装厂一车间岗位定员直接上级车间主任直接下级装配钳工所辖人员13 人岗位目的根据公司生产任务安排,组织执行整机装配,保障生产任务的按时、按量、按质完成。工作职责与工作任务1、生产准备根据装配岗位操作规程,组织班员穿戴好防护用品,开空车检查设备运转是否正常,对使用的工具进行测量、检查,为正常生产作好准备。2、生产过程督促班员依据产品总装操作规程与要求,使用相关设备, 组织执行产品总装,保质保量完成装配任务。3、设备维护督促班员根据设备维护保养条例,认真对使用的相关设备进行清洗、润滑,清除铁屑,对设备经常和定期进行保养,管理好工具,附件不遗失,能对设备进行检查、调整,确保设备处于完好状态。4、产品质量督促班员依据质量手册程序文件的要求,严格执行自检等相关制度,对产品装配工艺引起的产品质量问题提出改进意见,力争产品达到零缺陷要求。5、生产安全督促班员依据安全操作规程,穿戴好防护用品,定期对设备、工具进行检查,以确保人身和设备安全。6、现场管理督促班员依据现场管理条例,将工作现场区分为各不同零件摆放区域,并摆放整齐,严格定置管理,同时要实行标识制度,及时做好各项记录,保持工作现场的环境整洁,达到现场管理要求。工作协作关系任职资格教育水平高中资格证书部门内部相关岗位:上道工序装配钳工设备维修工物料流转工管理工库房保管员公司内部相关部门质控部总装检验班分厂技术组分厂物料组公司外部相关单位:无本岗位经验3 个月以上的装配钳工工作经验,熟悉装配工艺和质量要求,熟悉公司和分厂的各项管理制度专业知识具备机械设计类知识技能技巧通晓装配工艺,具备设备操作常识身体素质性别:视力:身高:其它使用工具 / 设备风扳机、行车、各种扳手、测量设备工作环境温度:噪音:湿度:毒性:粉尘:危险性:异味:所需记录文档整机装配质量记录流转卡、整机装配质量反馈记录、班组安全记录备注:

1、当您付费下载文档后,您只拥有了使用权限,并不意味着购买了版权,文档只能用于自身使用,不得用于其他商业用途(如 [转卖]进行直接盈利或[编辑后售卖]进行间接盈利)。
2、本站所有内容均由合作方或网友上传,本站不对文档的完整性、权威性及其观点立场正确性做任何保证或承诺!文档内容仅供研究参考,付费前请自行鉴别。
3、如文档内容存在违规,或者侵犯商业秘密、侵犯著作权等,请点击“违规举报”。

碎片内容

总装厂装配钳工班长岗位说明书

您可能关注的文档

确认删除?
VIP
微信客服
  • 扫码咨询
会员Q群
  • 会员专属群点击这里加入QQ群
客服邮箱
回到顶部