电脑桌面
添加小米粒文库到电脑桌面
安装后可以在桌面快捷访问

UCC3895VIP免费

UCC3895_第1页
1/9
UCC3895_第2页
2/9
UCC3895_第3页
3/9
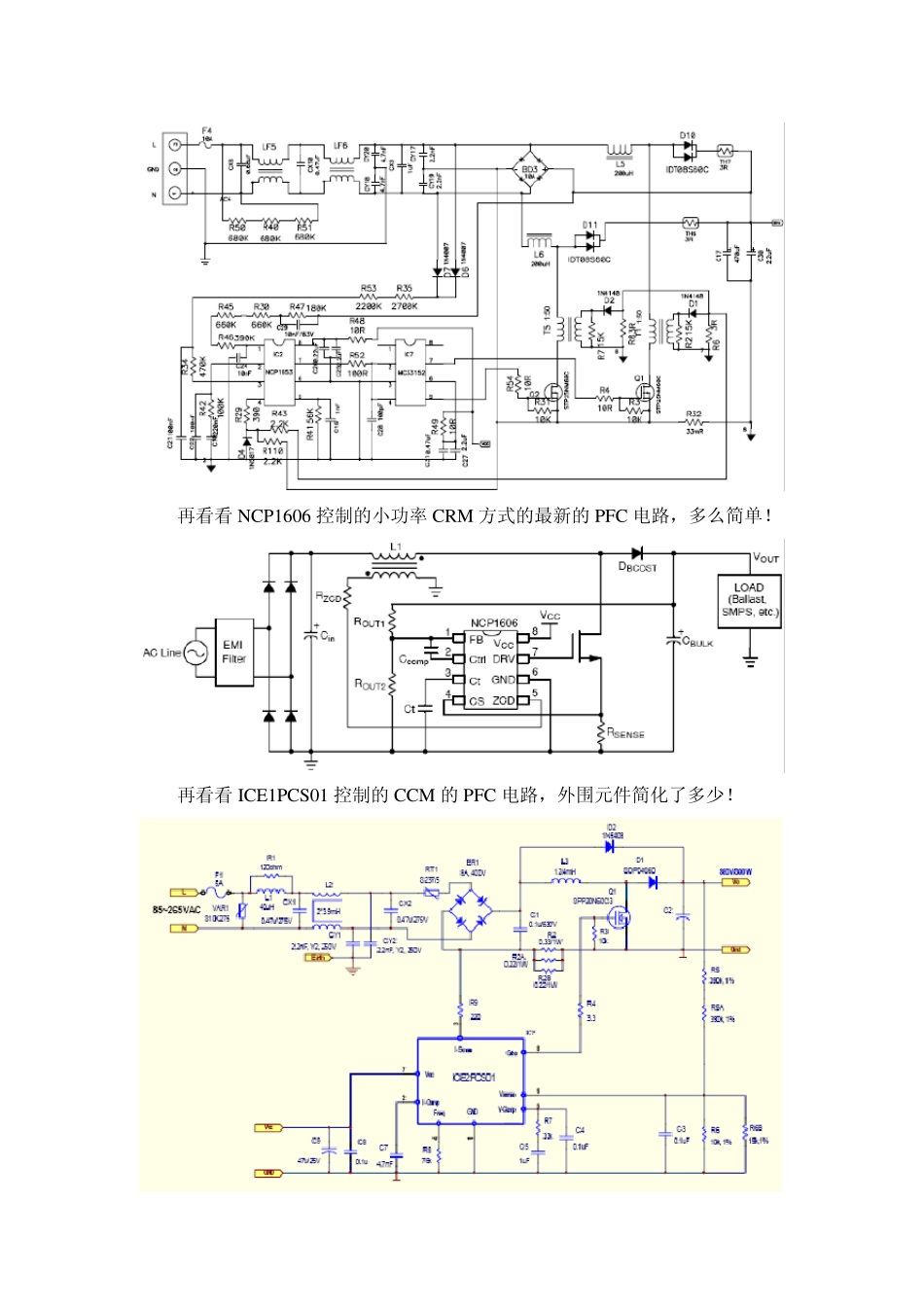
更新观念用新技术设计最优秀的电源 从2003 年以来,电源控制IC 展示出了全新的面貌。新的隔离控制IC 达 100余款,非隔离 DC/DC 达几百款。但是我们国内的技术还是老面孔。工程师选用的还是十几,二十年前的老式 IC,电路模式仍旧是老样子。 我在这里给出几个最新的例子,看看现在的技术进步。 1,两相交错式 PFC 控制, UCC28060 和 UCC28070。 先看看 UCC28060 组成的300W 的CRM 的PFC 电路,有效地减小了输出电压的纹波,减小了输入端的峰值电流,减小了EMI 的强度,提高了效率。 再看看 UC28070 组成的1200W 的CCM 的大功率 PFC 电路,输入可以采用600W 的EMI 滤波电路,升压电感的感量比单相的小两倍,输出电容的容量可以小一半,输出纹波小一半,效率提高大约 0.4 -0.5% 。 采用无整流桥的PFC 电路在低端 AC 电压 115V 输入时提高效率约 1%。而且解决了EMI 的问题。下面是 NCP1653 控制的EMI 过关的无桥 PFC 电路。 再看看NCP1606 控制的小功率CRM 方式的最新的PFC 电路,多么简单! 再看看ICE1PCS01 控制的CCM 的PFC 电路,外围元件简化了多少! 2, 反激变换器采用准谐振有高压起动源的NCP1337 比采用UC3842 的电路简单,易于控制,转换效率高,EMI 强度低。 高压起动源直接接在高压输入端,光耦直接接到 IC 的端子,不再处理放大器的补偿,前沿消隐做在 IC 内部,IC 外部只有电流取样。 有关 UC3842 的应用电路太多了,看看起动电路,放大器补偿电路,占空比超过 50%时另外加入的斜率补偿电路,就知道 NCP1337 应用起来简单多少了。 如果是 DC/DC 的应用,可以选择 LTC3803,下面是 LTC3803 的应用电路。 其外部只有6 个引脚,几乎无须调试,设计好变压器就可以了。 输入输出之间加入光耦隔离也很简单。 3,有源箝位正激电路。采用新一代具有软关断技术的 NCP1562,UCC2891取代旧有的 UCC3580。单相的可以输出到 800W 的大功率,两相交错式的可以输出到 1500W 的功率。频率高达 250KHz。体积小,软开关,效率高,输出纹波小,EMI 好处理。该拓朴是一个从中功率到大功率都能胜任的优秀电路拓朴。在2003 年该专利到期后,美国 6 家公司先后推出13 款有源箝位控制 IC,电压型,电流型,500V 高压输入的,100V 低压输入的都有,足够工程师们选择。 先看看 NCP1562 控制的 100W 通讯用 DC-DC。 采用 LM5034 设计的交互式有源箝位 Fo...

1、当您付费下载文档后,您只拥有了使用权限,并不意味着购买了版权,文档只能用于自身使用,不得用于其他商业用途(如 [转卖]进行直接盈利或[编辑后售卖]进行间接盈利)。
2、本站所有内容均由合作方或网友上传,本站不对文档的完整性、权威性及其观点立场正确性做任何保证或承诺!文档内容仅供研究参考,付费前请自行鉴别。
3、如文档内容存在违规,或者侵犯商业秘密、侵犯著作权等,请点击“违规举报”。

碎片内容

确认删除?
VIP
微信客服
  • 扫码咨询
会员Q群
  • 会员专属群点击这里加入QQ群
客服邮箱
回到顶部