电脑桌面
添加小米粒文库到电脑桌面
安装后可以在桌面快捷访问

扣件式钢管脚手架在高支模中应用禁止抄袭该论文VIP免费

扣件式钢管脚手架在高支模中应用禁止抄袭该论文_第1页
1/11
扣件式钢管脚手架在高支模中应用禁止抄袭该论文_第2页
2/11
扣件式钢管脚手架在高支模中应用禁止抄袭该论文_第3页
3/11
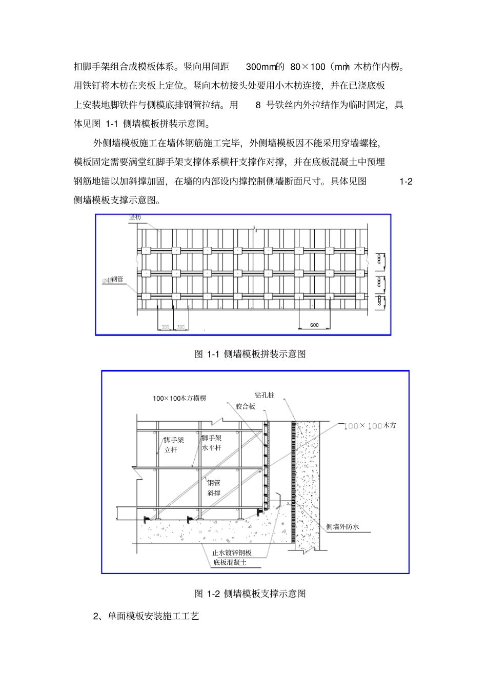
扣件式钢管脚手架在高支模中的应用韦安富(中铁十一局集团城市轨道工程有限公司武汉430074 )摘要: 本文主要通过工程实例介绍扣件式钢管脚手架在高大模板支撑中的应用,并根据有关规范规定及相关专业软件在支模架的受力计算方面进行了探讨,结合实践经验对支模架施工中应注意的几个方面进行了总结。关键词: 脚手架模板支撑应用一、工程简况简介杭州地铁1 号线【九堡东站~乔司南站盾构区间及地下明挖段、U 型槽段】( 22 号盾构) K29+820~K30+050 为盾构始发井及明挖段长230m,结构形式为闭合框架结构,盾构井高9.05m,跨度13.3m,顶板厚90ccm,边墙厚80cm,明挖段高 6.15m,跨度 9~13m,顶板厚 60~90cm,中墙厚 40~50cm,边墙厚 70~80cm。根据浙江省建设厅浙建【2003】37 号文件中的规定,属于高支模。二、模板支撑形式的选择由于顶板跨度较大,支模高度较高,且混凝土浇筑采用泵送施工,考虑脉冲水平推力和输送混凝土速度快所引起过载及侧压力,若采用门式钢管脚手架的话,因其为标准构件,受其自身宽度和每组长度的约束,对平面布置有一定限制,很难满足施工要求。而扣件式钢管脚手架则具有平面布置灵活、架设效率高、可形成纵横通道等特点,为了确保模板系统有足够强度、刚度和稳定性,模板支撑系统采用483.5 扣件式钢管满堂红脚手架,立杆采用顶部带可调上托、底部套 150×150×8 定型钢板底座的 Q235A钢管。三、结构布置及施工工艺1、侧墙模板施工由于设计围护结构为主体外墙结构外皮,因此在侧墙施工时,模板要进行单侧支模。如何保证侧墙的结构尺寸和外墙的防水不被破坏将是施工的关键。主体侧墙施工工艺:基面处理、防水层施工→凿毛清理混凝土面→绑扎侧墙钢筋→测放轮廓线→立模加支撑→浇注混凝土。外侧墙模板采用22 厚聚酯胶合板、 80×100mm及 100×100mm的木方及碗扣脚手架组合成模板体系。竖向用间距300mm的 80×100(mm)木枋作内楞。用铁钉将木枋在夹板上定位。竖向木枋接头处要用小木枋连接,并在已浇底板上安装地脚铁件与侧模底排钢管拉结。用8 号铁丝内外拉结作为临时固定,具体见图 1-1 侧墙模板拼装示意图。外侧墙模板施工在墙体钢筋施工完毕,外侧墙模板因不能采用穿墙螺栓,模板固定需要满堂红脚手架支撑体系横杆支撑作对撑,并在底板混凝土中预埋钢筋地锚以加斜撑加固,在墙的内部设内撑控制侧墙断面尺寸。具体见图1-2侧墙模板支撑示意图。300600600600竖枋钢管图 1-1 侧墙模板拼装...

1、当您付费下载文档后,您只拥有了使用权限,并不意味着购买了版权,文档只能用于自身使用,不得用于其他商业用途(如 [转卖]进行直接盈利或[编辑后售卖]进行间接盈利)。
2、本站所有内容均由合作方或网友上传,本站不对文档的完整性、权威性及其观点立场正确性做任何保证或承诺!文档内容仅供研究参考,付费前请自行鉴别。
3、如文档内容存在违规,或者侵犯商业秘密、侵犯著作权等,请点击“违规举报”。

碎片内容

扣件式钢管脚手架在高支模中应用禁止抄袭该论文

文库当当响+ 关注
实名认证
内容提供者

该用户很懒,什么也没介绍

确认删除?
VIP
微信客服
  • 扫码咨询
会员Q群
  • 会员专属群点击这里加入QQ群
客服邮箱
回到顶部