电脑桌面
添加小米粒文库到电脑桌面
安装后可以在桌面快捷访问

技术规范书【综合测试台】VIP免费

技术规范书【综合测试台】_第1页
1/9
技术规范书【综合测试台】_第2页
2/9
技术规范书【综合测试台】_第3页
3/9
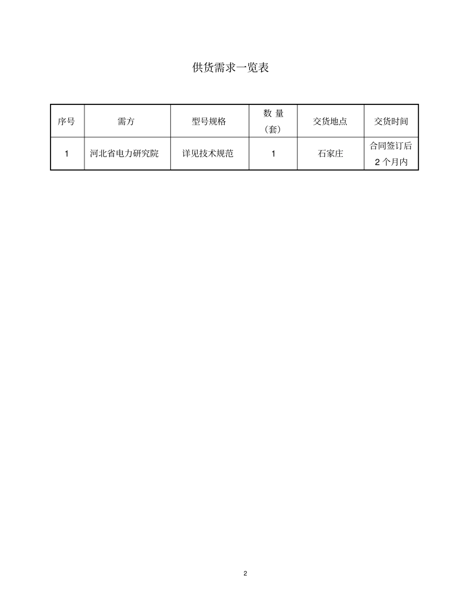
招标标段编号:河北省电力公司 集中规模招标微型断路器综合试验装置招标文件技术规范书河北省电力公司河 北 电 力 物 资 有 限 公 司2011 年 08 月2供货需求一览表序号需方型号规格数 量(套)交货地点交货时间1 河北省电力研究院详见技术规范1 石家庄合同签订后2 个月内河北省电力公司微型断路器综合试验装置招标文件11. 总则1.1 投标须知1.1.1 本规范适用微型断路器综合试验装置的招标。1.1.2 投标人应仔细阅读招标书。投标人所提供的产品必须满足招标书中提出的所有要求。1.1.3 投标人必须以书面形式对招标书全部条文作出响应,否则视为废标。1.1.4 招标书中所提出的技术指标与投标书中响应的技术指标不一致时,按两者之中较高的执行。1.1.5 招标书经投标人书面确认后,作为订货合同的技术附件,与合同正文具有同等法律效力。1.2 投标要求1. 本招标文件的内容包括综合试验装置的基本参数、性能指标、功能、文档等。2. 投标人应该提供满足本规范书中要求的全部设备及服务支持。投标人应保证所提供的硬件设备所采用的技术是先进的、成熟的,并且是全新的。投标人应认真阅读此招标文件中的条款,按照其中的要求,逐条做出答复。3. 本招标文件提出了最低限度的技术要求,并未对一切技术细节做出规定。也未充分引述有关标准和规范的条文,投标人应保证提供性能指标满足或优于本规范书和工业标准的优质产品。4. 投标人必须满足本招标文件中主要项目的要求,否则其建议书将被拒绝并被认作没有回答。如果投标人没有以书面形式对本规范书的条文提出异议,则意味着投标人提供的系统完全符合本规范书的要求。如有异议,都应在投标文件的技术偏差表中详细说明。5. 投标人必须提供一个准确的陈述。对主要产品部件或设备,投标人在投标时必须提供原厂商的正式技术指标说明文件,应列出每一产品设备的质保期。6. 投标人在投标建议书中建议的每个设备的型号必须逐一说明。投标人认为需特殊说明的部分应附详细的技术资料,否则,由于评标理解不同,产生的后果由投标人负责。27. 本招标文件所使用的标准如与投标人所执行的标准发生矛盾时,按较高标准执行。8.投标人应承诺所有应用的软件均是正版并具备合法授权,在今后的使用中能合法提供给使用方使用。河北省电力公司独立享有所购置系统的软、硬件的合法产权。9.该项目所要求的设备的订货、改装、测试的完工日期确定为签定合同后的60 天。1.3 设备要求投标人必须提供...

1、当您付费下载文档后,您只拥有了使用权限,并不意味着购买了版权,文档只能用于自身使用,不得用于其他商业用途(如 [转卖]进行直接盈利或[编辑后售卖]进行间接盈利)。
2、本站所有内容均由合作方或网友上传,本站不对文档的完整性、权威性及其观点立场正确性做任何保证或承诺!文档内容仅供研究参考,付费前请自行鉴别。
3、如文档内容存在违规,或者侵犯商业秘密、侵犯著作权等,请点击“违规举报”。

碎片内容

技术规范书【综合测试台】

确认删除?
VIP
微信客服
  • 扫码咨询
会员Q群
  • 会员专属群点击这里加入QQ群
客服邮箱
回到顶部