电脑桌面
添加小米粒文库到电脑桌面
安装后可以在桌面快捷访问

二铁碳合金的金相显微组织观察VIP免费

二铁碳合金的金相显微组织观察_第1页
1/14
二铁碳合金的金相显微组织观察_第2页
2/14
二铁碳合金的金相显微组织观察_第3页
3/14
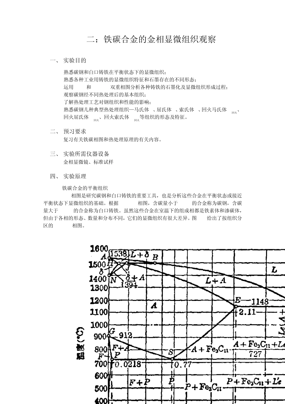
二:铁碳合金的金相显微组织观察 一、 实验目的 1. 熟悉碳钢和白口铸铁在平衡状态下的显微组织; 2. 熟悉各种工业用铸铁的显微组织特征和石墨存在的不同形态; 3. 运用Fe-C和Fe-Fe3C双重相图分析各种铸铁的石墨化及显微组织形成过程; 4. 观察碳钢经不同热处理后的基本组织; 5. 了解热处理工艺对钢组织和性能的影响; 6. 熟悉碳钢几种典型热处理组织—马氏体 M、屈氏体 T、索氏体 S、回火马氏体 M回火、回火屈氏体 T回火、回火索氏体 S回火等组织的形态及特征。 二、 预习要求 复习有关铁碳相图和热处理原理的有关内容。 三、 实验所需仪器设备 金相显微镜、标准试样 四、 实验原理 2.1铁碳合金的平衡组织 Fe-Fe3C相图是研究碳钢和白口铸铁的重要工具,也是分析这些合金在平衡状态或接近平衡状态下显微组织的基础。根据 Fe-Fe3C相图,含碳量小于 2.11%的合金称为碳钢,含碳量大于 2.11%的合金称为白口铸铁。虽然这些合金在室温下的组成相都是铁素体和渗碳体,但由于各相的形态、数量和分布不同,它们的显微组织有很大差异。图2-1给出了按组织分区的Fe-Fe3C相图。 图2-1 按组织分区的Fe-Fe3C相图 2.1.1 工业纯铁在退火状态下的显微组织 含碳量低于0.0218%的铁碳合金称为工业纯铁。工业纯铁在含碳量小于0.008%时,其显微组织为单相铁素体,如图2-2所示。在含碳量大于0.008%时,工业纯铁的组织为铁素体和极少量的三次渗碳体。三次渗碳体由铁素体中析出,沿铁素体晶界呈片状分布。 图2-2 工业纯铁的显微组织 400× 2.1.2 碳钢在退火状态下的显微组织 碳钢按含碳量不同可分为共析钢,亚共析钢和过共析钢,其显微组织特点如下: (1)共析钢 含碳量为0.77%的铁碳合金称为共析钢,其组织为共析转变得到的珠光体,即片状铁素体及渗碳体的机械混合物。由杠杆原理可以求得铁素体与渗碳体的重量比约为7.9:1,因此铁素体片厚,渗碳体片薄。在硝酸酒精溶液腐蚀下,铁素体溶解的速率比渗碳体大,因而渗碳体凸起。铁素体和渗碳体对光的反射能力相近,因此在明视场照明条件下二者都是明亮的,只是相界呈暗灰色。上述情况只有在放大倍数较高时才能看清楚,如图4-3所示。当放大倍数较低时,渗碳体片两侧相界已无法分辨,而呈黑色条状,如图2-4所示。如果放大倍数更低,则渗碳体和铁素体片都无法分辨,整个珠光体组织呈暗黑色。 图2-3经高倍放大后的珠光体组织 3200× 图2-4经中倍放大后的珠光体组织 400× (2)亚共...

1、当您付费下载文档后,您只拥有了使用权限,并不意味着购买了版权,文档只能用于自身使用,不得用于其他商业用途(如 [转卖]进行直接盈利或[编辑后售卖]进行间接盈利)。
2、本站所有内容均由合作方或网友上传,本站不对文档的完整性、权威性及其观点立场正确性做任何保证或承诺!文档内容仅供研究参考,付费前请自行鉴别。
3、如文档内容存在违规,或者侵犯商业秘密、侵犯著作权等,请点击“违规举报”。

碎片内容

二铁碳合金的金相显微组织观察

小辰9+ 关注
实名认证
内容提供者

出售各种资料和文档

确认删除?
VIP
微信客服
  • 扫码咨询
会员Q群
  • 会员专属群点击这里加入QQ群
客服邮箱
回到顶部