电脑桌面
添加小米粒文库到电脑桌面
安装后可以在桌面快捷访问

塔机验收资料VIP免费

塔机验收资料_第1页
1/16
塔机验收资料_第2页
2/16
塔机验收资料_第3页
3/16
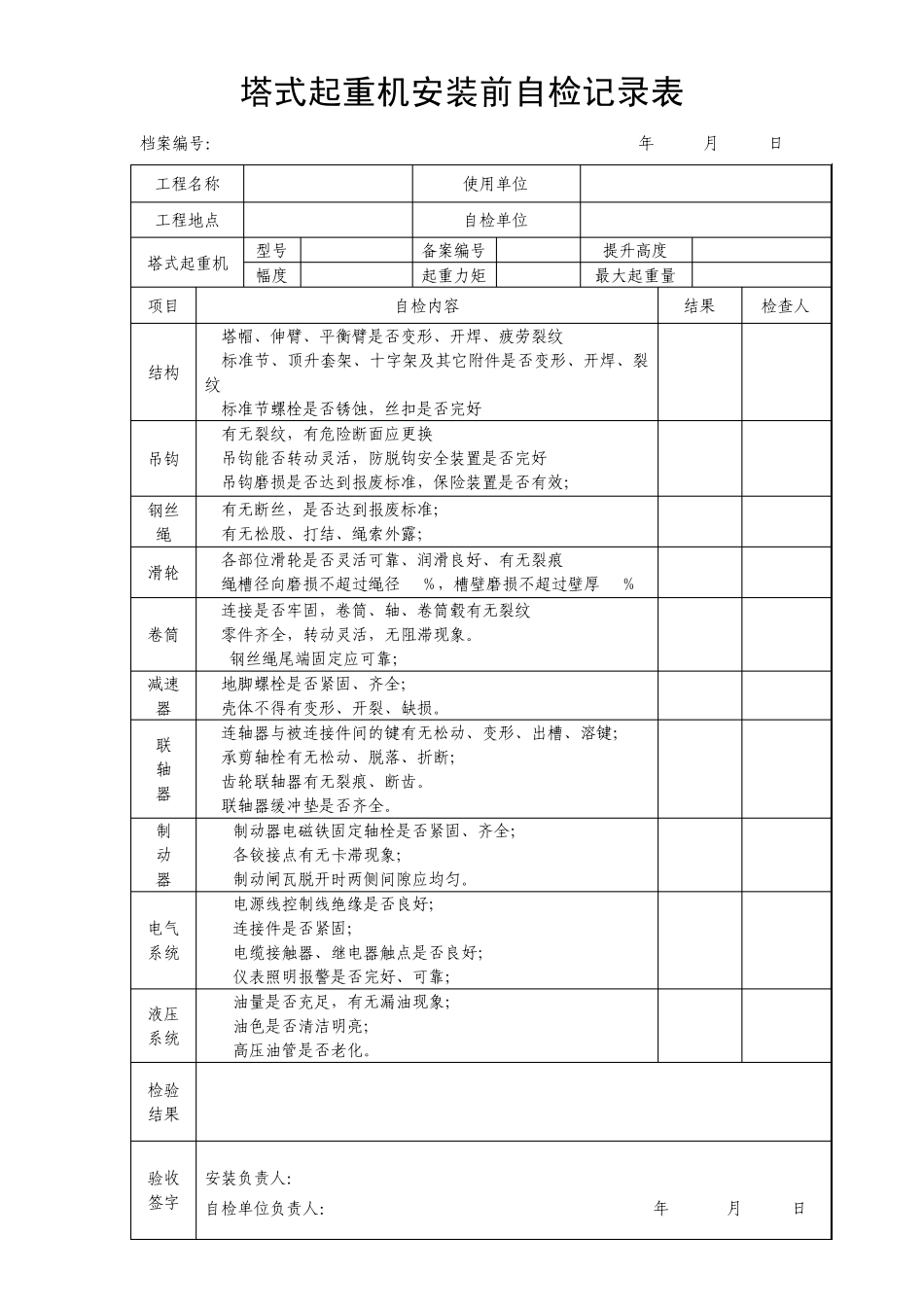
塔式起重机安拆竣工验收审批意见表 工程名称 工程地址 塔机型号 备案编号 安拆单位验收意见: 签章: 使用单位验收意见: 签章: 出租单位: 签章: 监理单位: 签章: 验收单位意见: 签章: 验收时间: 年 月 日 塔吊安装竣工验收移交使用表 年 月 日由淮北市巨人起重设备安装有限公司在 安装 型塔吊一台,起升高度 m,伸臂 m,起重力矩为 KN〃m,最大起重量为 T,最小额定起重量为 T。安装完毕后,对各种安全保险装置进行调试,并进行定载及超载10%动载试运,均符合说明书中的规定标准。经现场有关技术人员验收试运转合格,现交付使用。 交底要求:塔吊安装竣工使用三至五天要进行各部位螺栓紧固,非专业人员严禁随意改动安全限位器。定期检查螺栓、基础及垂直度是否有异。 安装单位(盖章): 使用单位(盖章): 年 月 日 年 月 日 塔式起重机安装前自检记录表 档案编号: 年 月 日 工程名称 使用单位 工程地点 自检单位 塔式起重机 型号 备案编号 提升高度 幅度 起重力矩 最大起重量 项目 自检内容 结果 检查人 结构 a.塔帽、伸臂、平衡臂是否变形、开焊、疲劳裂纹 b.标准节、顶升套架、十字架及其它附件是否变形、开焊、裂纹 c.标准节螺栓是否锈蚀,丝扣是否完好 吊钩 a.有无裂纹,有危险断面应更换 b.吊钩能否转动灵活,防脱钩安全装置是否完好 c.吊钩磨损是否达到报废标准,保险装置是否有效; 钢丝绳 a.有无断丝,是否达到报废标准; b.有无松股、打结、绳索外露; 滑轮 a.各部位滑轮是否灵活可靠、润滑良好、有无裂痕 b.绳槽径向磨损不超过绳径 30%,槽壁磨损不超过壁厚 20% 卷筒 a.连接是否牢固,卷筒、轴、卷筒毂有无裂纹 b.零件齐全,转动灵活,无阻滞现象。 c. 钢丝绳尾端固定应可靠; 减速器 a.地脚螺栓是否紧固、齐全; b.壳体不得有变形、开裂、缺损。 联 轴 器 a.连轴器与被连接件间的键有无松动、变形、出槽、溶键; b.承剪轴栓有无松动、脱落、折断; c.齿轮联轴器有无裂痕、断齿。 d.联轴器缓冲垫是否齐全。 制 动 器 a. 制动器电磁铁固定轴栓是否紧固、齐全; b. 各铰接点有无卡滞现象; c. 制动闸瓦脱开时两侧间隙应均匀。 电气系统 a. 电源线控制线绝缘是否良好; b. 连接件是否紧固; c. 电缆接触器、继电器触点是否良好; d. 仪表照明报警是否完好、可靠; 液压 系统 a. 油量是否充足,有无漏油现象;...

1、当您付费下载文档后,您只拥有了使用权限,并不意味着购买了版权,文档只能用于自身使用,不得用于其他商业用途(如 [转卖]进行直接盈利或[编辑后售卖]进行间接盈利)。
2、本站所有内容均由合作方或网友上传,本站不对文档的完整性、权威性及其观点立场正确性做任何保证或承诺!文档内容仅供研究参考,付费前请自行鉴别。
3、如文档内容存在违规,或者侵犯商业秘密、侵犯著作权等,请点击“违规举报”。

碎片内容

塔机验收资料

您可能关注的文档

确认删除?
VIP
微信客服
  • 扫码咨询
会员Q群
  • 会员专属群点击这里加入QQ群
客服邮箱
回到顶部