电脑桌面
添加小米粒文库到电脑桌面
安装后可以在桌面快捷访问

复合初级员工培训资料VIP免费

复合初级员工培训资料_第1页
1/22
复合初级员工培训资料_第2页
2/22
复合初级员工培训资料_第3页
3/22
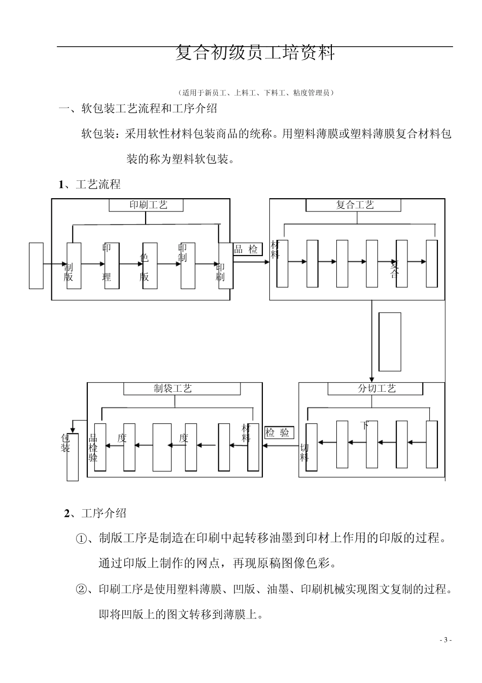
- 1 - 复 合 初 级 员 工 培 训 资 料 (草稿) - 2 - 目录 一、软包装工艺流程和工序介绍 1 、工艺流程 2 、工序介绍 二、复合用原材料、胶粘剂、溶剂 1 、原材料 2 、胶粘剂 3 、溶剂 三、复合机的组成结构及功能和涂胶辊 1 、复合机的组成结构及功能 2 、涂胶辊 四、基本操作 1 、复合薄膜电晕值检测操作 2 、上料操作 3 、下料操作 4 、涂胶辊的清洗与更换操作 5 、工作胶液配制操作 6、工作胶液粘度测量操作 五、复合工艺介绍 1 .原材料工艺要求 2 .配胶、涂布 3 .干燥 4 .复合 5 .冷却收卷: 6 .张力系统 7 、熟化 六、复合工序品质自检要求 七、复合品质量要求 八、安全作业及防火措施 1 、人身安全 2 、设备安全 3 、防火措施 - 3 - 复合初级员工培资料 (适用于新员工、上料工、下料工、粘度管理员) 一、软包装工艺流程和工序介绍 软包装:采用软性材料包装商品的统称。用塑料薄膜或塑料薄膜复合材料包装的称为塑料软包装。 1 、工艺流程 2 、工序介绍 ①、制版工序是制造在印刷中起转移油墨到印材上作用的印版的过程。通过印版上制作的网点,再现原稿图像色彩。 ②、印刷工序是使用塑料薄膜、凹版、油墨、印刷机械实现图文复制的过程。即将凹版上的图文转移到薄膜上。 印刷工艺 构思设计 电雕制版 印前处理 调色对版 印制小样 签样印刷 复合工艺 材料准备 胶水调配 胶水涂布 胶水烘干 加压复合 冷却收卷 品 检 制袋工艺 成品检验 速度调整 压力设定 温度设定 规格设定 材料准备 分切工艺 收卷切料 调校张力 下刀位置 出卷纠偏 纸筒准备熟化室熟化 检 验 包装出货 - 4 - 按印版类分:凹版、柔性版、丝版、凸版、平版印刷方式。 我厂现在是采用凹版印刷法工艺生产,生产时,印刷材料经放卷装置放出进入印刷装置,印版表面的油墨被刮刀刮去,网点内的油墨在印材被压下发生接确时转移到印材上,之后进入烘箱内,油墨中的溶剂成分在加热、吹风的烘箱内挥发掉。印刷膜从烘箱出来后经过冷却辊时,降温定形。在多色印刷时,电脑自动套印装置控制各色间的套印。印刷完成后,收卷装置把印品卷取成卷状膜。 ③、品检工序是把印刷出的半成品经品检机,将印出的不合格品检出并剔除的过程。减少后工序生产损耗的增加和品检的难度。 ④、复合工序是将两种或两种以上的材料复合在一起,形成一体的材料。复合材料既可...

1、当您付费下载文档后,您只拥有了使用权限,并不意味着购买了版权,文档只能用于自身使用,不得用于其他商业用途(如 [转卖]进行直接盈利或[编辑后售卖]进行间接盈利)。
2、本站所有内容均由合作方或网友上传,本站不对文档的完整性、权威性及其观点立场正确性做任何保证或承诺!文档内容仅供研究参考,付费前请自行鉴别。
3、如文档内容存在违规,或者侵犯商业秘密、侵犯著作权等,请点击“违规举报”。

碎片内容

复合初级员工培训资料

您可能关注的文档

确认删除?
VIP
微信客服
  • 扫码咨询
会员Q群
  • 会员专属群点击这里加入QQ群
客服邮箱
回到顶部