电脑桌面
添加小米粒文库到电脑桌面
安装后可以在桌面快捷访问

天韵A电梯设备采购合同14124VIP免费

天韵A电梯设备采购合同14124_第1页
1/25
天韵A电梯设备采购合同14124_第2页
2/25
天韵A电梯设备采购合同14124_第3页
3/25
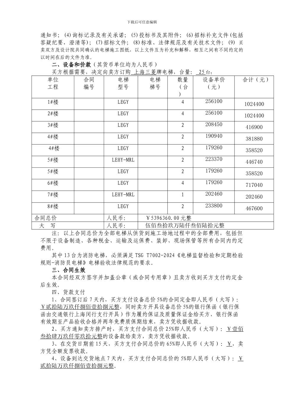
下载后可任意编辑编号:______浙江天都实业有限公司材料(设备)采购合同标 的 名 称: 天韵 A 电梯 买 方(甲方):浙江天都实业有限公司 卖 方(乙方):上海三菱电梯有限公司签 订 时 间: 2024 年 月 日 买卖双方根据《中华人民共和国合同法》及 2024 年 10 月有关天都城天韵 A、天明 A、B 苑区电梯的招标文件的约定,双方本着公平、诚实和信用的原则,共同确定以下条款。一、合同文件合同文件组成及效力顺序: (1)合同补充协议书;(2)本合同协议书;(3)中标下载后可任意编辑通知书;(4)询标记录及有关承诺;(5)投标书及其附件;(6)招标补充文件(包括答疑纪要,澄清等);(7)招标文件;(8)标准、法律规范及有关技术文件;(9) 买卖双方及设计院共同确认的电梯施工图纸,以上文件互为补充和解释,相互之间有不同约定的以时间在后的文件为准。二、设备和价款(其货币单位均为人民币)买方根据需要,决定向卖方订购 上海三菱牌电梯,台量: 25 台;单位工程合同编号电梯型号电梯梯号数量(台)设备单价(元)合计(元)1#楼LEGY425610010244002#楼LEGY425610010244003#楼LEGY22084504169004#楼LEGY21909403818804#楼LEGY21792603585205#楼LEHY-MRL22233704467405#楼LEGY21792603585206#楼LEGY41792607170407#楼LEHY-MRL12024602024608#楼LEGY2233800467600合同总价人民币:¥5396360.00 元整大 写人民币:伍佰叁拾玖万陆仟叁佰陆拾元整注:以上合同总价为全部电梯从供货到施工场地过程中的全部费用,包括但不限于设备制造、各种税金、运输及运保费、装卸、现场保管等所有合同内约定费用。其中 13 台为消防电梯,必须满足 TSG T7002-2024《电梯监督检验和定期检验规则-消防员电梯》电梯验收法律规范的要求。三、合同生效本合同经双方签字并加盖公章(或合同专用章)且卖方收到买方支付的定金后生效。四、货款支付1、合同签订后 7 天内,买方支付设备总价 5%的合同定金即人民币(大写):¥ 贰拾陆万玖仟捌佰壹拾捌元整 ,同时卖方开具设备总价 5%的银行保函(银行保函由交通银行上海闵行支行开具)作为履约保证及质量保证金给买方,银行保函有效期至产品验收合格并两年免费质保期结束,卖方凭收据收款。2、买方通知卖方排产时,买方支付合同总价 25%即人民币(大写):¥ 壹佰 叁拾肆万玖仟零玖拾元整 的设备款给卖方,卖方凭收据收款。3、在交货日期前 15 天,买方支付合同总价的 65%即人民币(大...

1、当您付费下载文档后,您只拥有了使用权限,并不意味着购买了版权,文档只能用于自身使用,不得用于其他商业用途(如 [转卖]进行直接盈利或[编辑后售卖]进行间接盈利)。
2、本站所有内容均由合作方或网友上传,本站不对文档的完整性、权威性及其观点立场正确性做任何保证或承诺!文档内容仅供研究参考,付费前请自行鉴别。
3、如文档内容存在违规,或者侵犯商业秘密、侵犯著作权等,请点击“违规举报”。

碎片内容

天韵A电梯设备采购合同14124

您可能关注的文档

确认删除?
VIP
微信客服
  • 扫码咨询
会员Q群
  • 会员专属群点击这里加入QQ群
客服邮箱
回到顶部