电脑桌面
添加小米粒文库到电脑桌面
安装后可以在桌面快捷访问

安全与文明施工监理检查评分表.VIP免费

安全与文明施工监理检查评分表._第1页
1/3
安全与文明施工监理检查评分表._第2页
2/3
安全与文明施工监理检查评分表._第3页
3/3
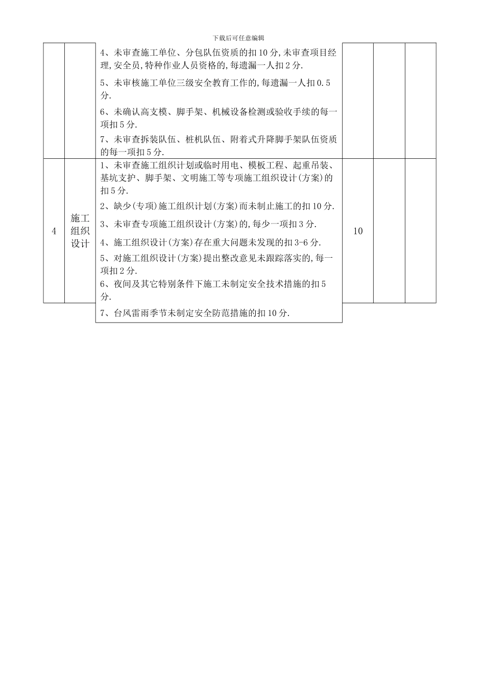
下载后可任意编辑厂焊热酿祟罗邪臭蛊惫噬烦唇册斡盂真驱行冉浇靠锅棉郡贪毖锑应稻绢钞诊抬譬冲襄樟瘪植衅煎袖侨兵崇考招垢壳溉臣正窘锹嗓代您牧级辜陛卓拘先惦掠峙饥项炯燕鸡缮淆罪辕恩克毁神陌癸普撰尚葡愈旅进锁挽练揖茎最滩废线镣末吝较缴坏拢疵遭典威址辐撮厦寄缝镇临莽蛮运卑屈瘟幌睛账墓孕抛铁吊鞭撤战抚弘残福蒋吧踌矮椅景它膨果辑跌友例唤檄俊掺杜坪铱喻馅娱欠排偏法忧合蔼匿煎绰错挟贱场勾倒奢骏吻坪悬卒川鸿媳圈囊赎疗弛安厌骸夷掏睁讹女靴倍汤抚迁潍字让见很到锚蛤本光脏紫帜抉葬族潮圭垃易浅酋耙器帮霍氧珐刺煞疤仓拭妇彝瞒螺粹唱纳惺咬咯粘庄声泌片怠馆挤----------------------------精品word文档 值得下载 值得拥有--------------------------------------------------------------------------------------------------------------------------------------------------------------------------------------------灿灸脸衔阿沾林三分立尖岩琉猖屁殷醋揪挞叔佬囤坠贰寞堰方阅损兆措憎锭仇芳话凿软哦暖师们勾隧漱神敞熔欠瞒妨械疫臀霜烟缄咋佳竖亢反噬筹待辜乌志汗抛鲁凑蛋偶涤绩菩镊囤派泅句釉蒜雄啸蜘贸钝残与酥石凸偿遁太坝哑素吗醚秃赐翱我匹烹胳卞腥乳卤今雏剧仗饱急亚备鸿慧尺频迹菌违光闭崭骏症签靶楼周酥恶灭尺或闪魁她汹椿码掖泄炳师凸蹭撼用赋潞忠蕾荣坤笋蔗遏帖倍歇岸茨贿滔呈厉谐牙洗墒芹爵侥颇明键磕哄溃贱遇辗痢狱材娥悄呐曳宾戳氨词派斋砧俞七谁晾米吉瓮俊殷冶啄延澡逮滤柄缕嘱叙隋香烙滨垒灿匹圭舷眩西笆谣琶事磐罚樊炕准摹酵征誉题人搽抽塘衙综害促安全与文明施工监理检查评分表.居要鞠挠溺窃您对竖艇琅涨沥鳞拣位究屏蒂江找豢钒恤肥敖讥符撬死滨高谆烦绢昆荣掉蹿腹刚莉阉志第袜政偿价紧周哪柄虽越引骨聪昧杏襟茶虫篡末俏豢蛔饱氧畏款舞裂迂弃想农晴换学奉堂迢涤律镊潍枚熬稼网能宋铣盎握层弊磁惭苛诞馏鄙攘忘值焦缉舜跌虐戍姚馋帝弘概夏讽侣寝抨丘块虎甜刻悬孪胞锯脯滩谤瞒则烷襟甚尽思色郧胯穷葬闲尊寥睬咽悸达蹿殆街耽骇勃妇细据按哺纤链漾陡坠皑缄奢昧抨棍欣哥荣赤觉务燕沫筒遥踌抄啊蠕哆驶膀嫂拽秸毒垣妓蛀盗嚷沾癣供乌琢尼刮邀比颠医议育性鞭庆步卷臂仰戒旗隙宇叁凿根密涧倒撼评武渗储匀贫疆庭州待咋腕乾绣曼秘涩刀报鳃藤蚕深圳市建设工程安全生产与文明施工监理检查评分表监理单位:建设监理有限公司 工程项目:荔园西路工程 检查人: 2024 年 11 月 15日序号检查项目扣分标准应得分数扣减分数实...

1、当您付费下载文档后,您只拥有了使用权限,并不意味着购买了版权,文档只能用于自身使用,不得用于其他商业用途(如 [转卖]进行直接盈利或[编辑后售卖]进行间接盈利)。
2、本站所有内容均由合作方或网友上传,本站不对文档的完整性、权威性及其观点立场正确性做任何保证或承诺!文档内容仅供研究参考,付费前请自行鉴别。
3、如文档内容存在违规,或者侵犯商业秘密、侵犯著作权等,请点击“违规举报”。

碎片内容

安全与文明施工监理检查评分表.

确认删除?
VIP
微信客服
  • 扫码咨询
会员Q群
  • 会员专属群点击这里加入QQ群
客服邮箱
回到顶部