电脑桌面
添加小米粒文库到电脑桌面
安装后可以在桌面快捷访问

支吊架制作安装工艺标准VIP免费

支吊架制作安装工艺标准_第1页
1/29
支吊架制作安装工艺标准_第2页
2/29
支吊架制作安装工艺标准_第3页
3/29
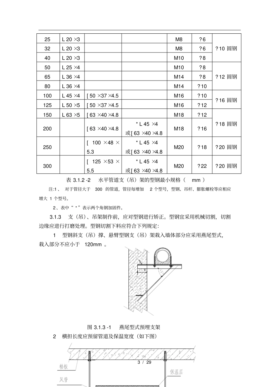
1 / 29 支(吊)架制作安装工艺标准一、一般规定1.1 支(吊)架的固定方式及配件的使用应满足设计要求,并应当符合下列规定:1.1.1 支(吊)架应当满足其承重要求;1.1.2 支(吊)架应当固定在可靠的建筑结构上,不应影响结构安全;1.1.3 严禁将支(吊)架焊接在承重钢结构及屋架的钢梁上,设计允许除外;1.1.4 埋设支(吊)架的水泥砂浆应在达到强度后,再搁置管道。1.2 支(吊)架的预埋件位置应正确、牢固可靠,埋入结构部分应除锈,除油污,并不应涂漆,外漏部分应当做防腐处理。1.3 管道的支(吊)架选用的绝热材料衬垫应满足设计要求,并应符合下列规定:1.3.1 绝热衬垫厚度不小于管道绝热层的厚度,宽度应大于支(吊)架承面宽度,衬垫应完整,与绝热材料之间应当密实、无空隙。1.3.2 绝热衬垫应满足其承压能力,安装后不变形;1.3.3 采用木质材料作为绝热衬垫时,应进行防腐处理;1.3.4 绝热衬垫应形状规则,表面完整,无缺损。厚度不应小于接触型钢面的宽度。二、施工准备2.1 管道支(吊)架加工制作前应根据管道的材质,管径大小等,按标准图集进行选型,支(吊)架的高度应根据深化设计图纸进行确定,防止施工过程中管道与其它专业的管道发生“碰撞” 。2.2管道支(吊)架加工前必须进行放样,作出同规格同型号部件的样图,注明每一道工序的加工要求和质量标准。2.3支(吊)架制作安装所需的各种机具设备准备齐全。主要包括:2.3.1 砂轮切割机或液压切割机,不得采用气割切断。切断时要注意刀具的一侧靠线,使下料长度一致。2.3.2 根据管道布排制作加工工装, 确定支(吊)架钻孔定位, 保温管道支(吊)架钻孔定位时在本标准尺寸要求的基础上,再考虑保温材料厚度。2.3.3 管道需要钻孔的部位,应采用手电钻或台钻,不得用氧气乙炔焰或电焊割孔。综合支(吊)架钻孔前采用工装钻孔定位,单管支(吊)架在型钢上划十字线,2 / 29 并在交点上打样冲眼,然后钻孔。2.3.4 将需要组装焊接的支(吊)架,要先划出定位线,组对时先点焊,经复查合格后再进行满焊,焊接质量必须符合焊接质量标准。三、施工工艺流程及操作要点3.1 支(吊)架制作3.1.1 支(吊)架制作应按下列工序进行。3.1.2 支(吊)架的型钢材料选用应符合下列规定;1 风管支(吊)架的型钢材料应按风管、部件、设备的规格和重量选用,并应符合设计要求。 当设计无要求时, 在最大允许范围安装间距下,风管吊架的型钢规格应符合下表:表 3.1.2...

1、当您付费下载文档后,您只拥有了使用权限,并不意味着购买了版权,文档只能用于自身使用,不得用于其他商业用途(如 [转卖]进行直接盈利或[编辑后售卖]进行间接盈利)。
2、本站所有内容均由合作方或网友上传,本站不对文档的完整性、权威性及其观点立场正确性做任何保证或承诺!文档内容仅供研究参考,付费前请自行鉴别。
3、如文档内容存在违规,或者侵犯商业秘密、侵犯著作权等,请点击“违规举报”。

碎片内容

支吊架制作安装工艺标准

您可能关注的文档

确认删除?
VIP
微信客服
  • 扫码咨询
会员Q群
  • 会员专属群点击这里加入QQ群
客服邮箱
回到顶部