电脑桌面
添加小米粒文库到电脑桌面
安装后可以在桌面快捷访问

支撑体系设计及计算书VIP免费

支撑体系设计及计算书_第1页
1/14
支撑体系设计及计算书_第2页
2/14
支撑体系设计及计算书_第3页
3/14
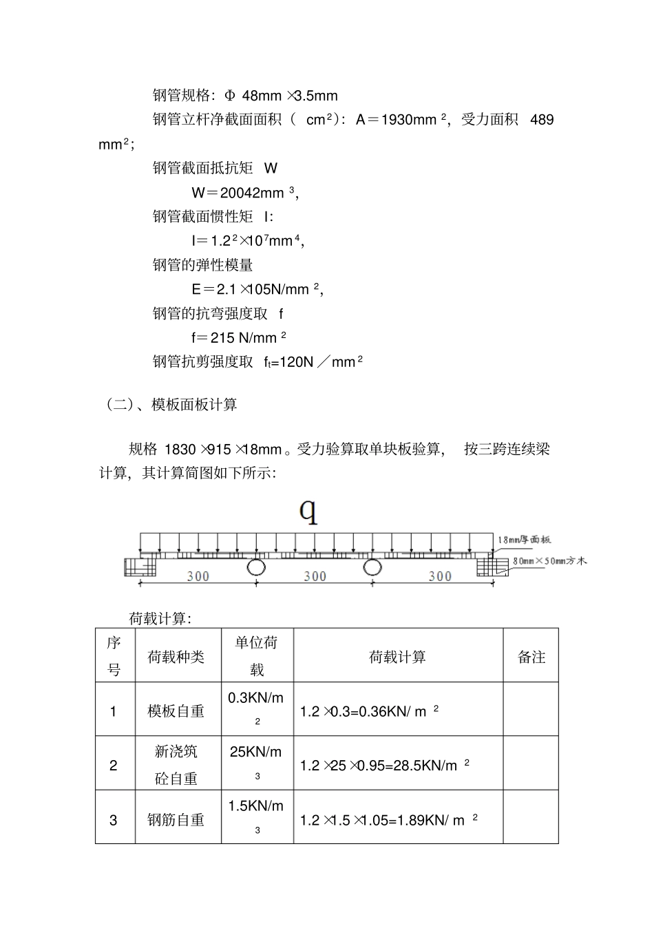
桥梁模板与支撑体系设计及计算书支撑体系设计说明:面板采用18mm 厚的胶合模板,面板背楞用枋木支撑,采用?48×3.5 水平钢管作为背楞(木枋)的支撑。满堂支架的搭设规格为:立杆间距0.6m ×0.6m ,横杆步距 1.2m。立杆顶端采用可调节的顶托作为集中荷载的传递构件。支撑体系搭设的构造应满足以下要求:1、扫地杆:离地高度不超过0.2m。2、剪刀撑:每隔四排立杆或3.0m 设置一道垂直剪撑,垂直剪刀撑钢管与地面成45-60 度角,水平剪刀撑按照其两端与中间每隔四排立杆从顶部开始向下每隔3 步设置一道水平剪刀撑, 每道剪刀撑宽度不小于 4 跨,且最大不大于6m。3、立杆顶端的顶托伸出上部第一根水平杆的长度不得超过20cm(自由端长度。 注:自由端长度为模板支架立杆伸出顶层横向水平杆中心线支撑点的长度) 。由于本桥梁结构模板支撑成型下是规划5# 路 , 架空高度在23.5~3.9m, 空间面积远大于桥梁截面面积,可以不考虑风荷载。一、现浇箱梁模板支撑体系计算(一)、参数信息1、立杆参数:立杆的纵距 b=0.6m 立杆的横距 1=0.6m 立杆的步距 h=1.20m 伸出长度: 0.2m 2、荷载参数:箱梁端部厚: 1.2m ①砼自重选用25KN /m3②模板自重采用0.3 KN /m2③施工均布荷载选用2.5 KN /m2④振捣砼荷载2 KN /m2(水平模板)4 KN/m2(垂直模板)⑤钢筋自重1.43 KN /m3(每立方钢筋砼钢筋自重)3、地基参数地基承载力标准值取400 KN /m 2基础底面面积取50mm ×50mm 4、木方参数:木方的宽度 80mm 木方的高度 50mm 木方的弹性模量为E=7650N /mm 2木方自重0.3KN /m2木方的顺纹抗剪强度取ft=1.87N /mm 2木方的抗弯强度取fw=17.9N /mm 2木方的截面惯性矩I: I=bh 3/12=80 3×50/12=2.13 ×10 6mm 4木方的截面抵抗矩W:W= bh 2/6=80 2×50/6=5.33 ×104mm 35、面板参数:面板厚为 18mm 面板的顺纹抗剪强度取ft=1.87N /mm 2面板的抗弯强度取fw=17.9N /mm 2面板的弹性模量为E=4680N /mm 2面板的截面惯性矩I:I=bh 3/12=1000 ×183/12=4.86 ×105mm 4面板的截面抵抗矩w W= bh 2/6=1000 ×182/6=5.4 ×104mm 36、其他参数:搭设高度取 23.5m 伸出长度取 0.45m 钢管规格:Φ 48mm ×3.5mm 钢管立杆净截面面积( cm 2):A=1930mm 2,受力面积489 mm 2;钢管截面抵抗矩 W W=20042mm 3,钢管截面惯性矩 I:I=1.2 2×107mm 4,钢管的弹性模量E=2.1×...

1、当您付费下载文档后,您只拥有了使用权限,并不意味着购买了版权,文档只能用于自身使用,不得用于其他商业用途(如 [转卖]进行直接盈利或[编辑后售卖]进行间接盈利)。
2、本站所有内容均由合作方或网友上传,本站不对文档的完整性、权威性及其观点立场正确性做任何保证或承诺!文档内容仅供研究参考,付费前请自行鉴别。
3、如文档内容存在违规,或者侵犯商业秘密、侵犯著作权等,请点击“违规举报”。

碎片内容

支撑体系设计及计算书

确认删除?
VIP
微信客服
  • 扫码咨询
会员Q群
  • 会员专属群点击这里加入QQ群
客服邮箱
回到顶部