电脑桌面
添加小米粒文库到电脑桌面
安装后可以在桌面快捷访问

支架法现浇箱梁计算书VIP免费

支架法现浇箱梁计算书_第1页
1/19
支架法现浇箱梁计算书_第2页
2/19
支架法现浇箱梁计算书_第3页
3/19
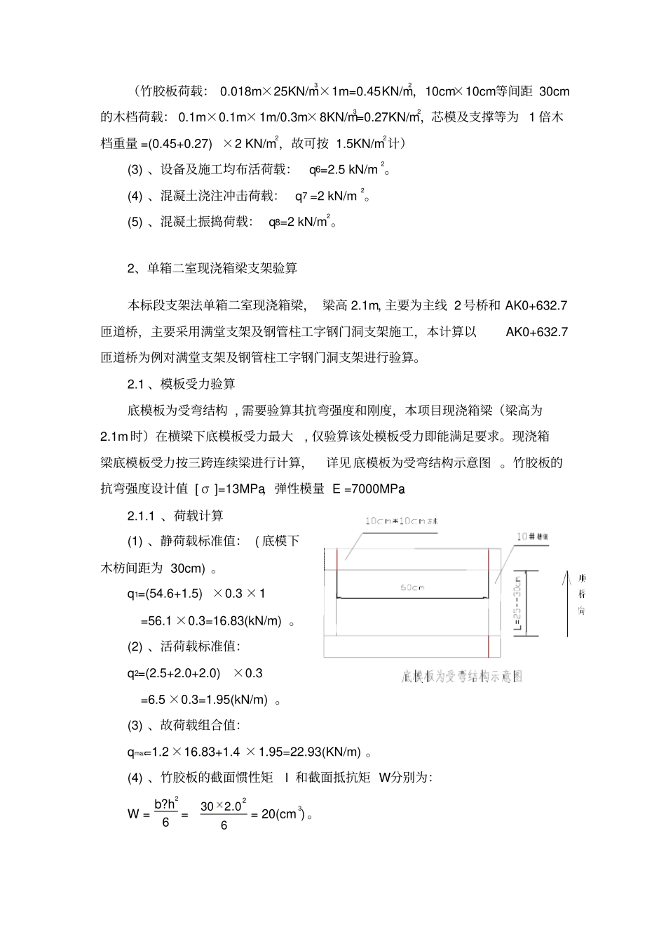
现浇箱梁支架验算书1、现浇箱梁荷载分配分析1.1 单箱二室现浇箱梁断面与面积叠加图如下:单箱二室现浇箱梁断面图单箱二室箱梁面积叠加图1.1.1 、单箱二室现浇箱梁荷载计算(1) 、钢筋混凝土荷载25cm厚顶及底板荷载: q1=0.25×2×26=13 (KN/m2) ;肋、腹板荷载: q2=2.1 ×26=54.6(KN/m2) ;横梁荷载: q3=2.1×26=54.6 (KN/m2) ;翼板荷载: q4=0.45×26=11.7 (KN/m2) 。(2) 、模板计算荷载: q5=1.5 KN/m2。(竹胶板荷载: 0.02m×25KN/m3=0.5 KN/m2,10cm×10cm等间距 30cm的木档荷载:0.1m×0.1m×1m/0.3m×8KN/m3=0.27KN/m2,芯模及支撑等为 1 倍木档重量=(0.45+0.27) ×2 KN/m2,故可按 1.5KN/m2计)。(3) 、设备及施工均布活荷载:q6=2.5 kN/m2。(4) 、混凝土浇注冲击荷载: q7 =2 kN/m2。(5) 、混凝土振捣荷载: q8=2 kN/m2。1.2 单箱四室现浇箱梁断面与面积叠加图如下:单箱四室现浇箱梁断面图单箱四室箱梁面积叠加图1.2.1 、单箱四室现浇箱梁荷载计算(1) 、钢筋混凝土荷载25cm厚顶及底板荷载: q1=0.25×2×26=13 (KN/m2) 。肋、腹板荷载: q2=1.4 ×26=36.4 (KN/m2) 。横梁荷载: q3=1.4×26=36.4 (KN/m2) 。翼板荷载: q4=0.45×26=11.7 (KN/m2) 。(2) 、模板计算荷载: q5=1.5 KN/m2。(竹胶板荷载: 0.018m×25KN/m3×1m=0.45 KN/m2,10cm×10cm等间距 30cm的木档荷载: 0.1m×0.1m×1m/0.3m×8KN/m3=0.27KN/m2,芯模及支撑等为 1 倍木档重量 =(0.45+0.27) ×2 KN/m2,故可按 1.5KN/m2计)(3) 、设备及施工均布活荷载:q6=2.5 kN/m2。(4) 、混凝土浇注冲击荷载: q7 =2 kN/m2。(5) 、混凝土振捣荷载: q8=2 kN/m2。2、单箱二室现浇箱梁支架验算本标段支架法单箱二室现浇箱梁, 梁高 2.1m,主要为主线 2 号桥和 AK0+632.7匝道桥,主要采用满堂支架及钢管柱工字钢门洞支架施工,本计算以AK0+632.7匝道桥为例对满堂支架及钢管柱工字钢门洞支架进行验算。2.1 、模板受力验算底模板为受弯结构 , 需要验算其抗弯强度和刚度,本项目现浇箱梁(梁高为2.1m 时)在横梁下底模板受力最大, 仅验算该处模板受力即能满足要求。现浇箱梁底模板受力按三跨连续梁进行计算,详见 底模板为受弯结构示意图 。竹胶板的抗弯强度设计值 [ σ ]=13MPa,弹性模量 E =7000MPa。2.1.1 、荷载计算(1) 、静荷载标准值: ( 底模下木枋间距为 30cm) 。q1=(54.6+1.5...

1、当您付费下载文档后,您只拥有了使用权限,并不意味着购买了版权,文档只能用于自身使用,不得用于其他商业用途(如 [转卖]进行直接盈利或[编辑后售卖]进行间接盈利)。
2、本站所有内容均由合作方或网友上传,本站不对文档的完整性、权威性及其观点立场正确性做任何保证或承诺!文档内容仅供研究参考,付费前请自行鉴别。
3、如文档内容存在违规,或者侵犯商业秘密、侵犯著作权等,请点击“违规举报”。

碎片内容

支架法现浇箱梁计算书

爱的疯狂+ 关注
实名认证
内容提供者

该用户很懒,什么也没介绍

相关文档

确认删除?
VIP
微信客服
  • 扫码咨询
会员Q群
  • 会员专属群点击这里加入QQ群
客服邮箱
回到顶部